поиск в избранное карта сайта
  Audi РЕМОНТ ОБСЛУЖИВАНИЕ ЭКСПЛУАТАЦИЯ АВТОМОБИЛЕЙ
Ауди А4. Audi A4 (с 2001 по 2005 год выпуска)

полные технические характеристики. диагностика. электросхемы
 
Главная
 
Audi
A4
1. Эксплуатация и техническое обслуживание автомобиля
2. Двигатель
3. Трансмиссия
4. Ходовая часть
5. Рулевой механизм
6. Тормозная система
7. Бортовое электрооборудование
7.1. Общие сведения
7.2. Система электропитания
7.3. Генератор
7.4. Стартер
7.5. Блоки реле, разъемы и предохранители
7.5.1. Снятие и установка блока управления комбинации приборов
7.5.2. Многоконтактные разъемы в блоке управления комбинации приборов
7.5.3. Снятие и установка блока предохранителей
7.5.4. Снятие и установка блока управления бортовой сети
7.5.5. Снятие и установка 9-гнездового блока реле
7.5.6. Снятие и установка 3-гнездового блока реле
7.5.7. Снятие и установка 4-гнездового блока реле
7.5.8. Снятие и установка левой штекерной колодки
7.5.9. Снятие и установка центрального блока управления системы Komfort
7.5.10. Снятие и установка правой штекерной колодки
7.5.11. Снятие и установка коробки главного предохранителя в багажнике сзади слева – Audi RS4
7.5.12. Снятие и установка блока главного предохранителя – автомобили с аккумулятором в моторном отсеке
7.5.13. Общие указания по ремонту электрики автомобиля
7.5.14. Ремонт проводов шины CAN
7.5.15. Обрыв провода с ремонтом в двух местах
7.5.16. Ремонт контактов в корпусах разъемов
7.5.17. Механическая блокировка корпуса разъёма
7.5.18. Круглые контакты
7.5.19. Плоские контакты с несимметричными стопорными язычками
8. Кузов
9. Схемы электрооборудования
 


7.5.7. Снятие и установка 4-гнездового блока реле

Снятие
Отсоедините провод массы от АКБ при выключенном зажигании.
Снимите вещевой отсек со стороны водителя.

Снятие крышки передней панели
Рис. 7.78. Снятие крышки передней панели


Выкрутите винты 1 блока предохранителей 2 (рис. 7.78).
Снимите блок предохранителей с центральной трубы передней панели.
Снимите жгут электропроводки с центральной трубы передней панели и высвободить его из креплений.

Крепление 4-гнездового блока реле
Рис. 7.97. Крепление 4-гнездового блока реле


Открутите гайки (стрелки) и снимите блок управления бортовой сети. 1 с присоединенными кабелями (рис. 7.97).
Снимите реле или блоки управления с 4-гнездового блока реле.

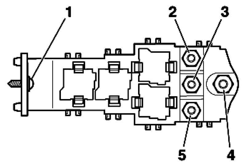
Резьбовые соединения 4-гнездового блока реле
Рис. 7.98. Резьбовые соединения 4-гнездового блока реле


Пометить кабели на резьбовых соединениях 2, 3 и 5 (рис. 7.98).
Отсоедините кабели от резьбовых соединений.
Выкрутите винт 1 и гайку 4.
Отсоедините блоки предохранителей от 4-гнездового блока реле.

4-гнездовой блок реле
Рис. 7.99. 4-гнездовой блок реле


Извлеките реле, блоки управления, а затем разблокируйте соответствующую плату реле (рис. 7.99).

Установка
Установите в обратной последовательности.
Присоедините кабели к резьбовых соединениям 2, 3 и 5 в соответствии с метками (рис. 7.98).
Подключите аккумулятор.
Установите вещевой отсек со стороны водителя.

Моменты затяжки
4-гнездовой блок реле к кузову:
– Гайка: 2,4 Н·м;
– Винт: 1,7 Н·м.
Резьбовое соединение для электрических кабелей: 9 Н·м.

« предыдущая страница
7.5.6. Снятие и установка 3-гнездового блока реле
^
к оглавлению
следующая страница »
7.5.8. Снятие и установка левой штекерной колодки

Copyright © 2026 Все права защищены. Все торговые марки являются собственностью их владельцев.