поиск в избранное карта сайта
  Audi РЕМОНТ ОБСЛУЖИВАНИЕ ЭКСПЛУАТАЦИЯ АВТОМОБИЛЕЙ
Ауди А4. Audi A4 (с 2001 по 2005 год выпуска)

полные технические характеристики. диагностика. электросхемы
 
Главная
 
Audi
A4
1. Эксплуатация и техническое обслуживание автомобиля
2. Двигатель
3. Трансмиссия
4. Ходовая часть
5. Рулевой механизм
6. Тормозная система
7. Бортовое электрооборудование
8. Кузов
9. Схемы электрооборудования
9.1. Схема системы кондиционирования (часть 1)
9.2. Схема системы кондиционирования (часть 2)
9.3. Схема системы кондиционирования (часть 3)
9.4. Схема системы кондиционирования (часть 4)
9.5. Схема системы кондиционирования (часть 5)
9.6. Схема системы кондиционирования (часть 6)
9.7. Схема системы кондиционирования (часть 7)
 


9.6. Схема системы кондиционирования (часть 6)

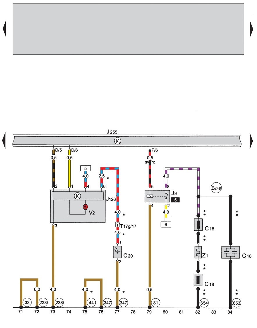
Схема системы кондиционирования (часть 6)

« предыдущая страница
9.5. Схема системы кондиционирования (часть 5)
^
к оглавлению
следующая страница »
9.7. Схема системы кондиционирования (часть 7)

Copyright © 2026 Все права защищены. Все торговые марки являются собственностью их владельцев.