поиск в избранное карта сайта
  Citroen РЕМОНТ ОБСЛУЖИВАНИЕ ЭКСПЛУАТАЦИЯ АВТОМОБИЛЕЙ
Ситроен Ксантия. Citroen Xantia (с 1993 года выпуска)

полные технические характеристики. диагностика. электросхемы
 
Главная
 
Citroen
Xantia
1. Введение
2. Руководство по эксплуатации
3. Текущее обслуживание
4. Ремонт двигателя
5. Системы охлаждения, отопления
6. Системы питания и выпуска
7. Электрооборудование двигателя
8. Сцепление
9. Трансмиссия
10. Приводные валы
11. Единая гидравлическая система
12. Тормозная система
13. Ходовая часть и рулевое управление
14. Кузов и отделка салона
15. Бортовое электрооборудование
16. Схемы электрооборудования
16.1. Системы запуска и заряда (бензиновые модели с РКПП)
16.2. Системы запуска и заряда (бензиновые модели с АТ)
16.3. Системы запуска и заряда (дизельные модели с РКПП)
16.4. Системы запуска и заряда (дизельные модели с АТ)
16.5. Системы впрыска и зажигания - двигатель XU5 / XU7, MAGNETI MARELLI
16.6. Системы впрыска и зажигания - двигатель XU7JP / Z, ВOSCH MP 5.1
16.7. Системы впрыска и зажигания - двигатель XU10J2C / Z, MAGNETI MARELLI 8P
16.8. Системы впрыска и зажигания - двигатель XU10J4, BОSCH MP 3.2
16.9. Система преднакала дизельного двигателя (модели без турбонаддува)
16.10. Система преднакала дизельного двигателя (модели с турбонаддувом)
16.11. Вентилятор системы охлаждения (двигатели XU5 / XU7 / XU10J2)
16.12. Вентилятор системы охлаждения дизельного двигателя (модели без турбонаддува)
16.13. Вентилятор системы охлаждения дизельного двигателя (модели с турбонаддувом)
16.14. Система охлаждения с климатической установкой и автоматической КПП, все модели
16.15. Противотуманные фары и фонари
16.16. Стоп-сигналы
16.17. Огни заднего хода (модели с РКПП)
16.18. Огни заднего хода (модели с АТ)
16.19. Указатели поворотов и аварийная сигнализация
16.20. Клаксон
16.21. Передние и задние габаритные огни
16.22. Ближний и дальний свет
16.23. Реостат управления интенсивностью подсветки
16.24. Штурманское освещение
16.25. Освещение салона
16.26. Система контроля за температурой и уровнем охлаждающей жидкости (бензиновые модели)
16.27. Система контроля за температурой и уровнем охлаждающей жидкости / попаданием воды в топливо(дизельные модели без турбонаддува)
16.28. Система контроля за температурой и уровнем охлаждающей жидкости / попаданием воды в топливо(дизельные модели с турбонаддувом)
16.29. Система контроля за уровнем жидкости омывания стекол
16.30. Система контроля за температурой, уровнем и давлением двигательного масла
16.31. Система контроля за уровнем топлива
16.32. Звуковой зуммер сигнализации “Не забудьте выключить осветительные приборы”
16.33. Указатель износа тормозных накладок / датчик-выключатель работающий от гидравлического давления
16.34. Гидроактивная подвеска колес
16.35. Очиститель / омыватель ветрового стекла
16.36. Очиститель / омыватель заднего стекла
16.37. Омыватели линз головных фар
16.38. Электропривод стеклоподъемников передних дверей
16.39. Электропривод стеклоподъемников задних дверей
16.40. Единый замок
16.41. Глухая блокировка дверей
16.42. Вентилятор отопителя
16.43. Обогрев заднего стекла и наружных зеркал заднего вида
16.44. Прикуриватель
16.45. Магнитола
 


16.33. Указатель износа тормозных накладок / датчик-выключатель работающий от гидравлического давления


« предыдущая страница
16.32. Звуковой зуммер сигнализации “Не забудьте выключить осветительные приборы”
^
к оглавлению
следующая страница »
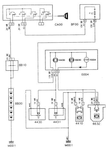
16.34. Гидроактивная подвеска колес

Copyright © 2026 Все права защищены. Все торговые марки являются собственностью их владельцев.