поиск в избранное карта сайта
  Infiniti РЕМОНТ ОБСЛУЖИВАНИЕ ЭКСПЛУАТАЦИЯ АВТОМОБИЛЕЙ
Инфинити КуИкс 4. Infiniti QX4 (с 1996 года выпуска)

полные технические характеристики. диагностика. электросхемы
 
Главная
 
Infiniti
QX4
1. Введение
2. Инструкция по эксплуатации
3. Текущее обслуживание
4. Двигатель
5. Системы охлаждения и отопления
6. Системы питания и управления
7. Системы запуска и заряда
8. Трансмиссионная линия
9. Тормозная система
10. Подвеска и рулевое управление
11. Кузов
12. Электрооборудование
12.1. Спецификации
12.2. Поиск причин отказов электрооборудования
12.3. Электрические разъемы - общие сведения
12.4. Предохранители и плавкие вставки - общая информация
12.5. Прерыватели цепи - общая информация
12.6. Реле - общая информация и проверка исправности функционирования
12.7. Проверка исправности функционирования и замена прерывателя указателей поворотов / аварийной сигнализации
12.8. Замена ламп осветительных приборов
12.9. Проверка исправности функционирования и восстановительный ремонт обогревателя заднего стекла
12.10. Система дополнительной безопасности (SRS)
12.11. Схемы электрических соединений
12.11.1. Система управления двигателем 3.3 л
12.11.2. Система управления двигателем 3.5 л
12.11.3. Схема распределения мощности
12.11.4. Система зарядки
12.11.5. Система запуска
12.11.6. Автоматическая трансмиссия
12.11.7. Блокировка переключения АТ
12.11.8. Темпостат
12.11.9. Система антиблокировки тормозов (ABS)
12.11.10. Бортовой процессор
12.11.11. Диагностические разъемы
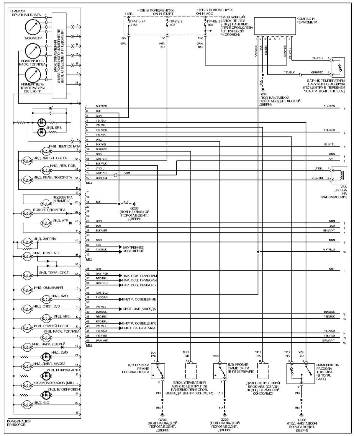
12.11.12. Комбинация приборов
12.11.13. Подсветка приборов
12.11.14. Наружное освещение
12.11.15. Фары с DRL
12.11.16. Фары без DRL
12.11.17. Огни заднего хода
12.11.18. Освещение салона при открывании дверей
12.11.19. Клаксон
12.11.20. Обогрев стекла
12.11.21. Очистители / омыватели ветрового стекла
12.11.22. Очиститель / омыватель заднего стекла
12.11.23. Электропривод зеркал заднего вида
12.11.24. Электропривод стеклоподъемников
12.11.25. Электропривод верхнего люка
12.11.26. Электропривод отпускания защелки поднимающегося заднего стекла
12.11.27. Электропривод сидений
12.11.28. Система дополнительной безопасности (SRS)
12.11.29. Система климат-контроля
12.11.30. Электрообогрев сидений
12.11.31. Аудиосистема
12.11.32. Электропривод антенны радиоприемника
12.11.33. Единый замок
12.11.34. Противоугонная система
12.11.35. Сигнальная система
12.11.36. Схема распределения массы
 


12.11.12. Комбинация приборов


« предыдущая страница
12.11.11. Диагностические разъемы
^
к оглавлению
следующая страница »
12.11.13. Подсветка приборов

Copyright © 2026 Все права защищены. Все торговые марки являются собственностью их владельцев.