поиск в избранное карта сайта
  Jeep РЕМОНТ ОБСЛУЖИВАНИЕ ЭКСПЛУАТАЦИЯ АВТОМОБИЛЕЙ
Джип Гранд Чероки. Jeep Grand Cherokee (с 1993 по 1999 год выпуска)

полные технические характеристики. диагностика. электросхемы
 
Главная
 
Jeep
Grand Cherokee
1. Введение
2. Настройки и текущее обслуживание
3. Рядный шестицилиндровый двигатель
4. Двигатель V8
5. Процедуры общего и капитального ремонта двигателя
6. Системы охлаждения, отопления и кондиционирования воздуха
7. Системы питания и выпуска отработавших газов
8. Система электрооборудования двигателя
9. Системы снижения токсичности отработавших газов и управления двигателем
10. Ручная коробка переключения передач
11. Автоматическая трансмиссия
12. Раздаточная коробка
13. Сцепление и трансмиссионная линия
14. Тормозная система
15. Подвеска и рулевое управление
16. Кузов
17. Система бортового электрооборудования
17.1. Общая информация
17.2. Диагностика неисправностей электрооборудования шасси - общая информация
17.3. Предохранители - общая информация
17.4. Плавкие вставки - общая информация
17.5. Прерыватели цепи (тепловые реле) - общая информация
17.6. Реле - общая информация
17.7. Проверка состояния и замена прерывателя указателей поворота / аварийной сигнализации
17.8. Проверка исправности функционирования и замена универсального подрулевого переключателя
17.9. Проверка состояния и замена выключателя зажигания / цилиндра замка
17.10. Проверка исправности функционирования выключателя обогрева стекла двери задка
17.11. Проверка состояния и ремонт обогревателя стекла двери задка
17.12. Замена ламп головных фар
17.13. Регулировка положения головных блок-фар
17.14. Снятие и установка корпусов головных блок-фар
17.15. Замена ламп
17.16. Снятие и установка выключателей головных фар и стеклоочистителя окна двери задка
17.17. Снятие и установка магнитолы и громкоговорителей
17.18. Снятие и установка антенны
17.19. Проверка функционирования и замена мотора стеклоочистителей
17.20. Снятие и установка комбинации приборов
17.21. Проверка функционирования и замена клаксона
17.22. Описание принципа функционирования и диагностика системы управления скоростью (темпостата)
17.23. Описание принципа действия и диагностика электропривода опускания-поднимания стекол
17.24. Принцип функционирования и проверка центрального замка и системы открывания дверей без ключа
17.25. Принцип действия и проверка исправности электропривода изменения положения сидений
17.26. Принцип действия и проверка исправности электропривода зеркал заднего виде
17.27. Подушка безопасности - общая информация
17.28. Электрические схемы - общая информация
17.29. Расположение и назначение реле и предохранителей
18. Органы управления и приемы эксплуатации
 


17.28. Электрические схемы - общая информация

Так как включение в данное Руководство электрических схем, соответствующих моделям всех лет выпуска, является невозможным, то в данном Разделе собраны и представлены лишь наиболее типичные из схем, требующие частого обращения к ним.

Перед тем как приступать к диагностике неисправностей электрических контуров проверьте состояние предохранителей и прерывателей цепи (если таковые предусмотрены), так как именно их перегорание может явится причиной отказа контура. Удостоверьтесь, что батарея полностью заряжена, а наконечники проводов надежно подсоединены к ее клеммам (Глава Настройки и текущее обслуживание).

В ходе проверки удостоверьтесь в чистоте всех контактов, проследите, чтобы клеммы не оказались обломаны, а их крепление ослаблено. При рассоединении электрических разъемов никогда не тяните за провода - всегда беритесь за корпус разъема.

В таблице ниже представлена карта цветовых кодов проводов, принятых на автомобилях данной марки.

Карта обозначений цветов, принятых при составлении электрических схем в данном Руководстве

Карта цветовых обозначений электропроводки автомобиля

Обозначение цвета

Цвет

Основной цвет трассера

BK

черный

WT (белый)

BR

коричневый

WT

DB

синий

WT

DG

темно-зеленый

WT

GY

серый

BK (черный)

LB

голубой

BK

LG

светло-зеленый

BK

OR

оранжевый

BK

Карта цветовых обозначений электропроводки автомобиля
Обозначение цвета
Цвет
Основной цвет трассера
PK
розовый
BK или WT
RD
красный
WT
TN
золотистый
WT
VT
фиолетовый
WT
WT
белый
BK
YL
желтый
BK
с трассером

Карта обозначений цветов, принятых при составлении электрических схем в данном Руководстве

1
20A
Реле электроприводной антенны и прицепа
2
15A
Лампы стоп-сигналов
3
20A
Лампы аварийной сигнализации
4
15A
Лампы безопасности
5
15A
Внутреннее освещение
6
15A
Предупредительный модуль безопасности
7
15A
Предупредительное реле безопасности, предупредительный модуль безопасности, световой сигнал
8
15A
Потолочная консоль, дистанционное управление замками, память радиоприемника, блок часы/оповещение, единый замок, электропривод зеркал, отопитель и кондиционер воздуха (HVAC) и информационный центр (VIC)
9
20A
Очиститель заднего стекла
10
15A
Радиоприемник
11
15A
Прикуриватель
12
15A
Лампы стояночного света и автоматических фар
13
20A
Реле клаксона
14
20A
Реле единого замка
15
3A
Блок управления и реле ABS
16
20A
Указатели поворотов
17
7.5A
Блок управления отопителя и кондиционера воздуха
18
15A
Блок управления подушек безопасности (SRS)
19
15A
Внутреннее зеркало, автоматика ламп фар, потолочная консоль, модуль информационного центра VIC/GDM, катушка реле подогревателя заднего стекла, реле подсветки входа и модуль оповещения
20
10A
Выключатель подогрева заднего стекла, выключатель повышающей передачи, темпостат
21
15A
Приборная доска, предупредительный модуль безопасности, модуль внешних ламп
22
15A
Блок управления подушек безопасности (SRS), спидометр, тахометр, приборы, измерители
23
15A
Питание подогревателя зеркал, выключатель подогреваемого заднего стекла
24
7.5A
Подсветка приборной панели
25
30A
Тепловое предохранительное реле подогревателя сидений
26
30A
Тепловое предохранительное реле электростеклоподъемников
27
10A
Тепловое предохранительное реле предупредительного модуля безопасности и стеклоочистителя ветрового стекла
28
30A
Тепловое предохранительное реле подогревателя заднего стекла

Типичная схема контура системы заряда

Типичная схема контура системы запуска

Типичная схема контура замка зажигания (1 из 2)

Типичная схема контура замка зажигания (2 из 2)

Типичная схема контура подсветки подкапотного пространства/клаксона

Типичная схема контура осветительных приборов передка автомобиля (1 из 2)

Типичная схема контура осветительных приборов передка автомобиля (2 из 2)

Типичная схема контура выключателя головных фар (1 из 2)

Типичная схема контура выключателя головных фар (2 из 2)

Типичная схема контура выключателя автоматических головных фар (1 из 2)

Типичная схема контура выключателя автоматических головных фар (2 из 2)

Типичная схема контура автоматического переключения режимов (день/ночь) зеркала заднего вида и прикуривателя

Типичная схема контура стеклоочистителей/омывателей (1 из 2)

Типичная схема контура стеклоочистителей/омывателей (2 из 2)

Типичная схема контура прерывателя указателей поворотов/аварийной сигнализации (1 из 2)

Типичная схема контура прерывателя указателей поворота/аварийной сигнализации (2 из 2)

Типичная схема контура магнитолы (1 из 2)

Типичная схема контура магнитолы (2 из 2)

Типичная схема контура комбинации приборов (1 из 4)

Типичная схема контура комбинации приборов (2 из 4)

Типичная схема контура комбинации приборов (3 из 4)

Типичная схема контура комбинации приборов (4 из 4)

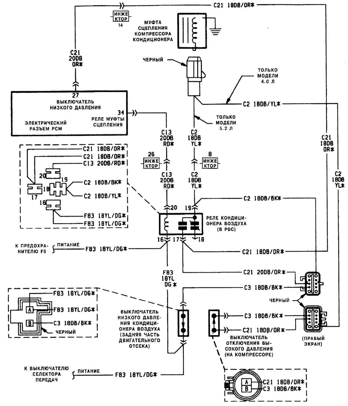
Типичная схема контура реле системы кондиционирования воздуха

Типичная схема контура обогревателя стекла двери задка (1 из 2)

Типичная схема контура обогревателя стекла двери задка (2 из 2)

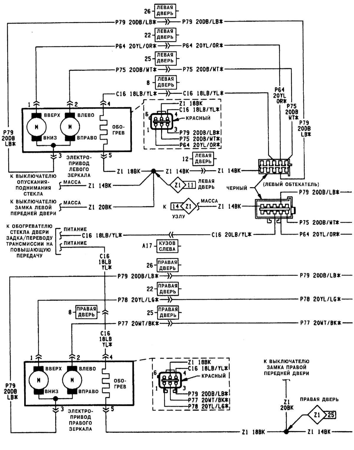
Типичная схема контура электропривода зеркал (1 из 2)

Типичная схема контура электропривода зеркал (2 из 2)

Типичная схема электропривода центрального замка (1 из 2)

Типичная схема электропривода центрального замка (2 из 2)

Типичная схема электропривода опускания-поднимания стекол (1 из 3)

Типичная схема электропривода опускания-поднимания стекол (2 из 3)

Типичная схема электропривода опускания-поднимания стекол (3 из 3)

Типичная схема контура осветительных приборов задка автомобиля (1 из 3)

Типичная схема контура осветительных приборов задка автомобиля (2 из 3)

Типичная схема контура осветительных приборов задка автомобиля (3 из 3)

Типичная схема контура системы впрыска топлива (1 из 6)

Типичная схема контура системы впрыска топлива (2 из 6)

Типичная схема контура системы впрыска топлива (3 из 6)

Типичная схема контура системы впрыска топлива (4 из 6)

Типичная схема контура системы впрыска топлива (5 из 6)

Типичная схема контура системы впрыска топлива (6 из 6)

Схема автоматического кондиционера воздуха (КВ)

Клеммы блока управления К/В C1 — мотор выбора режима ( )
C2 — мотор привода смесительной заслонки (-)
C3 — положение мотора выбора режима
C5 — парковочные огни
C6 — сигнал выбора К/В
C8 — 5В опорное напряжение
C9 — привод вентилятора
C10 — линия обмена данными (прием) ( )
C11 — линия обмена данными (передача) (-)
C12 — питание К/В от зажигания
C13 — цепь батареи через предохранитель/памяти
C14 — положение мотора привода смесительной заслонки
C15 — переключатель систем измерения
D1 — мотор выбора режима ( )
D2 — обратная связь вентилятора
D3 — положение "циркуляция" мотора привода заслонки
D4 — положение "подача свежего воздуха" мотора привода заслонки

D5 — реле высокоскоростного режима вентилятора
D6 — мотор привода смесительной заслонки (-)
D7 — опорное заземление
D9 — возврат датчика кондиционера воздуха/отопителя
D12 — датчик температуры наружного воздуха
D13 — подсветка приборов
D14 — датчик температуры наружного воздуха
D15 — датчик солнечного излучения

Выводы блока управления двигателем (PCM)
26 — линия обмена данными (прием) ( )
27 — линия обмена данными (передача) (-)
28 — выбор К/В
34 — реле сцепления К/В
27 — датчик -выключатель низкого давления


« предыдущая страница
17.27. Подушка безопасности - общая информация
^
к оглавлению
следующая страница »
17.29. Расположение и назначение реле и предохранителей

Copyright © 2026 Все права защищены. Все торговые марки являются собственностью их владельцев.