поиск в избранное карта сайта
  KIA РЕМОНТ ОБСЛУЖИВАНИЕ ЭКСПЛУАТАЦИЯ АВТОМОБИЛЕЙ
Киа Кларус. KIA Clarus (с 1995 года выпуска)

полные технические характеристики. диагностика. электросхемы
 
Главная
 
KIA
Clarus
1. Техническое обслуживание
2. Двигатели FE DOHC и Т8 DOHC
3. Система смазки
4. Система охлаждения
5. Системы питания и выпуска
6. Топливная система
7. Система зажигания
7.1. Технические данные
7.2. Проверка искрообразования
7.3. Свечи зажигания
7.4. Проверка свечей зажигания
7.5. Высоковольтные провода
7.6. Катушка зажигания
7.7. Распределитель зажигания
7.8. Поиск и устранение неисправностей
8. Сцепление
9. Механическая коробка передач
10. АКП G4A–EL
11. АКП 50–40 LE
12. Оси и приводные валы
13. Рулевое управление
14. Колеса и шины
15. Подвеска
16. Кузов
17. Система кондиционирования
18. Электрическое оборудование
19. Тормозная система
20. Электрические схемы
 


7.7. Распределитель зажигания

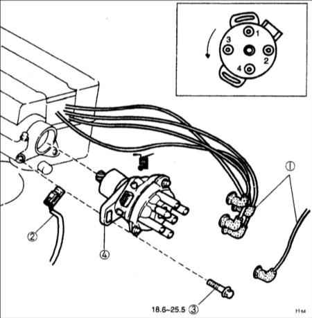
Элементы крепления распределителя зажигания на двигателе FE DOHC

1 – высоковольтные провода;
2 – электрический разъем распределителя зажигания;
3 – болт;
4 – распределитель зажигания.

Снятие и установка

ПОРЯДОК ВЫПОЛНЕНИЯ
1. Отсоедините провод от отрицательной клеммы аккумуляторной батареи.
2. Отсоедините электрический разъем от распределителя зажигания.
3. Отсоедините высоковольтные провода от распределителя зажигания.
4. Выверните болты крепления распределителя зажигания.
5. Установка проводится в последовательности, обратной снятию.
6. При необходимости установите новое уплотнительное кольцо распределителя зажигания.
7. Смажьте новое уплотнительное кольцо моторным маслом.
8. При установке совместите лопасти распределителя зажигания и пазы распределительного вала.

« предыдущая страница
7.6. Катушка зажигания
^
к оглавлению
следующая страница »
7.8. Поиск и устранение неисправностей

Copyright © 2026 Все права защищены. Все торговые марки являются собственностью их владельцев.