| 1. Снимите распределительные валы.
|
| 2. Снимите картер распределительных
валов.
|
| 3. Снимите форсунки.
|
| 4. Снимите оболочку для комплекта
проводов двигателя у передней стенки кузова.
|
| 5. Привинтите опорную перегородку
с подвижной деталью рычажного толкателя к головке блока цилиндров.
Для этого можно использовать болты картера распределительных валов
(М7х42).
|
| 6. С помощью гаечного ключа с насадкой
установите поршень соответствующего цилиндра в положение ВМТ. 4-цилиндровый
двигатель: при положении в ВМТ ременного шкива поршни цилиндров 1
и 4 стоят в ВМТ. При совпадении 180° метки ременного шкива с меткой
на картере в положении ВМТ находятся поршни цилиндров 3 и 4. |
 |
7. 5-цилиндровый двигатель: при
положении ВМТ ременного шкива в мертвой точке находится поршень цилиндра
1. После поворота коленчатого вала на угол 144°, соответственно, в
ВМТ устанавливается поршень следующего цилиндра в последовательности
(1–2–4–5–3). |
| Указание: можно, например, нанести на ременный
шкив четыре дополнительных метки, соответственно на расстоянии 72°.
После замены маслоотражательных колпачков 1-го цилиндра вращайте коленвал,
пока метка 2 не станет напротив отметки на картере. При этом поршень
цилиндра 2 установится в ВМТ. Замените маслоотражательные колпачки
2-го цилиндра. После этого прокрутите двигатель до отметки (4). Теперь
в ВМТ окажется поршень 4-го цилиндра. Таким образом можно последовательно
устанавливать поршни в ВМТ. |
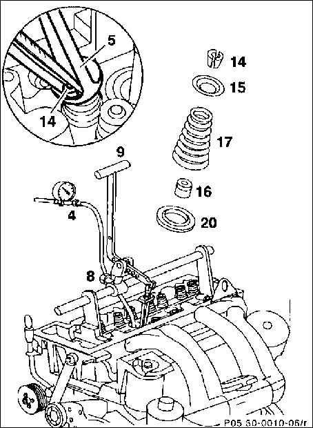
8. Положение ВМТ соответствующего
цилиндра можно устанавливать также с помощью электродной проволоки.
Для этого проденьте электродную проволоку в отверстие форсунки цилиндра
2 (поршень цилиндра 2 находится с ВМТ). С помощником медленно прокручивайте
коленвал в направлении его вращения и следите за положением проволоки
в процессе вращения. Как только проволока займет наивысшее положение,
поршень устанавливается в ВМТ.
Предупреждение
При вращении
коленчатого вала высоко держите цепь управления, чтобы ее не заклинило.
|
| 9. Навесьте рычажный толкатель (9).
|
| 10. Застопорите коленчатый вал,
для чего установите первую передачу и затяните стояночный тормоз.
|
| 11. В камере сжатия цилиндра создайте
избыточное давление минимум 5 бар (около 5 атм.). Для этого вкрутите
подсоединительный шланг (4) прибора контроля герметичности цилиндра
с соединительной деталью Mercedes-604 589 006300 в предкамеру (отверстие
форсунки). |
| 12. Через шланг сжатого воздуха
поддерживайте постоянно в цилиндре избыточное давление, по меньшей
мере, 5 бар. |
 |
13. Установите нажимную деталь
(5) рычажного толкателя (9) на тарелку клапанной пружины. Сориентируйте
нажимную и подвижную детали параллельно друг другу. Зафиксируйте подвижную
деталь болтом (8). |
14. Снимите пружину клапана.
Предупреждение
Клапанную пружину
не снимайте без использования сжатого воздуха, иначе могут возникнуть
повреждения клапана и поршня.
|
| 15. Снимите со стержня клапана детали
штока клапана (14) с помощью пинцета или магнита. |
| 16. Извлеките тарелку клапана (15)
и пружину клапана (17). |
 |
17. Снимите маслоотражательный
колпачок со стержня клапана (16) с помощью специальной цанги (03),
например, HAZET 791-6. |
Предупреждение
Не повредите
стержень клапана и направляющую клапана!
|
| 18. Снимите нижнюю пружинную тарелку
(20) и проверьте на отсутствие повреждений, при необходимости, замените.
|
| 19. Если нужно, зачистите канавку
стержня мелкозернистым наждачным полотном. |
| 20. Проверьте износ направляющих
клапанов в области прилегания к ним колпачков. Если не обеспечивается
плотная посадка маслоотражательных колпачков, следует заменить их
направляющие (работа для ремонтной мастерской). |