поиск в избранное карта сайта
  Mitsubishi РЕМОНТ ОБСЛУЖИВАНИЕ ЭКСПЛУАТАЦИЯ АВТОМОБИЛЕЙ
Мицубиси Галант. Mitsubishi Galant (с 1990 по 2001 год выпуска)

полные технические характеристики. диагностика. электросхемы
 
Главная
 
Mitsubishi
Galant
1. Введение
2. Органы управления
3. Настройки и текущее обслуживание
4. Двигатель
5. Системы охлаждения и отопления
6. Системы питания и выпуска
7. Электрооборудование двигателя
8. Системы управления двигателем
9. Ручная коробка передач
10. Сцепление и трансмиссионная линия
11. Тормозная система
12. Подвеска и рулевое управление
13. Кузов
14. Бортовое электрооборудование
14.1. Спецификации
14.2. Поиск причин отказов электрооборудования
14.3. Электрические разъемы - общие сведения
14.4. Защита электрических контуров
14.5. Реле - общая информация и проверка исправности функционирования
14.6. Проверка исправности функционирования и замена прерывателя указателей поворотов / аварийной сигнализации
14.7. Снятие и установка подрулевых комбинированных переключателей и выключателя замка зажигания
14.8. Снятие и установка выключателей
14.9. Снятие и установка блок-фар герметичного типа
14.10. Регулировка направления оптических осей головных фар
14.11. Замена ламп осветительных приборов
14.12. Снятие и установка комбинации приборов
14.13. Замена измерителей комбинации приборов
14.14. Система управления скоростью (темпостат) - общая информация и диагностика отказов
14.15. Система дополнительной безопасности (SRS) - общая информация и меры предосторожности
14.16. Снятие и установка магнитолы / CD-проигрывателя
14.17. Снятие и установка CD-чейнджера
14.18. Снятие и установка громкоговорителей
14.19. Снятие и установка рычагов стеклоочистителей
14.20. Снятие и установка электромотора привода стеклоочистителей
14.21. Схемы электрических соединений - общая информация
14.22. Схемы электрических соединений
14.22.1. Система управления двигателем, модели Galant 2.0 л SOHC 1990 - 1992 г.г. вып.
14.22.2. Система управления двигателем, модели Galant 2.0 л SOHC 1993 г. вып.
14.22.3. Система управления двигателем, модели Galant 2.0 л DOHC 1990 г. вып.
14.22.4. Система управления двигателем, модели Galant 2.0 л DOHC 1991 - 1993 г.г. вып.
14.22.5. Система управления двигателем, модели Galant 2.4 л SOHC 1994 г. вып.
14.22.6. Система управления двигателем, модели Galant 2.4 л DOHC 1994 г. вып.
14.22.7. Система управления двигателем, модели Galant 2.4 л 1996 - 2000 г.г. вып.
14.22.8. Система управления двигателем, модели Mirage 1.5 л 1993 - 1996 г.г. вып.
14.22.9. Система управления двигателем, модели Mirage 1.8 л 1993 - 1996 г.г. вып.
14.22.10. Система управления двигателем, модели Mirage 1.5 л 1997 - 2000 г.г. вып.
14.22.11. Система управления двигателем, модели Mirage 1.8 л 1997 - 2000 г.г. вып.
14.22.12. Система управления двигателем, модели Diamante 3.0 л SOHC 1992 - 1993 г.г. вып.
14.22.13. Система управления двигателем, модели Diamante 3.0 л SOHC 1994 - 1995 г.г. вып.
14.22.14. Система управления двигателем, модели Diamante 3.0 л DOHC 1992 - 1993 г.г. вып.
14.22.15. Система управления двигателем, модели Diamante 3.0 л DOHC 1994 - 1995 г.г. вып.
14.22.16. Система управления двигателем, модели Diamante 3.5 л 1996 - 2000 г.г. вып.
14.22.17. Система запуска, модели Galant / Mirage 1990 - 1995 г.г. вып.
14.22.18. Система зарядки, модели Galant 1990 - 1993 г.г. вып.
14.22.19. Вентилятор охлаждения, модели Galant 1990 - 1993 г.г. вып.
14.22.20. Фары, модели Galant 1990 - 1993 г.г. вып.
14.22.21. Задние фонари / Парковочный свет, модели Galant 1990 - 1993 г.г. вып.
14.22.22. Фонари заднего хода, стоп-сигналы, клаксон, модели Galant 1990 - 1993 г.г. вып.
14.22.23. Указатели поворотов, модели Galant 1990 - 1993 г.г. вып.
14.22.24. Электростеклоподъемники, модели Galant 1990 - 1993 г.г. вып.
14.22.25. Электростеклоподъемники с ETACS, модели Galant 1990 - 1993 г.г. вып.
14.22.26. Стеклоочистители / омыватели, модели Galant 1990 - 1993 г.г. вып.
14.22.27. Стеклоочистители / омыватели с ETACS, модели Galant 1990 - 1993 г.г. вып.
14.22.28. Единый замок, модели Galant 1990 - 1993 г.г. вып.
14.22.29. Единый замок с ETACS, модели Galant 1990 - 1993 г.г. вып.
14.22.30. Система запуска, модели Galant 1996 - 2000 г.г. вып.
14.22.31. Система заряда, модели Galant 1994 - 2000 г.г. вып.
14.22.32. Система заряда, модели Galant 1994 - 2000 г.г. вып.
14.22.33. Фары, модели Galant 1994 - 2000 г.г. вып.
14.22.34. Задние фонари, модели Galant 1994 - 2000 г.г. вып.
14.22.35. Стоп-сигналы, фонари заднего хода, клаксон, модели Galant 1994 - 2000 г.г. вып.
14.22.36. Указатели поворотов, модели Galant 1994 - 2000 г.г. вып.
14.22.37. Электростеклоподъемники, модели Galant 1994 - 2000 г.г. вып.
14.22.38. Стеклоочистители / омыватели, модели Galant 1994 - 2000 г.г. вып.
14.22.39. Единый замок с ETACS, модели Galant 1994 г. вып.
14.22.40. Единый замок, модели Galant 1994 - 2000 г.г. вып.
14.22.41. Стартер, модели Diamante 1992 - 2000 г.г. вып.
14.22.42. Генератор, модели Diamante 1992 - 1995 г.г. вып.
14.22.43. Электрооборудование системы охлаждения, модели Diamante 1992 - 1993 г.г. вып.
14.22.44. Электрооборудование системы охлаждения, модели Diamante 1994 - 1995 г.г. вып.
14.22.45. Фары, модели Diamante 1992 - 1995 г.г. вып.
14.22.46. Задние фонари, фонари заднего хода, модели Diamante 1992 - 1995 г.г. вып.
14.22.47. Указатели поворотов, модели Diamante 1992 - 1995 г.г. вып.
14.22.48. Стоп-сигналы, клаксон, модели Diamante 1992 - 2000 г.г. вып.
14.22.49. Электростеклоподъемники, модели Diamante 1992 - 1995 г.г. вып.
14.22.50. Стеклоочиститель / омыватель, модели Diamante 1992 - 1995 г.г. вып.
14.22.51. Единый замок, модели Diamante 1992 - 1993 г.г. вып.
14.22.52. Единый замок, модели Diamante 1994 - 1995 г.г. вып.
14.22.53. Электрооборудование системы охлаждения, модели Diamante 1996 - 2000 г.г. вып.
14.22.54. Задние фонари, модели Diamante 1996 - 2000 г.г. вып.
14.22.55. Указатели поворотов, модели Diamante 1996 - 2000 г.г. вып.
14.22.56. Стеклоподъемники, модели Diamante 1996 - 2000 г.г. вып.
14.22.57. Единый замок, модели Diamante 1996 - 2000 г.г. вып.
14.22.58. Фары, модели Diamante 1992 - 1995 г.г. вып.
14.22.59. Стеклоочиститель / омыватель, модели Diamante 1996 - 2000 г.г. вып.
14.22.60. Электрооборудование системы охлаждения, модели Mirage 1993 - 1996 г.г. вып.
14.22.61. Электрооборудование системы охлаждения, модели Mirage 1.5 л 1993 г. вып.
14.22.62. Электрооборудование системы охлаждения, модели Mirage 1.5 л 1994 - 1996 г.г. вып.
14.22.63. Электрооборудование системы охлаждения, модели Mirage 1.8 л 1993 г. вып.
14.22.64. Электрооборудование системы охлаждения, модели Mirage 1.8 л 1994 - 1996 г.г. вып.
14.22.65. Фары, модели Mirage 1993 - 1996 г.г. вып.
14.22.66. Задние фонари, модели Mirage 1993 - 1996 г.г. вып.
14.22.67. Указатели поворотов, модели Mirage 1993 - 1996 г.г. вып.
14.22.68. Стоп-сигналы, фонари заднего хода, клаксон, модели Mirage 1993 - 1996 г.г. вып.
14.22.69. Стеклоподъемники, модели Mirage 1993 - 1996 г.г. вып.
14.22.70. Стеклоочистители / омыватели, модели Mirage 1993 - 1996 г.г. вып.
14.22.71. Единый замок, модели Mirage 1993 - 1996 г.г. вып.
14.22.72. Стартер, модели Mirage 1997 - 2000 г.г. вып.
14.22.73. Генератор, модели Mirage 1997 - 2000 г.г. вып.
14.22.74. Электрооборудование системы охлаждения, модели Mirage 1997 - 2000 г.г. вып.
14.22.75. Фары, модели Mirage 1997 - 2000 г.г. вып.
14.22.76. Задние фонари / парковочные фонари, модели Mirage 1997 - 2000 г.г. вып.
14.22.77. Указатели поворотов, модели Mirage 1997 - 2000 г.г. вып.
14.22.78. Стоп-сигналы, фонари заднего хода, клаксон, модели Mirage 1997 - 2000 г.г. вып.
14.22.79. Стеклоподъемники, модели Mirage 1997 - 2000 г.г. вып.
14.22.80. Стеклоочистители / омыватели, модели Mirage 1997 - 2000 г.г. вып.
14.22.81. Единый замок, модели Mirage 1997 - 2000 г.г. вып.
14.22.82. Кондиционер воздуха, модели Galant 2.4 л. 2000 г. выпуска
14.22.83. Кондиционер воздуха, модели Galant 3.0 л. 2000 г. выпуска
14.22.84. ABS, модели Galant 2000 г. выпуска
14.22.85. Противоугонная сигнализация, модели Galant 2000 г. выпуска
14.22.86. Иммобилизатор, модели Galant 2000 г. выпуска
14.22.87. Линии данных процессора. Диагностический разъем, модели Galant 2000 г. выпуска
14.22.88. Бортовой компьютер, модели Galant 2000 г. выпуска
14.22.89. Темпостат, модели Galant 2000 г. выпуска
14.22.90. Обогреватель заднего стекла, модели Galant 2000 г. выпуска
14.22.91. Приборная панель, модели Galant 2000 г. выпуска
14.22.92. Подсветка приборной панели, модели Galant 2000 г. выпуска
14.22.93. Привод управления зеркалами, модели Galant 2000 г. выпуска
14.22.94. Привод управления сиденьями, модели Galant 2000 г. выпуска
14.22.95. Привод управления люком крыши, модели Galant 2000 г. выпуска
14.22.96. Предупредительная система, модели Galant 2000 г. выпуска
14.22.97. Радио, для моделей с усилителем, модели Galant 2000 г. выпуска
14.22.98. Радио, для моделей без усилителя, модели Galant 2000 г. выпуска
14.22.99. Система обеспечения безопасности (SRS), модели Galant 2000 г. выпуска
 


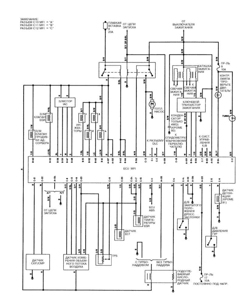
14.22.4. Система управления двигателем, модели Galant 2.0 л DOHC 1991 - 1993 г.г. вып.


« предыдущая страница
14.22.3. Система управления двигателем, модели Galant 2.0 л DOHC 1990 г. вып.
^
к оглавлению
следующая страница »
14.22.5. Система управления двигателем, модели Galant 2.4 л SOHC 1994 г. вып.

Copyright © 2026 Все права защищены. Все торговые марки являются собственностью их владельцев.