поиск в избранное карта сайта
  Opel РЕМОНТ ОБСЛУЖИВАНИЕ ЭКСПЛУАТАЦИЯ АВТОМОБИЛЕЙ
Опель Омега Б. Opel Omega B (с 1993 по 1999 год выпуска)

полные технические характеристики. диагностика. электросхемы
 
Главная
 
Opel
Omega B
1. Инструкция по эксплуатации
2. Техническое обслуживание
3. Ремонт двигателей
4. Системы обогрева и вентиляции
5. Топливная, выхлопная системы
6. Система запуска двигателя
7. Система зажигания
8. Сцепление
9. Коробки передач
10. Главная передача, полуоси
11. Тормозная система
12. Подвеска и рулевое управление
13. Кузов
14. Электрооборудование кузова
14.1. Технические характеристики
14.2. Отыскание источника неисправности в системе электрооборудования
14.3. Предохранители и реле
14.4. Выключатели
14.5. Лампочки (внешних осветительных приборов)
14.6. Лампочки (внутреннее освещение)
14.7. Внешние осветительные приборы
14.8. Регулировка фар головного света
14.9. Приборный щиток
14.10. Элементы приборного щитка
14.11. Часы / многофункциональный дисплей
14.12. Зажигалка
14.13. Система регулировки ксеноновых фар
14.14. Рожки звукового сигнала
14.15. Рычаги стеклоочистителей
14.16. Двигатель, соединительный механизм стеклоочистителя ветрового стекла
14.17. Двигатель стеклоочистителя заднего стекла
14.18. Омыватели ветрового стекла / заднего стекла / фар головного света
14.19. Радиоприемник / кассетный / CD-проигрыватель
14.20. Динамики
14.21. Радиоантенна
14.22. Система противоугонной сигнализации и иммобилайзер двигателя
14.23. Система воздушных подушек безопасности
14.24. Элементы системы воздушных подушек безопасности
14.25. Элементы системы круиз-контроля
14.26. Схемы электрооборудования
14.26.1. Пояснения к электросхемам
14.26.2. Индекс цепей 100-1199 (ранние модели)
14.26.3. Индекс цепей 100-1699 (поздние модели)
14.26.4. Ключи к схемам ранних моделей
14.26.5. Ключи к схемам поздних моделей
14.26.6. Ранние модели
14.26.7. Поздние модели
14.26.7.1. Цепи 100-199
14.26.7.2. Цепи 200-299
14.26.7.3. Цепи 300-399
14.26.7.4. Цепи 400-499
14.26.7.5. Цепи 500-599
14.26.7.6. Цепи 600-699
14.26.7.7. Цепи 700-799
14.26.7.8. Цепи 800-899
14.26.7.9. Цепи 900-999
 


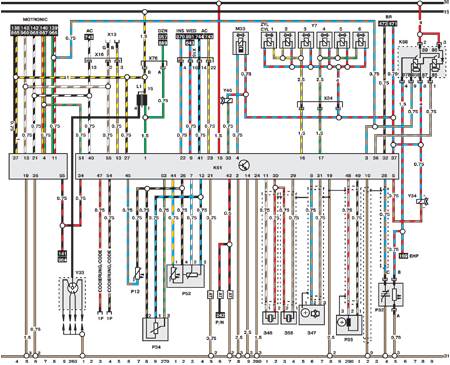
14.26.7.2. Цепи 200-299



« предыдущая страница
14.26.7.1. Цепи 100-199
^
к оглавлению
следующая страница »
14.26.7.3. Цепи 300-399

Copyright © 2026 Все права защищены. Все торговые марки являются собственностью их владельцев.