поиск в избранное карта сайта
  Opel РЕМОНТ ОБСЛУЖИВАНИЕ ЭКСПЛУАТАЦИЯ АВТОМОБИЛЕЙ
Опель Вектра Б. Opel Vectra B (с 1995 года выпуска)

полные технические характеристики. диагностика. электросхемы
 
Главная
 
Opel
Vectra B
1. Инструкция по эксплуатации
2. Техническое обслуживание
3. Двигатели
4. Отопление, вентиляция
5. Топливная система
6. Системы запуска, зажигания
7. Трансмиссия
8. Тормозная система
9. Ходовая часть
10. Кузов
11. Электрооборудование
11.1. Электрическое оборудование
11.2. Электросхемы
11.2.1. Сокращения на электросхемах, идентификация проводов, цветовой код
11.2.2. Ключ к электросхемам
11.2.3. Электрическая схема автомобиля Opel Vectra. Трасса 100 - 200
11.2.4. Электрическая схема автомобиля Opel Vectra. Трасса 200 - 300
11.2.5. Электрическая схема автомобиля Opel Vectra. Трасса 300 - 400
11.2.6. Электрическая схема автомобиля Opel Vectra. Трасса 400 - 500
11.2.7. Электрическая схема автомобиля Opel Vectra. Трасса 500 - 600
11.2.8. Электрическая схема автомобиля Opel Vectra. Трасса 600 - 700
11.2.9. Электрическая схема автомобиля Opel Vectra. Трасса 700 - 800
11.2.10. Электрическая схема автомобиля Opel Vectra. Трасса 800 - 900
11.2.11. Электрическая схема автомобиля Opel Vectra. Трасса 900 - 1000
11.2.12. Электрическая схема автомобиля Opel Vectra. Трасса 1000 - 1100
11.2.13. Электрическая схема автомобиля Opel Vectra. Трасса 1100 - 1200
11.2.14. Электрическая схема автомобиля Opel Vectra. Трасса 1200 - 1300
11.2.15. Электрическая схема автомобиля Opel Vectra. Трасса 1300 - 1400
11.2.16. Электрическая схема автомобиля Opel Vectra. Трасса 1400 - 1500
11.2.17. Электрическая схема автомобиля Opel Vectra. Трасса 1500 - 1600
11.2.18. Электрическая схема автомобиля Opel Vectra. Трасса 1600 - 1700
11.2.19. Электрическая схема автомобиля Opel Vectra. Трасса 1700 - 1800
11.2.20. Электрическая схема автомобиля Opel Vectra. Трасса 1800 - 1900
12. Основные неисправности
 


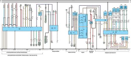
11.2.12. Электрическая схема автомобиля Opel Vectra. Трасса 1000 - 1100


« предыдущая страница
11.2.11. Электрическая схема автомобиля Opel Vectra. Трасса 900 - 1000
^
к оглавлению
следующая страница »
11.2.13. Электрическая схема автомобиля Opel Vectra. Трасса 1100 - 1200

Copyright © 2026 Все права защищены. Все торговые марки являются собственностью их владельцев.