поиск в избранное карта сайта
  Skoda РЕМОНТ ОБСЛУЖИВАНИЕ ЭКСПЛУАТАЦИЯ АВТОМОБИЛЕЙ
Шкода Октавия. Skoda Octavia (с 1996 года выпуска)

полные технические характеристики. диагностика. электросхемы
 
Главная
 
Skoda
Octavia
1. Техническое обслуживание
2. Кузов
3. Агрегат привода
4. Сцепление
5. Коробки передач
6. Топливная система
7. Система охлаждения
8. Выхлопная система
9. Ходовая часть
10. Колеса и шины
11. Тормоза
12. Электросхемы
12.1. Структура принципиальных схем электрооборудования
12.2. Символы, встречающиеся в схемах соединений
12.3. Пояснения к символам
12.4. Основная схема –"OCTAVIA", начиная с августа 1996 г.
12.5. 1,6 л – "1AV" / 55 кВт, тип двигателя "AEE", начиная с августа 1996 г
12.6. 1,8 л - "Motronic" / 92 кВт, тип двигателя "AGN", начиная с августа 1996 г.
12.7. 1,8 л –"TDI" / 66 кВт, тип двигателя "AGR", начиная с августа 1996 г.
12.7.1. Стартер, генератор, вентилятор охлаждения, коробка предохранителей
12.7.2. Блок управления двигателем 1,9 "TDI", рециркуляция ОГ и ограничение наддува
12.7.3. Блок управления двигателем 1,9 "TDI", датчик частоты вращения вала двигателя
12.7.4. Блок управления двигателем 1,9 "TDI", датчик положения регулирующей заслонки
12.7.5. Блок управления двигателем 1,9 "TDI", выключатели педалей управления
12.7.6. Коробка предохранителей, датчик спидометра
 


12.7.2. Блок управления двигателем 1,9 "TDI", рециркуляция ОГ и ограничение наддува

ОБЩИЕ СВЕДЕНИЯ

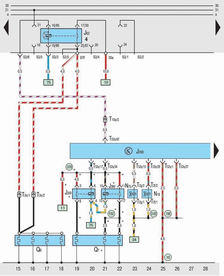
Блок управления двигателем 1,9

J52 – реле свечей накаливания;
J248 – блок управления двигателем 1,9 "TDI";
J359 – реле 1 свечи накаливания для обогрева охлаждающей жидкости;
J360– реле 2свечей накаливания для обогрева охлаждающей жидкости;
N18 – электромагнитный клапан для рециркуляции ОГ;
N75 – электромагнитный клапан для ограничения давления наддува;
Q6 – свечи накаливания;
Q7 – свечи накаливания для обогрева охлаждающей жидкости;
T2e – двухконтактный штекерный разъем, в кабельном канале слева (черный);
T2f – двухконтактный штекерный разъем, на электромагнитном клапане для рециркуляции ОГ;
T2g – двухконтактный штекерный разъем, на электромагнитном клапане для ограничения давления наддува;
T10a – десятиконтактный штекерный разъем, в водонепроницаемом кожухе (белый);
T52a – 52-контактный штекерный разъем, на блоке управления двигателем 1,9 "TDI";
10 – точка соединения на "массу" в водонепроницаемом кожухе;
156 – соединение на "массу" в жгуте проводов для двигателя;
D78 – соединение с положительным полюсом (30a) в жгуте проводов для двигателя;
D102 – соединение с положительным полюсом (87a) в жгуте проводов для двигателя;
F32 – соединение в жгуте проводов для двигателя;

* – лишь для автомобилей со специальным обобрудованием


« предыдущая страница
12.7.1. Стартер, генератор, вентилятор охлаждения, коробка предохранителей
^
к оглавлению
следующая страница »
12.7.3. Блок управления двигателем 1,9 "TDI", датчик частоты вращения вала двигателя

Copyright © 2026 Все права защищены. Все торговые марки являются собственностью их владельцев.