поиск в избранное карта сайта
  Suzuki РЕМОНТ ОБСЛУЖИВАНИЕ ЭКСПЛУАТАЦИЯ АВТОМОБИЛЕЙ
Сузуки Лиана. Suzuki Liana (с 2002 года выпуска)

полные технические характеристики. диагностика. электросхемы
 
Главная
 
Suzuki
Liana
1. Эксплуатация и техническое обслуживание автомобиля
2. Двигатель
3. Трансмиссия
4. Ходовая часть
4.1. Диагностика неисправностей подвески, дисков и шин
4.2. Колеса и шины
4.3. Передняя подвеска
4.3.1. Регулировка углов установки передних колес
4.3.2. Проверка и регулировка углов установки передних колес
4.3.3. Проверка и регулировка углов поворота управляемых колес
4.3.4. Снятие и установка штанги стабилизатора передней подвески и/или втулок
4.3.5. Проверка штанги стабилизатора передней подвески, втулка и/или шарнир
4.3.6. Снятие и установка стойки передней подвески в сборе
4.3.7. Разборка и сборка стойки передней подвески в сборе
4.3.8. Проверка стойки передней подвески в сборе
4.3.9. Снятие и установка ступицы переднего колеса и поворотного кулака
4.3.10. Разборка и сборка ступицы переднего колеса и поворотного кулака
4.3.11. Снятие и установка рычага подвески / втулки
4.3.12. Разборка и сборка рычага подвески / втулки
4.3.13. Снятие и установка подрамника передней подвески
4.4. Задняя подвеска
4.5. Таблицы
5. Рулевой механизм
6. Тормозная система
7. Бортовое электрооборудование
8. Кузов
9. Схемы электрооборудования
 


4.3.2. Проверка и регулировка углов установки передних колес

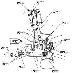
Конструкция передней подвески
Рис. 4.15. Конструкция передней подвески: 1 – стойка в сборе; 2 – стабилизатор поперечной устойчивости; 3 – поворотный кулак; 4 – колесо; 5 – рычаг подвески; 6 – кузов автомобиля; 7 – приводной вал; 8 – тяга; 9 – тормозной диск; 10 – резиновая крышка; 11 – муфта стабилизатора поперечной устойчивости; 12 – момент затяжки; 13 – не использовать повторно



Подготовка к проверке и регулировке схождения
Установите автомобиль в ненагруженном состоянии на горизонтальной поверхности.
Установите рулевое колесо в положение, соответствующее прямолинейному движению.
Проверьте давление в шинах и при необходимости доведите до нормы, проверьте состояние дисков.
Проверьте состояние элементов подвески, они не должны иметь повреждений, деформации, значительного износа.
Проверьте величину дорожного просвета слева и справа.

Проверка

Измерение схождения с помощью шаблона
Рис. 4.16. Измерение схождения с помощью шаблона


Измерьте схождение шаблоном для измерения схождения колес 1 (рис. 4.16).
Схождение должно быть в следующих пределах.
Если схождение не соответствует норме, отрегулируйте его.
Схождение: 2,0 +2 мм.

Регулировка

Регулировка схождения
Рис. 4.17. Регулировка схождения


Ослабьте контргайки правого и левого наконечников рулевых тяг 1 (рис. 4.17).
Вращайте правую и левую тяги 2 на то же самое количество оборотов для приведения схождения в норму. При этом правая и левая тяги 2 должны иметь равные длины «A».

ПРИМЕЧАНИЕ
Перед вращением тяг 2 нанесите консистентную смазку между тягами и чехлами рейки так, чтобы при вращении не произошло деформации чехлов.

После регулировки, затяните контргайки 1 номинальным усилием затяжки.
Момент затяжки контргайки наконечника рулевой тяги (a): 45 Н·м.

ПРИМЕЧАНИЕ
Удостоверьтесь, что чехлы рейки не перекручены.

« предыдущая страница
4.3.1. Регулировка углов установки передних колес
^
к оглавлению
следующая страница »
4.3.3. Проверка и регулировка углов поворота управляемых колес

Copyright © 2026 Все права защищены. Все торговые марки являются собственностью их владельцев.