поиск в избранное карта сайта
  Suzuki РЕМОНТ ОБСЛУЖИВАНИЕ ЭКСПЛУАТАЦИЯ АВТОМОБИЛЕЙ
Сузуки Лиана. Suzuki Liana (с 2002 года выпуска)

полные технические характеристики. диагностика. электросхемы
 
Главная
 
Suzuki
Liana
1. Эксплуатация и техническое обслуживание автомобиля
2. Двигатель
3. Трансмиссия
4. Ходовая часть
5. Рулевой механизм
6. Тормозная система
7. Бортовое электрооборудование
8. Кузов
9. Схемы электрооборудования
9.1. Схема источника питания (часть 1)
9.2. Схема источника питания (часть 2)
9.3. Принципиальная схема системы пуска
9.4. Схема системы зарядки
9.5. Схема системы зажигания
9.6. Схема системы охлаждения
9.7. Схема системы управления кондиционирования воздуха (часть 1)
9.8. Схема системы управления кондиционирования воздуха (часть 2)
9.9. Схема системы управления кондиционирования воздуха (часть 3)
9.10. Схема системы управления кондиционирования воздуха (часть 4)
9.11. Схема системы управления автоматической коробки передач (часть 1)
9.12. Схема системы управления автоматической коробки передач (часть 2)
9.13. Схема системы управления иммобилайзера
9.14. Схема очистителя и омывателя ветрового стекла
9.15. Схема очистителя и омывателя заднего стекла (с выключателем на приборной панели)
9.16. Схема очистителя и омывателя заднего стекла (с переключателем на рулевой колонке)
9.17. Схема системы обогрева заднего стекла (хетчбек)
9.18. Схема системы обогрева заднего стекла (седан)
9.19. Схема стеклоподъемников с сервоприводом (часть 1)
9.20. Схема стеклоподъемников с сервоприводом (часть 2)
9.21. Схема замка двери с сервоприводом (часть 1)
9.22. Схема замка двери с сервоприводом (часть 2)
9.23. Схема системы сервопривода наружных зеркал заднего вида
9.24. Схема звуковго сигнала
9.25. Схема подогрева сидений
9.26. Схема комбинации приборов (часть 1)
9.27. Схема комбинации приборов (индикаторы) (часть 2)
9.28. Схема комбинации приборов (лампа аврийной сигнализации (седан)) (часть 3)
9.29. Схема комбинации приборов (контрольные лампы (седан)) (часть 4)
9.30. Схема комбинации приборов (контрольные лампы (седан)) (часть 5)
9.31. Схема комбинации приборов (контрольные лампы (хетчбек)) (часть 6)
9.32. Схема комбинации приборов (Контрольные лампы(хетчбек)) 7
9.33. Схема головного освещения
9.34. Схема заднего света и освещения номерного знака
9.35. Cхема противотуманных фар
9.36. Cхема освещения салона
9.37. Схема указателей поворота и аварийной сигнализации
9.38. Cхема сигналов торможения
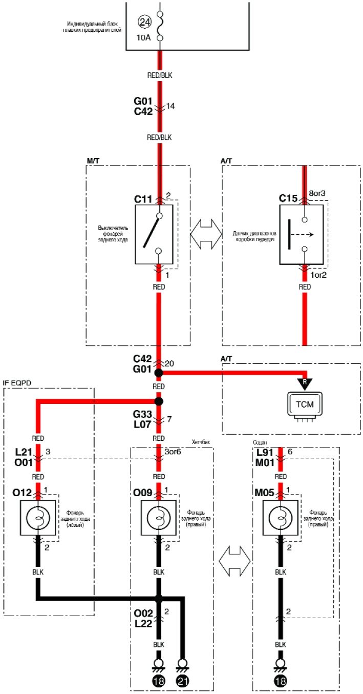
9.39. Cхема фонарей заднего хода
9.40. Схема корректора фар
9.41. Схема заднего противотуманного фонаря (часть 1)
9.42. Схема заднего противотуманного фонаря (часть 2)
9.43. Схема системы отопления и кондиционирования воздуха
9.44. Схема системы автоматического кондиционировния воздуха (часть 1)
9.45. Схема системы автоматического кондиционировния воздуха (часть 2)
9.46. Схема системы управления надувными подушками безопасности (часть 1)
9.47. Схема системы управления надувными подушками безопасности (часть 2)
9.48. Схема антиблокировочной системы тормозов (часть 1)
9.49. Схема антиблокировочной системы тормозов (часть 2)
 


9.39. Cхема фонарей заднего хода

Cхема фонарей заднего хода

« предыдущая страница
9.38. Cхема сигналов торможения
^
к оглавлению
следующая страница »
9.40. Схема корректора фар

Copyright © 2026 Все права защищены. Все торговые марки являются собственностью их владельцев.