поиск в избранное карта сайта
  Volkswagen РЕМОНТ ОБСЛУЖИВАНИЕ ЭКСПЛУАТАЦИЯ АВТОМОБИЛЕЙ
Фольксваген Пассат Б6. Volkswagen Passat B6 (с 2004 года выпуска)

полные технические характеристики. диагностика. электросхемы
 
Главная
 
Volkswagen
Passat B6
1. Эксплуатация и техническое обслуживание автомобиля
2. Двигатель
2.1. Общие сведения
2.2. Механическая часть (двигатель объемом 1,6 л)
2.3. Система смазки
2.4. Система охлаждения
2.5. Система впрыска топлива
2.6. Механическая часть (бензиновые двигатели объемом 2,0 л)
2.7. Система смазки
2.8. Система охлаждеия
2.9. Топливная система
2.10. Система впрыска
2.11. Система выпуска отработавщих газов
2.12. Система зажигания
2.13. Механическая часть (дизельные двигатели объемом 2,0 л)
2.13.1. Снятие двигателя
2.13.2. Снятие и установка поликлинового ремня
2.13.3. Замена сальника коленвала на стороне ременного шкива
2.13.4. Снятие и установка уплотнительного фланца на стороне ременного шкива
2.13.5. Замена сальника коленвала на стороне маховика
2.13.6. Снятие и установка датчика числа оборотов вала двигателя
2.13.7. Снятие и запрессовка игольчатого подшипника маховика
2.13.8. Поршень и шатун
2.13.9. Головка блока цилиндров
2.13.10. Снятие и установка крышки головки блока цилиндров
2.13.11. Снятие, установка и натяжение зубчатого ремня
2.13.12. Снятие и установка головки блока цилиндров
2.13.13. Клапанный механизм
2.13.14. Снятие и установка роликовых рычагов выпускных клапанов
2.13.15. Снятие и установка роликовых рычагов впускных клапанов
2.13.16. Проверка направляющих втулок клапанов
2.13.17. Замена уплотнителей стержней клапанов
2.13.18. Снятие и установка распредвалов
2.13.19. Снятие и установка сальника распределительного вала
2.14. Система смазки
2.15. Система охлаждения
2.16. Топливная система
2.17. Система наддува с турбонагнетателем, работающим на ОГ
2.18. Система непосредственного впрыска дизельного топлива
2.19. Система выпуска отработавших газов
2.20. Таблицы
3. Трансмиссия
4. Ходовая часть
5. Рулевой механизм
6. Тормозная система
7. Бортовое электрооборудование
8. Кузов
9. Схемы электрооборудования
 


2.13.3. Замена сальника коленвала на стороне ременного шкива

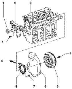
Уплотнительный фланец и маховик
Рис. 2.260. Уплотнительный фланец и маховик: 1 – сальник; 2 – уплотнительный фланец; 3 – блок цилиндров; 4 – болт 60 Н·м + довернуть на 1/4 об. (90 °); 5 – маховик; 6 – промежуточная пластина; 7 – болт 15 Н·м; 8 – уплотнительный фланец с уплотнительным кольцом; 9 – датчик числа оборотов вала двигателя



Снятие
Снимите поликлиновой ремень.
Снимите зубчатый ремень.

Фиксация звездочки коленвала
Рис. 2.138. Фиксация звездочки коленвала


Снимите зубчатую шестерню коленвала. Зафиксируйте зубчатую шестерню с помощью контропоры (рис. 2.138).
Прикрутите к направляющей съемника сальника центральный болт от руки до упора в коленчатый вал.
Выкрутите внутреннюю часть съемника сальника двумя оборотами (около 3 мм) из внешней части и зафиксируйте болтом с накаткой.
Смажьте резьбовую головку съемника сальника.

Поворачивание внутренней части съемника
Рис. 2.140. Поворачивание внутренней части съемника


Вкрутите съемник, сильно надавив на него, как можно глубже в сальник (рис. 2.140).
Ослабьте болт с накаткой и поворачивать внутреннюю часть съемника против коленвала, пока сальник не будет извлечен.

Установка
Удалите остатки масла на шатунной шейке коленчатого вала с помощью чистой ветоши.

ПРИМЕЧАНИЕ
Рабочую кромку уплотнительного сальника дополнительно не нужно смазывать.


Установка направляющей втулки
Рис. 2.141. Установка направляющей втулки


Установите направляющую втулку на шейку коленвала (рис. 2.141).
Задвиньте сальник через направляющую втулку на шейку коленвала.

Запрессовка сальника
Рис. 2.261. Запрессовка сальника


Запрессуйте сальник с помощью монтажной втулки и центрального болта до упора (рис. 2.261).
Снимите шестерню коленвала. Для этого зафиксируйте шестерню с помощью контропоры (рис. 2.138).
Запотяните центральный болт с моментом 120 Н·м + довернуть на 1/4 об. (90 °) (дополнительная затяжка может выполняться в несколько этапов).

ПРИМЕЧАНИЕ
Резьба и буртик не должны иметь следов смазки.

Установите зубчатый ремень.
Установите поликлиновой ремень.

« предыдущая страница
2.13.2. Снятие и установка поликлинового ремня
^
к оглавлению
следующая страница »
2.13.4. Снятие и установка уплотнительного фланца на стороне ременного шкива

Copyright © 2026 Все права защищены. Все торговые марки являются собственностью их владельцев.