поиск в избранное карта сайта
  Volkswagen РЕМОНТ ОБСЛУЖИВАНИЕ ЭКСПЛУАТАЦИЯ АВТОМОБИЛЕЙ
Фольксваген Пассат Б6. Volkswagen Passat B6 (с 2004 года выпуска)

полные технические характеристики. диагностика. электросхемы
 
Главная
 
Volkswagen
Passat B6
1. Эксплуатация и техническое обслуживание автомобиля
2. Двигатель
2.1. Общие сведения
2.2. Механическая часть (двигатель объемом 1,6 л)
2.2.1. Снятие и установка верхнего кожуха двигателя
2.2.2. Проверка зубчатого ремня привода распредвала (4-цил. бензиновые двигатели 1,6 л)
2.2.3. Снятие двигателя
2.2.4. Установка двигателя
2.2.5. Разборка и сборка двигателя
2.2.6. Снятие и установка поликлинового ремня
2.2.7. Снятие и установка крышки распределительного механизма
2.2.8. Замена сальника коленвала на стороне ременного шкива
2.2.9. Способ затяжки крепежного болта звездочки ременного привода
2.2.10. Разборка и сборка поршней и шатуна
2.2.11. Головка блока цилиндров
2.2.12. Проверка фаз газораспределения
2.2.13. Регулировка фаз газораспределения
2.2.14. Снятие и установка картера распределительных валов
2.2.15. Снятие и установка головки блока цилиндров
2.2.16. Проверка компрессии
2.2.17. Ремонт клапанного механизма
2.2.18. Проверка направляющих втулок клапанов
2.2.19. Замена маслосъемных колпачков
2.3. Система смазки
2.4. Система охлаждения
2.5. Система впрыска топлива
2.6. Механическая часть (бензиновые двигатели объемом 2,0 л)
2.7. Система смазки
2.8. Система охлаждеия
2.9. Топливная система
2.10. Система впрыска
2.11. Система выпуска отработавщих газов
2.12. Система зажигания
2.13. Механическая часть (дизельные двигатели объемом 2,0 л)
2.14. Система смазки
2.15. Система охлаждения
2.16. Топливная система
2.17. Система наддува с турбонагнетателем, работающим на ОГ
2.18. Система непосредственного впрыска дизельного топлива
2.19. Система выпуска отработавших газов
2.20. Таблицы
3. Трансмиссия
4. Ходовая часть
5. Рулевой механизм
6. Тормозная система
7. Бортовое электрооборудование
8. Кузов
9. Схемы электрооборудования
 


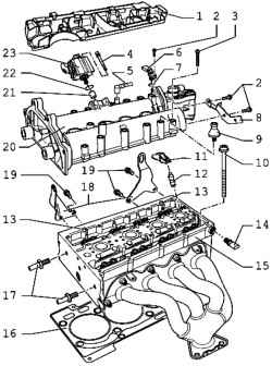
2.2.11. Головка блока цилиндров

Компоненты головки блока цилиндров
Рис. 2.31. Компоненты головки блока цилиндров: 1 – короб для высоковольтных проводов; 2 – болт 10 Н·м; 3 – болт 10 Н·м + довернуть на 1/4 об. (90°); 4 – болт 10 Н·м; 5 – к воздушному фильтру; 6 – датчик Холла; 7 – уплотнительное кольцо круглого сечения; 8 – держатель; 9 – распорный болт, 6 Н·м; 10 – болт головки блока цилиндров; 11 – роликовый рычаг; 12 – опорный элемент; 13 – установочные штифты; 14 – датчик давления масла, 25 Н·м; 15 – ГБЦ; 16 – прокладка головки блока цилиндров; 17 – направляющий болт; 18 – проушина для вывешивания; 19 – болт 20 Н·м; 20 – картер распределительных валов; 21 – тарельчатый толкатель; 22 – уплотнительное кольцо круглого сечения; 23 – насос высокого давления



ПРИМЕЧАНИЕ
При установке новой головки блока цилиндров перед монтажом картера распределительных валов необходимо смазать моторным маслом все контактные поверхности между опорными элементами, роликовыми рычагами и постелью распредвалов.
Входящие в ремонтный комплект пластиковые подкладки для защиты открытых клапанов разрешается удалять непосредственно перед установкой головки блока цилиндров.
При замене головки блока цилиндров также следует слить старую и залить новую охлаждающую жидкость.
Все опорные и рабочие поверхности необходимо смазать перед монтажными работами моторным маслом.



Проверка ГБЦ на коробление
Рис. 2.32. Проверка ГБЦ на коробление


Проверьте кривизну плоскости прилегания ГБЦ (рис. 2.32).
Максимально допустимая кривизна плоскости прилегания 0,05 мм

« предыдущая страница
2.2.10. Разборка и сборка поршней и шатуна
^
к оглавлению
следующая страница »
2.2.12. Проверка фаз газораспределения

Copyright © 2026 Все права защищены. Все торговые марки являются собственностью их владельцев.