поиск в избранное карта сайта
  BMW РЕМОНТ ОБСЛУЖИВАНИЕ ЭКСПЛУАТАЦИЯ АВТОМОБИЛЕЙ
БМВ Е28, Е34. BMW 5-ая серия E28 / E34 (с 1981 по 1993 год выпуска)

полные технические характеристики. диагностика. электросхемы
 
Главная
 
BMW
5-ая серия E28 / E34
1. Автомобили марки BMW 5-серии
2. Двигатель
3. Система охлаждения
4. Система питания
5. Система зажигания
6. Системы управления двигателем и снижения токсичности отработавших газов
7. Система выпуска отработавших газов
8. Сцепление
9. Ручная коробка переключения передач (РКПП) и автоматическая трансмиссия (АТ)
10. Трансмиссионная линия
11. Рулевое управление и подвеска
12. Тормозная система
13. Кузов
14. Контрольные кузовные размеры
15. Отопитель и кондиционер воздуха
16. Система бортового электрооборудования
17. Текущее обслуживание автомобиля
18. Таблица размеров и регулировочных данных
19. Принципиальные электрические схемы
20. Органы управления и приемы эксплуатации
21. Система бортовой диагностики - принцип функционирования и коды неисправностей
 


Самая дорогая аудиосистема за $35 тысяч была установлена на автомобиль Mercedes CL. Однако этот рекорд может быть превзойден в любой момент: сейчас в Москве продается ламповый автомобильный усилитель Audio Note Ongaku за $39,9 тыс.
Горизонтальные стальные резервуары.
Самый большой трейлер двухколесный 5-этажный жилой автоприцеп был построен в 1990 г. Его длина составляет 20 м, ширина 12 м, а вес равен 120 т. В нем имеется 8 спален и ванных комнат, 4 гаража и резервуар для воды объемом 24 000 л.

19. Принципиальные электрические схемы

Общая информация  

Поскольку невозможно в данном Руководстве привести все принципиальные схемы за каждый год выпуска, ниже приводятся наиболее типичные схемы и те, которые бывают необходимы чаще всего.

Прежде чем начать поиск неисправности в какой-либо цепи, проверьте предохранители и прерыватели цепи (если они есть), чтобы удостовериться, что они целы. Удостоверьтесь также, что батарея полностью заряжена и проверьте контакты проводов (см. Главу Текущее обслуживание автомобиля). Проверяя цепь, удостоверьтесь, что все контакты чисты, клеммы не отломились и не отсоединились.

Цветовая кодировка проводов

BK Черный
BL Синий
BR Коричнев.
GE Желтый
GN Зеленый
GR Серый или зеленый
GY Серый
OR Оранжевый
PK Розовый
R Красный
RS Розовый
RT Красный
SW Черный
TN Желто-коричн.
V Фиолетовый
VI Фиолетовый
W Белый
WS Белый
Y Желтый

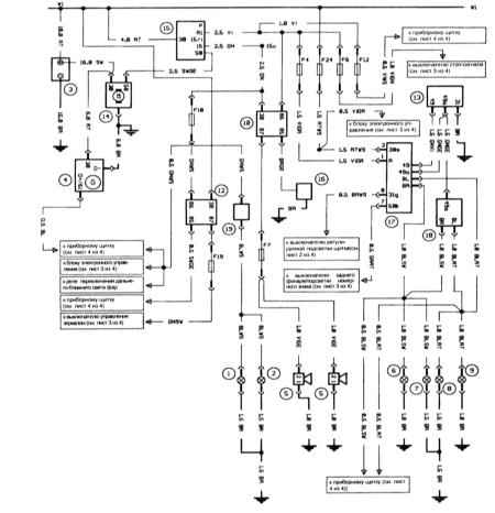
Типичные сигнальные лампы стартера, зарядки батареи, клаксона, прерывателя аварийной сигнализации и указателей поворота (1 из 4)

Ключ к схеме

1 — Левый сигнал заднего хода
2 — Правый сигнал заднего хода
3 — Батарея
4 — Генератор
5 — Двухтоновый клаксон
6 — Правый передний указатель поворота
7 — Правый задний указатель поворота
8 — Левый задний указатель поворота
9 — Левый передний указатель поворота
10 — Реле клаксона
12 — Реле нагнетателя отопителя/обогревателя заднего стекла
13 — Реле сигнальной лампы аварийной сигнализации
14 — Стартер
15 — Замок зажигания
16 — Выключатель клаксона
17 — Выключатель сигнальной лампы аварийной сигнализации
18 — Выключатель указателей поворота

19 — Выключатель сигнала заднего хода
W1 — Шина распределителя питания
[1 — к приборному щитку (см. 4 из 4)
2 — к блоку электронного управления (см. 3 из 4)
3 — к реле переключения дальнего-ближнего света фар
4 — к приборному щитку (см. 4 из 4)
5 — к выключателю управления зеркалом (см. 3 из 4)
6 — к приборному щитку (см. 4 из 4)
7 — к выключателю стоп-сигнала (см. 3 из 4)
8 — к блоку электронного управления (см. 3 из 4)
9 — к выключателю регулируемой подсветки щитка (см. 2 из 4)
10 — к выключателю заднего фонаря/подсветки номерного знака (см. 3 из 4)
11 — к приборному щитку (см. 4 из 4)]

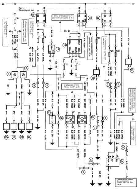
Типичные головные/противотуманные фары и освещение салона (2 из 4)

Ключ к схеме

1 — Левая лампа освещения салона
2 — Правая лампа освещения салона
3 — Левая фара дальнего света
4 — Правая фара дальнего света
5 — Левая фара ближнего свет
6 — Правая фара ближнего свете
7 — Левая передняя противотуманная фара
8 — Правая передняя противотуманная фара
9 — Подсветка пепельницы (сзади)
10 — Реле фары дальнего света
11 — Реле фары ближнего света
12 — Реле передней противотуманной фары
13 — Тестер ламп главного освещения
14 — Реле переключения дальнего-ближнего света фар 1
15 — Реле переключения дальнего-ближнего света фар 2
16 — Сопротивление переключения дальнего-ближнего света фар 1
17 — Сопротивление переключения дальнего-ближнего света фар 2
18 — Выключатель мигания дальним светом фар
19 — Контакт передней левой двери
20 — Контакт передней правой двери

21 — Выключатель задней противотуманной фары
22 — Выключатель передней противотуманной фары
23 — Выключатель ближнего света фар
24 — Выключатель регулировки подсветки приборов и передней противотуманной фары
25 — Контакт задней левой двери
26 — Контакт задней правой двери
W1 — Шина распределителя питания
[1 — Зажигание вкл.
2 — к приборному щитку (см. 4 из 4)
3 — к блоку электронного управления (см.3 из 4)
4 — к приборному щитку (см. 4 из 4)
5 — к блоку электронного управления (см.3 из 4)
6 — к блоку электронного управления (см. 3 из 4)
7 — к приборному щитку (см. 4 из 4)
8 — к предохранителю 10 (см. 1 из 4)
9 — к выключателю сигнальной лампы аварийной сигнализации (см. 1 из 4)
10 — к прикуривателю (см. 4 из 4)
11 — к выключателю заднего фонаря/подсветки номерного знака (см. 3 из 4)]

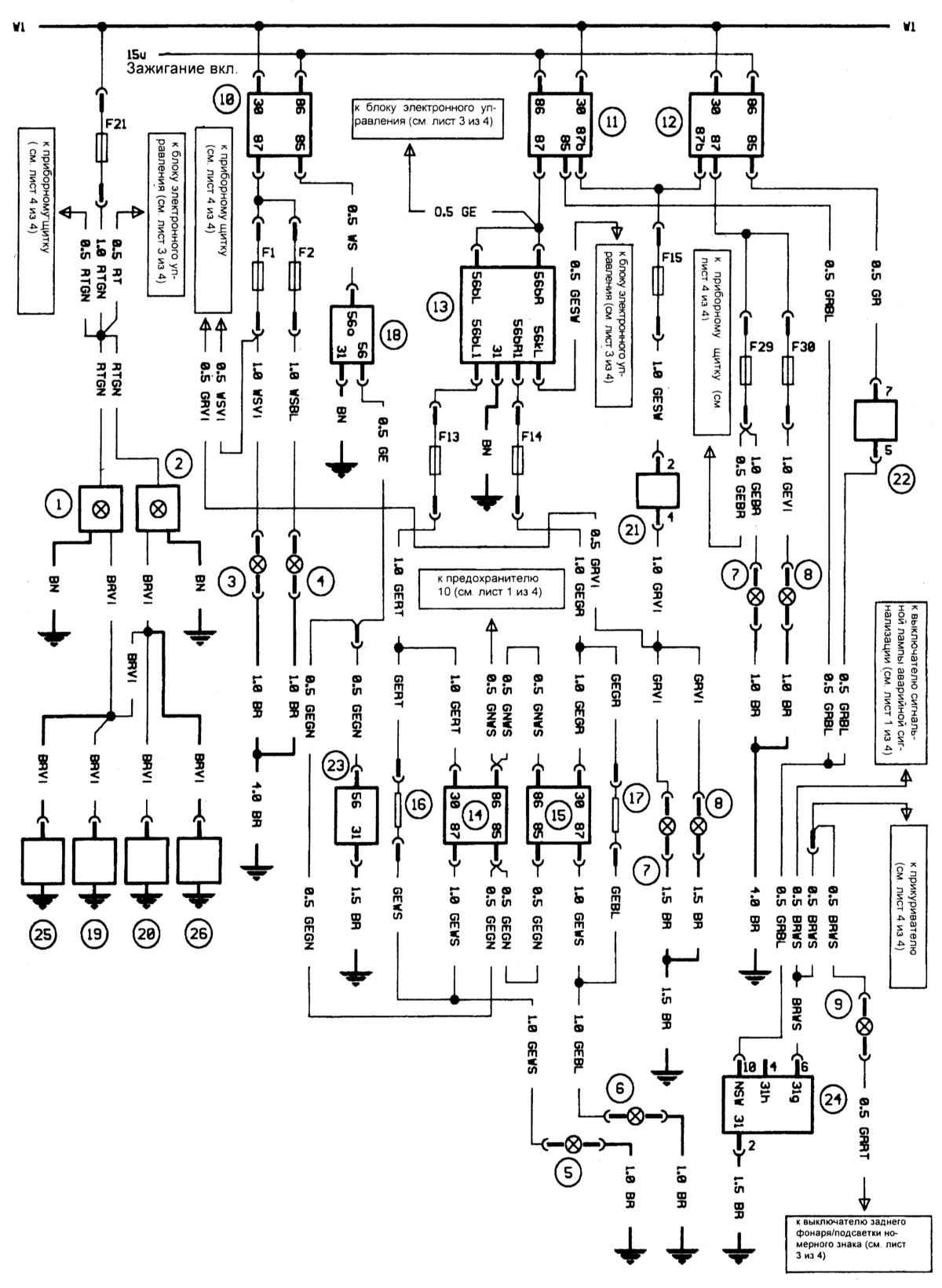
Типичная система контроля, зеркала с электроприводом, стоп-сигнал и стояночный фонарь (3 из 4)

Ключ к схеме

1 — Блок электронного управления
2 — Левый задний фонарь
3 — Правый задний фонарь
4 — Правый стояночный фонарь
5 — Левый стояночный фонарь
6 — Правый фонарь подсветки номерного знака
7 — Левый фонарь подсветки номерного знака
8 — Дополнительный стоп-сигнал
9 — Левый стоп-сигнал
10 — Правый стоп-сигнал
11 — Модуль контроля неисправности ламп
12 — Выключатель стояночного фонаря 1
13 — Выключатель стояночного фонаря 2
14 — Выключатель заднего фонаря и подсветки номерного знака
15 — Выключатель стоп-сигнала
16 — Датчик уровня жидкости в резервуаре омывателя

17 — Датчик уровня охлаждающей жидкости
18 — Датчик уровня масла
19 — Выключатель управления зеркалами
20 — Мотор зеркала с электроприводом
21 — Дополнительный мотор зеркала с электроприводом
W1 — Шина распределителя питания
[1 — к предохранителю 6 (см. 1 из 4)
2 — к приборному щитку (см. 4 из 4)
3 — к приборному щитку (см. 4 из 4)
4 — к предохранителю 10 (см. 1 из 4)
5 — к предохранителю 24 (см. 1 из 4)
6 — к предохранителю 21 (см. 2 из 4)
7 — к тестеру ламп главного освещения (см.2 из 4)
8 — к предохранителю 19 (см. 1 из 4)
9 — к выключателю сигнальной лампы аварийной сигнализации (см.1 из 4)
10 — к прикуривателю (см. 4 из 4)
11 — к подсветке задней пепельницы (см.2 из 4)]

Типичный приборный щиток и прикуриватель (4 из 4)

Ключ к схеме

1 — Приборный щиток
2 — Выключатель сигнальной лампы стояночного тормоза
3 — Датчик уровня тормозной жидкости
4 — Датчик давления масла
5 — Датчик температуры охлаждающей жидкости
6 — Правый задний датчик износа тормозных колодок
7 — Левый передний датчик износа тормозных колодок
8 — Датчик уровня топлива 1
9 — Датчик уровня топлива 2
10 — Датчик спидометра
11 — Прикуриватель
12 — Сигнальная лампа отопителя
W1 — Шина распределителя питания

Ключ к схеме приборного щитка

a — Сигнальная лампа включения стояночного тормоза
b — Сигнальная лампа низкого уровня тормозной жидкости
c — Сигнальная лампа низкого давления масла
d — Центральная сигнальная лампа
e — Напоминание о наступлении срока планового технического обслуживания
f — Сигнальная лампа износа тормозных колодок
g — Измеритель температуры охлаждающей жидкости

h — Сигнальная лампа резерва топлива
i — Измеритель уровня топлива
j — Тахометр
k — Управление режимом экономии
l — Сигнальная лампа левого указателя поворота
m — Сигнальная лампа правого указателя поворота
n — Спидометр
o — Сигнальная лампа включения дальнего света фар
p — Сигнальная лампа включения передней противотуманной фары
q — Сигнальная лампа включения задней противотуманной фары
r — Сигнальная лампа разрядки батареи
s — Подсветка приборного щитка
[1 — к блоку электронного управления
2 — к предохранителю 10 (см. 1 из 4)
3 — к предохранителю 12 (см. 1 из 4)
4 — к выключателю заднего фонаря/подсветки номерного знака (см. 3 из 4)
5 — к генератору (см. 1 из 4)
6 — к реле нагнетателя отопителя/обогревателя заднего стекла (см. 1 из 4)
7 — Разъем, основная проводка - проводка двигателя
8 — Разъем, основная проводка - проводка двигателя
9 — к предохранителю 21 (см. 2 из 4)
10 — к выключателю сигнальной лампы аварийной сигнализации (см. 1 из 4)
11 — к выключателю задней противотуманной фары (см. 2 из 4)
12 — к предохранителю 29 (см. 2 из 4)
13 — к предохранителю 1 (см. 2 из 4)
14 — к подсветке задней пепельницы (см. 2 из 4)]

Принципиальная схема типичной системы управления двигателем ”Motronic”

1 — Блок электронного управления (ECU)
2 — Реле управления скоростью
3 — Датчик температуры
4 — Кондиционер
5 — Разъем проводки автомобиля
6 — Выключатель дроссельной заслонки
7 — Датчик расхода воздуха
8 — Датчик скорости
9 — Датчик синхронизации
10 — Реле 1
11 — Реле2
12 — Датчик давления масла
13 — Передатчик температуры
14 — Разъем проверки
15 — Штекер двигателя
16 — Батарея
17 — Свечи зажигания

18 — Распределитель зажигания
19 — Катушка зажигания
20 — Стартер
21 — Генератор
22 — Передатчик положения
23 — Штекер, отсоединенный для автоматической трансмиссии
24 — Датчик температуры охлаждающей жидкости
25 — Топливная форсунка
26 — Электромагнитный клапан
27 — Распределитель питания
28 — Давление масла
29 — Измеритель температуры
30 — Электрический топливный насос
31 — Напоминание о наступлении срока планового технического обслуживания
32 — Мотор привода
33 — Датчик температуры

Принципиальная схема типичной системы управления скоростью

1 — Штекерный разъем - центральная секция приборного щитка (26 контактов)
2 — Выключатель рулевой колонки
3 — Приборный щиток
4 — Штекерный разъем - индикатор диапазона
5 — Индикатор диапазона D
6 — Индикатор диапазона N
7 — Индикатор диапазона R
8 — Штекерный разъем - выход спидометра
9 — Разъем - приборный щиток (2 контакта)
10 — Штекерный разъем - выключатель рулевой колонки
11 — Штекерный разъем - специальное оборудование

12 — Выключатель рулевой колонки
13 — Штекерный разъем - задняя секция к центральной секции (29 контактов)
14 — Выключатель стоп-сигнала
15 — Штекерный разъем - мотор привода
16 — Разъем - выключатель сцепления к перемычке
17 — Левый стоп-сигнал
18 — Правый стоп-сигнал
19 — Блок электронного управления - система управления скоростью
20 — Мотор привода - система управления скоростью
21 — Перемычка (только для АТ)
22 — Выключатель сцепления

Типичная принципиальная схема для центральной системы блокировки дверей, противоугонной сигнализации, бортового компьютера, дополнительного отопителя и цифровых часов (1 из 2)

Типичная принципиальная схема для центральной системы блокировки дверей, противоугонной сигнализации, бортового компьютера, дополнительного отопителя и цифровых часов (2 из 2)

К типичной принципиальной схеме центральной системы блокировки дверей, противоугонной сигнализации, бортового компьютера, дополнительного отопителя и цифровых часов

1 — Штекер - задняя секция к центральной секции
2 — Разъем штекера для подключения специального оборудования
3 — Разъем для блока управления центральной блокировки дверей
4 — Электронный блок управления центральной блокировкой дверей (концевой диск стойки А)
5 — Штекер - проводка двери водителя к задней секции
6 — Штекер - соединительный провод системы центральной блокировки к проводке двери водителя (13 контактов)
7 — Штекер - соединительный провод центральной блокировки к проводке двери со стороны пассажира
8 — Штекер - провод системы центральной блокировки в двери водителя к выключателю
9 — Выключатель центральной блокировки/разблокирующий стопорный механизм (дверь водителя, на замке)
10 — Соединение мотора центральной блокировки с дверью водителя (6 контактов)
11 — Мотор центральной блокировки - дверь водителя
12 — Штекер - проводка двери пассажира к микровыключателю
13 — Микровыключатель ( дверь пассажира, на замке)
14 — Мотор центральной блокировки - дверь пассажира
15 — Мотор центральной блокировки - дверь пассажира
16 — Соединение мотора центральной блокировки с крышкой багажника (6 контактов)
17 — Мотор центральной блокировки - крышка багажника
18 — Соединение мотора центральной блокировки с крышкой наливного отверстия топливного бака (6 контактов)
19 — Мотор центральной блокировки - крышка наливного отверстия топливного бака
20 — Соединение мотора центральной блокировки с задней левой дверью (6 контактов)
21 — Мотор центральной блокировки - задняя левая дверь
22 — Соединение мотора центральной блокировки с правой дверью (6 контактов)
23 — Штекер - соединительный провод центральной блокировки к правой задней двери (7 контактов)
24 — Штекер - соединительный провод центральной блокировки к левой задней двери (7 контактов)
25 — Мотор центральной блокировки - правая задняя дверь
26 — Выключатель обогревателя заднего стекла
27 — Электронный блок управления системой защиты от воровства (слева от рулевой колонки)
28 — Разъем электронного блока управления системой защиты от воровства (26 контактов)
29 — Разъем блока реле (4 контакта)
30 — Разъем электронного блока управления системой защиты от воровства (4 контакта)
31 — Штекер 150 (в главной проводке)
32 — Светодиод противоугонной сигнализации
33 — Штекер подсветки багажника
34 — Подсветка багажника
35 — Передний левый датчик контакта двери
36 — Передний правый датчик контакта двери
37 — Задний левый датчик контакта двери
38 — Задний правый датчик контакта двери
39 — Контакт крышки багажника

40 — Контакт капота
41 — Обогреватель заднего стекла
42 — Штекер - центральная секция к проводке бортового компьютера/противоугонной сигнализации
43 — Клаксон
44 — Штекер светодиода
45 — Диод
46 — Штекер - провод противоугонной сигнализации к соединительному проводу центральной блокировки
47 — Звуковой сигнал (слева от рулевой колонки)
48 — Разъем звукового сигнала
49 — Штекер - центральная секция к проводке LE-Jetronic
50 — Замок зажигания
51 — Дистанционный выключатель бортового компьютера
52 — Штекер - бортовой компьютер к проводу датчика температуры наружного воздуха
53 — Штекер - провод датчика температуры наружного воздуха к самому датчику
54 — Датчик температуры наружного воздуха (нижняя передняя панель)
55 — Штекер - провод дополнительного отопителя к автоматической антенне
56 — Электронный блок управления отопителем на стоянке (под правым сиденьем)
57 — Разъем электронного блока управления
58 — Реле отопителя для стоянки (на отопителе)
59 — Штекер - провод бортового компьютера к проводу дополнительного отопителя
60 — Штекер - центральная секция к приборному щитку
61 — Разъем приборного щитка
62 — Электронный блок управления бортовым компьютером (прямо на приборном щитке)
63 — Разъем бортового компьютера
64 — Разъем приборного щитка 2
65 — Приборный щиток
66 — Штекер - задняя секция к приборному щитку
67 — Штекер - провод цифровых часов к приборному щитку
68 — Штекер - дополнительный провод к проводу отопителя
69 — Штекер - провод отопителя к проводу топливного насоса
70 — Разъем отопителя
71 — Добавочное сопротивление в отопителе
72 — Термовыключатель (отопитель для стоянки)
73 — Мотор отопителя
74 — Датчик перегрева (отопитель для стоянки)
75 — Штекер отопителя к отопителю для стоянки
76 — Отопитель
77 — Топливный насос
78 — Штекер - бортовой компьютер к дистанционному управлению
79 — Штекер - управление громкостью в зависимости от скорости
80 — Штекер - провод системы управления скоростью
81 — Передатчик резерва топлива
82 — Передатчик скорости
83 — Штекер - провод цифровых часов к цифровым часам (4 контакта)
84 — Штекер - провод цифровых часов к цифровым часам (2 контакта)
85 — Цифровые часы

Принципиальная схема типичной системы омывателя головной фары

1 — Блок управления стеклоочистителями головных фар
2 — Предохранитель - ночное освещение, задний и стояночный фонари
3 — Предохранитель - клаксоны, блок управления стеклоочистителя/омывателя и стеклоочистители головной фары
4 — Мотор - стеклоочистители ветрового стекла
5 — Выключатель стеклоочистителей
6 — Насос - система стеклоочистителей головных фар
7 — Насос - подача очищающей жидкости
8 — Насос - система омывателя ветрового стекла
9 — Штекер - провод стеклоочистителя головной фары к передней секции 1 (насос подачи жидкости омывателя)

10 — Штекер - провод стеклоочистителя головной фары к передней секции 2 (штекер стеклоочистителей головной фары)
11 — Штекер - центральная секция к передней секции (7 контактов)
12 — Штекер мотора стеклоочистителя
13 — Штекер - центральная секция к выключателю стеклоочистителя
14 — Мотор - стеклоочистители ветрового стекла
15 — Мотор - стеклоочиститель левой головной фары
16 — Блок управления прерывателем омывателя/стеклоочистителя

Принципиальная схема типичной системы стеклоподъемников с электроприводом

1 — Штекер задней секции к двери водителя (6 контактов)
2 — Штекер задней секции к центральной секции (27 контактов)
3 —Штекер провода управления стеклоподъемником и центральной блокировки к двери водителя (13 контактов)
4 —Штекер провода управления стеклоподъемником и центральной блокировки к штекеру для подключения специального оборудования
5 — Выключатель заднего левого стеклоподъемника
6 — Выключатель заднего левого стеклоподъемника
7 — Выключатель заднего правого стеклоподъемника
8 — Штекер провода левой задней двери к мотору левого заднего стеклоподъемника
9 — Штекер провода правой задней двери к мотору правого заднего стеклоподъемника
10 — Мотор левого заднего стеклоподъемника
11 — Мотор правого заднего стеклоподъемника
12 — Штекер провода управления стеклоподъемником и центральной блокировки к левой задней двери

13 — Штекер провода управления стеклоподъемником и центральной блокировки к правой задней двери ( 7 контактов)
14 — Датчик безопасности питания
15 — Датчик детской безопасности
16 — Мотор переднего левого стеклоподъемника
17 — Мотор переднего правого стеклоподъемника
18 — Штекер провода двери водителя к мотору передней левой двери
19 — Штекер провода двери пассажира к мотору стеклоподъемника пассажирской двери
20 — Реле
21 — Штекер провода управления стеклоподъемником и центральной блокировки к двери пассажира (13 контактов)
22 — Выключатель переднего левого стеклоподъемника
23 — Выключатель заднего правого стеклоподъемника
24 — Выключатель переднего правого стеклоподъемника

Принципиальная схема системы отопителя и кондиционера

1 — Подсветка приборов управления отопителем
2 — Светодиод 3
3 — Светодиод 2
4 — Светодиод 1
5 — Выключатель нагнетателя отопителя/испарителя
6 — Штекер - проводка управления отопителем к центральной проводке (13 контактов)
7 — Штекер - секция передней проводки к приборам управления отопителем
8 — Предохранитель - нагнетатель отопителя
9 — Предохранитель - дополнительный вентилятор стадия 2
10 — Предохранитель - сигнальная лампа, лампы сигнала заднего хода, тахометр и зеркала (распределитель питания)
11 — Температурный выключатель 91° С - стадия 1
12 — Температурный выключатель 99° С - стадия 2
13 — Выключатель кондиционера
14 — Водяной клапан
15 — Регулятор температуры испарителя
16 — Блок управления кондиционером (приборы управления отопителем)
17 — Штекер - мотор дополнительного вентилятора (на моторе дополнительного вентилятора)

18 — Реле - дополнительный вентилятор стадия 2 (на распределителе питания)
19 — Реле - дополнительный вентилятор стадия 1 (на распределителе питания)
20 — Выключатель - прессостат высокого давления (сушилка)
21 — Выключатель - температура 110° С (только для 524 td)
22 — Мотор нагнетателя отопителя
23 — Мотор нагнетателя испарителя
24 — Штекер - прессостат высокого давления к электромагнитной муфте
25 — Датчик температуры испарителя (в испарителе)
26 — Датчик температуры отопителя (в отопителе)
27 — Датчик внутренней температуры (нижняя левая панель обшивки)
28 — Электромагнитная муфта для компрессора
29 — Мотор дополнительного вентилятора

Принципиальная схема сидений с подогревом

1 — Подогрев - пассажирское сиденье
2 — Разъем подогрева сиденья - сторона пассажира
3 — Выключатель подогрева сиденья - сторона пассажира
4 — Штекер провода подогрева сиденья (сторона водителя) к штекеру для подключения специального оборудования (58К)
5 — Штекер провода подогрева сиденья (сторона водителя) к стороне пассажира

6 — Штекер провода подогрева сиденья (сторона водителя) к штекеру для подключения специального оборудования (15Е и 30SA4)
7 — Реле подогрева сидений
8 — Выключатель подогрева сидений - сторона водителя
9 — Подогрев - сиденье водителя
10 — Разъем подогрева сиденья - сторона водителя

Принципиальная схема электроприводных сидений с памятью (1 из 2)

1 — Штекерное соединение для подключения специального оборудования
2 — Штекерное соединение провода пассажирского сиденья
3 — Штекерное соединение провода блока управления сиденьями с памятью
4 — Соединение провода блока управления сиденьями с памятью
5 — Выключатель управления сиденьями
6 — Спинка сиденья
7 — Механизм горизонтальной регулировки сиденья

8 — Подголовник
9 — Высота переднего сиденья
10 — Высота заднего сиденья
11 — Штекерное соединение управления спинкой сиденья/горизонтальной регулировкой сиденья
12 — Штекерное соединение управления подголовником
13 — Штекерное соединение управления высотой сидений
14 — Электронный блок управления (под сиденьем)
15 — Штекерное соединение провода блока управления сиденьями с памятью

Принципиальная схема электроприводных сидений с памятью (2 из 2)

16 — Штекерное соединение провода сиденья с памятью
17 — Штекерное соединение привода управления сиденьем
18 — Штекерное соединение выключателя памяти
19 — Штекерное соединение потенциометра горизонтальной регулировки сиденья
20 — Штекерное соединение потенциометра высоты переднего сиденья
21 — Штекерное соединение потенциометра высоты заднего сиденья
22 — Штекерное соединение мотора подголовника
23 — Штекерное соединение потенциометра спинки сиденья

24 — Штекерное соединение мотора спинки сиденья
25 — Выключатель памяти
26 — Мотор - управление спинкой сиденья
27 — Мотор - управление подголовником
28 — Мотор - управление высотой заднего сиденья
29 — Мотор - управление высотой переднего сиденья
30 — Мотор - горизонтальная регулировка сидений

Типичная принципиальная схема электроприводных сидений без памяти

1 — Штекерное соединение для подключения специального оборудования
2 — Спинка сиденья
3 — Сиденье вперед/назад
4 — Подголовник
5 — Переднее сиденье вверх/вниз
6 — Заднее сиденье вверх/вниз
7 — Штекер - выключатель управления спинкой/сиденьем
8 — Штекер - выключатель управления подголовником
9 — Штекер - выключатель управления подъемом/опусканием передних/задних сидений
10 — Выключатель электропривода сидений
11 — Штекер - провод электроприводного сиденья к электронному блоку управления
12 — Электронный блок управления электроприводом сидений
13 — Штекер - привод электроприводного сиденья к электронному блоку управления

14 — Штекер - провод электропривода спинки сиденья и подголовника к электронному блоку управления электроприводными сиденьями
15 — Штекер - провод электропривода спинки сиденья и подголовника к мотору спинки
16 — Штекер - провод электропривода спинки сиденья и подголовника к мотору подголовника
17 — Штекер - провод электроприводного сиденья на стороне водителя к проводу на стороне пассажира
18 — Мотор - переднее сиденье вверх/вниз
19 — Мотор - заднее сиденье вверх/вниз
20 — Мотор - сиденье вперед/назад
21 — Мотор спинки сиденья
22 — Мотор подголовника

Типичная принципиальная схема радиоприемника - показано для ранних моделей

1 — Громкоговоритель на правой двери
2 — Громкоговоритель передний правый
3 — Громкоговоритель задний правый
4 — Штекер для подключения специального оборудования RA12
5 — Разъем стеклоподъемников
6 — Усилитель
7 — Громкоговоритель передний левый

8 — Громкоговоритель на левой двери
9 — Разъем провода питания
10 — Разъем питания антенны
11 — Радиоприемник
12 — Управление балансом громкоговорителей
13 — Громкоговоритель задний левый

Принципиальная схема типичной системы L-Jetronic

1 — Батарея
2 — Распределитель зажигания
3 — Катушка зажигания
4 — Датчик положений
5 — Свечи зажигания
6 — Генератор
7 — Стартер
8 — Датчик давления масла
9 — Температурный трансмиттер
10 — Датчик температуры охлаждающей жидкости
11 — Блок управления впрыском топлива
12 — Разъем проводки
13 — Выключатель дроссельной заслонки

14 — Датчик расхода воздуха
15 — Инжекторы топлива
16 — Реле топливного насоса
17 — Модуль зажигания
[1 — Разъем двигателя
2 — Топливный насос
3 — Давление масла
4 — Измеритель температуры
5 — Пневмоподушка
6 — Напомин. о сроке техобслуживания
7 — Проверочный разъем
8 — Экран
9 — Сильное натяжение]


« предыдущая страница
18. Таблица размеров и регулировочных данных
^
к оглавлению
следующая страница »
20. Органы управления и приемы эксплуатации

Copyright © 2025 Все права защищены. Все торговые марки являются собственностью их владельцев.