поиск... в избранное карта сайта
  BMW РЕМОНТ ОБСЛУЖИВАНИЕ ЭКСПЛУАТАЦИЯ АВТОМОБИЛЕЙ
БМВ Е39. BMW 5-ая серия E39 (с 1996 по 2001 год выпуска)

полные технические характеристики. диагностика. электросхемы
 
Главная
 
BMW
5-ая серия E39
1. Введение
2. Инструкция по эксплуатации
3. Текущий уход и обслуживание
4. Двигатель
5. Системы охлаждения, отопления
6. Системы питания и выпуска
7. Электрооборудование двигателя
8. Ручная коробка передач
9. Автоматическая трансмиссия
10. Сцепление и приводные валы
11. Тормозная система
12. Подвеска и рулевое управление
13. Кузов
14. Бортовое электрооборудование
15. Схемы электрооборудования
15.1. Свечи накаливания, реле свечей накаливания
15.2. Инжектор 5 + 6 (520i)
15.3. Датчик температуры всасываемого воздуха
15.4. Топливная система
15.5. Servotronik
15.6. Звуковые сигналы
15.7. Выключатель стеклоочистителя
15.8. Управление очистителями-омывателями стекол
15.9. Наружное зеркало без памяти (сторона водителя)
15.10. Наружное зеркало без памяти (сторона переднего пассажира)
15.11. Неослепляющее наружное зеркало
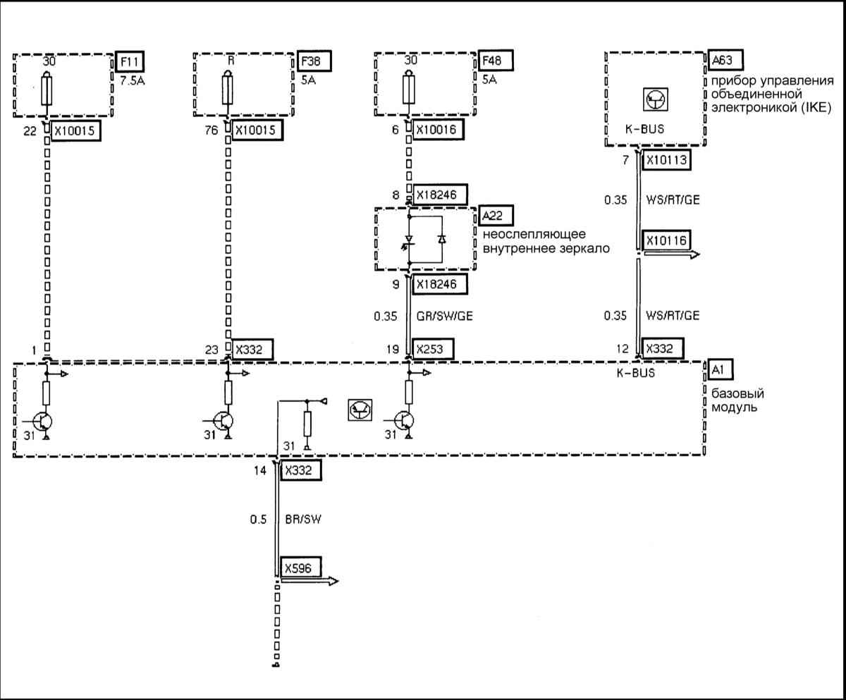
15.12. Питание К-шины, неослепляющее внутреннее зеркало
15.13. Переключатель сигналов поворота
15.14. Выключатель аварийной ситуации
15.15. Световые приборы передние
15.16. Противотуманные фары
15.17. Регулировка дальности света (ручная)
15.18. Указатель поворота (левый)
15.19. Задние фонари
15.20. Стоп-сигналы
15.21. Стоп-сигналы (высокорасположенный)
15.22. Выключатель стоп-сигналов
15.23. Фонари освещения номерного знака
15.24. Заднее освещение внутреннее левое
15.25. Освещение косметического зеркал
15.26. Розетка зарядки, освещение ящика кассет
15.27. Питание CD-чейнджера (многодискового проигрывателя)
15.28. Антенна на заднем стекле
15.29. Система управления двигателем и разъем блока управления. Модели 520i,523i,528i
15.30. Система антиблокировки тормозов и разъем блока управления ABS. Все модели
15.31. Принципиальная схема коммутации 20-контактного диагностического разъемаа
15.32. Осциллограммы сигналов на выводах разъема блока управления двигателем
16. Система бортовой диагностики
 


15.12. Питание К-шины, неослепляющее внутреннее зеркало


« предыдущая страница
15.11. Неослепляющее наружное зеркало
^
к оглавлению
следующая страница »
15.13. Переключатель сигналов поворота

Copyright © 2026 Все права защищены. Все торговые марки являются собственностью их владельцев.