поиск в избранное карта сайта
  Chevrolet РЕМОНТ ОБСЛУЖИВАНИЕ ЭКСПЛУАТАЦИЯ АВТОМОБИЛЕЙ
Шевроле Ланос. Chevrolet Lanos (с 2004 года выпуска), Daewoo Lanos (с 1997 года выпуска)

полные технические характеристики. диагностика. электросхемы
 
Главная
 
Chevrolet
Lanos
1. Устройство автомобиля
2. Рекомендации по эксплуатации
3. Неисправности в пути
4. Техническое обслуживание
5. Двигатель
6. Трансмиссия
7. Ходовая часть
8. Рулевое управление
9. Тормозная система
10. Электрооборудование
11. Кузов
12. Колеса и шины
13. Покупка запасных частей
14. Поездка на СТО
15. Зимняя эксплуатация автомобиля
16. Подготовка к техосмотру
17. Советы начинающему автомеханику
18. Приложения
19. Схемы электрооборудования
19.1. Схема 1. Соединения генераторной установки и системы пуска двигателя
19.2. Схема 2а. Система управления двигателем (начало)
19.3. Схема 2б. Система управления двигателем (продолжение)
19.4. Схема 2в. Система управления двигателем (продолжение)
19.5. Схема 2г. Система управления двигателем (продолжение)
19.6. Схема 2д. Система управления двигателем (продолжение)
19.7. Схема 2е. Система управления двигателем (окончание)
19.8. Схема 3а. Соединения приборов освещения (начало)
19.9. Схема 3б. Соединения приборов освещения (продолжение)
19.10. Схема 3в. Соединения приборов освещения (продолжение)
19.11. Схема 3г. Соединения приборов освещения (продолжение)
19.12. Схема 3д. Соединения приборов освещения (продолжение)
19.13. Схема 3е. Соединения приборов освещения (продолжение)
19.14. Схема 3ж. Соединения приборов освещения (продолжение)
19.15. Схема 3и. Соединения приборов освещения (продолжение)
19.16. Схема 3к. Соединения приборов освещения (окончание)
19.17. Схема 4. Соединения звукового сигнала
19.18. Схема 5. Соединения звукового сигнализатора (зуммера)
19.19. Схема 6. Стеклоочиститель и омыватель ветрового стекла
19.20. Схема 7. Соединения стеклоподъемников передних дверей
19.21. Схема 8а. Соединения комбинации приборов (начало)
19.22. Схема 8б. Соединения комбинации приборов (продолжение)
19.23. Схема 8в. Соединения комбинации приборов (продолжение)
19.24. Схема 8г. Соединения комбинации приборов (продолжение)
19.25. Cхема 8д. Соединения комбинации приборов (окончание)
19.26. Схема 9. Антиблокировочная система тормозов
19.27. Схема 10. Подушка безопасности
19.28. Схема 11. Иммобилизатор
 


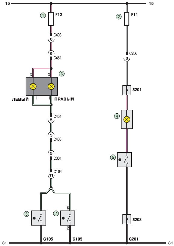
19.16. Схема 3к. Соединения приборов освещения (окончание)

Схема 3к. Соединения приборов освещения (окончание)
Схема 3к. Соединения приборов освещения (окончание): 1, 2 - предохранители (10 А); 3 - лампа включения заднего хода; 4 - лампа освещения вещевого ящика; 5 - выключатель лампы освещения вещевого ящика; 6 - выключатель света заднего хода (для автомобилей с механической коробкой передач); 7 - выключатель света заднего хода (для автомобилей с автоматической коробкой передач)

« предыдущая страница
19.15. Схема 3и. Соединения приборов освещения (продолжение)
^
к оглавлению
следующая страница »
19.17. Схема 4. Соединения звукового сигнала

Copyright © 2026 Все права защищены. Все торговые марки являются собственностью их владельцев.