поиск в избранное карта сайта
  ГАЗ РЕМОНТ ОБСЛУЖИВАНИЕ ЭКСПЛУАТАЦИЯ АВТОМОБИЛЕЙ
ГАЗ 2705, 33021 "ГАЗель" (с 1994 по 2002, и с 2003 года выпуска)

полные технические характеристики. диагностика. электросхемы
 
Главная
 
ГАЗ
2705, 33021 "ГАЗель"
1. Введение
2. Паспортные данные автомобиля
3. Технические данные и характеристики автомобилей
4. Органы управления и приборы
5. Двигатель
6. Трансмиссия
7. Ходовая часть
8. Рулевое управление
9. Тормозная система
10. Электрооборудование
10.1. Электрооборудование автомобилей с двигателями ЗМЗ-4025, ЗМЗ-4026
10.1.1. Аккумуляторная батарея
10.1.2. Возможные неисправности аккумуляторной батареи и способы х устранения
10.1.3. Генератор
10.1.4. Возможные неисправности генератора и способы их устранения
10.1.5. Регулятор напряжения
10.1.6. Возможные неисправности регулятора напряжения и способы их устранения
10.1.7. Стартер
10.1.8. Возможные неисправности стартера и способы их устранения
10.1.9. Система зажигания
10.1.10. Возможные неисправности системы зажигания и способы их устранения
10.1.11. Проверка системы зажигания на автомобиле
10.1.12. Освещение и световая сигнализация
10.1.13. Возможные неисправности освещения, световой сигнализации и способы их устранения
10.1.14. Звуковые сигналы
10.1.15. Неисправности звуковых сигналов и способы их устранения
10.1.16. Стеклоочиститель
10.1.17. Возможные неисправности стеклоочистителя и способы их устранения
10.1.18. Возможные неисправности омывателя ветрового стекла и способы их устранения
10.1.19. Электродвигатели отопителей, вентилятора обдува ветрового стекла, электронасос системы отопителей
10.1.20. Возможные неисправности электродвигателей и способы их устранения
10.1.21. Возможные неисправности электронасоса и способы их устранения
10.1.22. Приборы и датчики приборов
10.2. Электрооборудование автомобилей с двигателями 4215С, 42150
10.3. Электрооборудование автомобилей с двигателями ЗМЗ-4061, ЗМЗ-4063
11. Кузов автомобиля
12. Техническое обслуживание
13. Приложения
 


10.1.5. Регулятор напряжения

Электрическая схема регулятора напряжения и его соединения с генератором
Рис. 9.15. Электрическая схема регулятора напряжения и его соединения с генератором: R1 — резистор МЛТ 68-220 кОм (подбирается при регулировке); R2 — резистор МЛТ 220 кОм; R3, R13 — резисторы МЛТ 10 кОм; R4, R11, R12 — резисторы МЛТ 3,3 кОм; R5 — резистор МЛТ 820 Ом; R6, R10 — резисторы МЛТ 470 Ом; R7 — резистор МЛТ 51 Ом; R8 — резистор МЛТ 1,3 Ом; R9 — резистор МЛТ 430 Ом; R14 — резистор МЛТ 100 Ом; С1, С2 — конденсаторы К73—24В-100В-0,1 мкФ; СЗ — конденсатор К50-29-160В-4.7 мкФ; С4 — конденсатор К73-21В-160В-2.2 мкФ; L1 — дроссель; V1 — стабилитрон Д818Б; V2 — транзистор КТ361Б; V3 — транзистор КТ315Б; V4 — транзистор КТ3107Б; V5 — диод КД522Б; V6 — транзистор КТ850А; V7 — диод КД208А; V8 — транзистор КТ819Г; V9 — диод КД209А; 1 — выключатель зажигания; 2 — штекер; 3 — плавкий предохранитель на 60А; 4 — аккумуляторная батарея; 5 — генератор; 6 — регулятор напряжения




Генератор работает совместно с бесконтактным транзисторным регулятором напряжения 13.3702—01* (рис. 9.15).

* На части автомобилей может быть установлен регулятор напряжения 50.3702.

Измерительным элементом регулятора является стабилитрон VI, управляющий транзисторами. Выходной транзистор изменяет ток (среднее значение) в цепи обмотки возбуждения генератора и тем самым поддерживает напряжение генератора в заданных пределах.
Техническая характеристика регулятора напряжения
Регулируемое напряжение должно быть 13,8—14,5В при частрте вращения генератора от 2800 до 12 000 мин-1, нагрузке от 5 до 40 А; температуре от –20 до +80° С.
Падение напряжения на выводах «Ш» и «–» регулятора при токе 4 А в цепи обмотки возбуждения и температуре 20° С не более 1,6 В.
Регулятор напряжения имеет защиту от возможного короткого замыкания в цепи обмотки возбуждения.
Техническое обслуживание и ремонт
Техническое обслуживание регулятора напряжения заключается в проверке его параметров. Проверка может производиться непосредственно на автомобиле или на стенде. Для проверки необходимо иметь вольтметр постоянного тока со шкалой до 20—30 В и ценой деления 0,1—0,2 В.
При средней частоте вращения двигателя (1700—2000 мин-1) включить ближний свет и на этом режиме произвести замер напряжения. Напряжение на выводе «+» регулятора напряжения должно быть 13,8—14,5 В при температуре регулятора 20° С.
Если при проверке регулятора напряжения показание вольтметра не укладывается в указанные выше пределы, регулятор напряжения следует заменить.
Для нормальной работы системы генератора и регулятора напряжения очень важное значение имеет состояние электропроводки между генератором, регулятором напряжения и аккумуляторной батареей, а также надежность их соединения с корпусом.
Поэтому, прежде чем отыскать неисправности в работе генератора или регулятора напряжения, необходимо тщательно проверить состояние указанной электропроводки и правильность подключения проводов. Дефекты, обнаруженные при проверке проводки (обрывы проводов, нарушение изоляции, короткие замыкания, загрязнение наконечников и т. д.), должны быть устранены.
Отсутствие зарядного тока может быть вызвано срабатыванием электронной защиты регулятора напряжения в случае короткого замыкания в цепи обмотки возбуждения генератора. После устранения короткого замыкания работа регулятора автоматически восстанавливается.

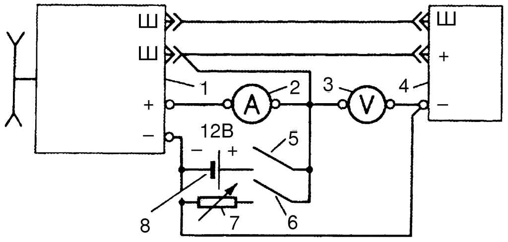
Схема проверки регулятора напряжения
Рис. 9.16. Схема проверки регулятора напряжения: 1 — генератор; 2 — указатель тока; 3 — вольтметр; 4 — регулятор напряжения; 5, 6 — выключатели; 7 — нагрузочный резистор; 8 — аккумуляторная батарея




Ремонт и регулировка регулятора напряжения должны производиться квалифицированными специалистами. Для этого необходим испытательный стенд Э242 или изготовить стенд, оборудованный электродвигателем для вращения генератора 161.3701 с плавным изменением частоты до 3000 мин-1, аккумуляторную батарею, резистор (ламповый или проволочный) для создания токовой нагрузки до 20 А и прибор для проверки полупроводниковых приборов. Схема простейшего стенда для проверки регулятора напряжения показана на рис. 9.16.
Для проверки необходимо включить выключатель 5 и плавно увеличить частоту вращения генератора до 3000 мин-1. Затем включить выключатель 6 и резистором 7 создать нагрузку 20 А по указателю тока 2. Напряжение, регулируемое регулятором, будет показывать вольтметр 3.
Если при проверке на стенде регулятор напряжения дает завышенное или заниженное напряжение, подбором резистора R1 (см. рис. 9.15) добиться регулируемого напряжения в пределах 13,8—14,5 В при температуре регулятора 25° С. Если регулятор не обеспечивает нормального возбуждения генератора, пpoвepьте величину падения напряжения на выводах «Ш» и «–» регулятора напряжения при токе в цепи обмотки возбуждения 4 А. Падение напряжения не должно превышать 1,6 В. Чрезмерное падение напряжения указывает на неисправность регулятора.

Схема проверки падения напряжения в регуляторе напряжения
Рис. 9.17. Схема проверки падения напряжения в регуляторе напряжения: 1 — регулятор напряжения; 2, 3 — выключатели; 4 — указатель тока; 5 — резистор; 6 — аккумуляторная батарея; 7 — вольтметр




Схема проверки регулятора напряжения показана на рис. 9.17. Перед включением выключателя резистор 5 должен иметь сопротивление 4 Ом.
После установления тока 4 А по указателю тока 4 включить выключатель 3. Вольтметр 7 должен показывать напряжение не более 1,6 В.
Если регулятор не регулирует напряжение генератора, то в первую очередь необходимо проверить стабилитрон, а затем остальные полупроводниковые приборы. Если регулятор не обеспечивает нормальное возбуждение генератора (в цепь обмотки возбуждения ток не поступает), то в первую очередь необходимо проверить выходной транзистор и при необходимости остальные.
Неисправные полупроводниковые приборы подлежат замене.

« предыдущая страница
10.1.4. Возможные неисправности генератора и способы их устранения
^
к оглавлению
следующая страница »
10.1.6. Возможные неисправности регулятора напряжения и способы их устранения

Copyright © 2026 Все права защищены. Все торговые марки являются собственностью их владельцев.