|
ïîèñê
â èçáðàííîå
êàðòà ñàéòà
|
| |
 |
ÐÅÌÎÍÒ ÎÁÑËÓÆÈÂÀÍÈÅ ÝÊÑÏËÓÀÒÀÖÈß ÀÂÒÎÌÎÁÈËÅÉ Èñóäçó Òðóïåð. Isuzu Trooper (ñ 1984 ïî 1991 ãîä âûïóñêà)
ïîëíûå òåõíè÷åñêèå õàðàêòåðèñòèêè. äèàãíîñòèêà. ýëåêòðîñõåìû
|
|
|
|
|
|
 |
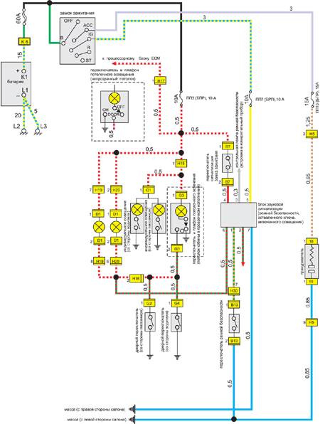
12.11. Ýëåêòðîñõåìà 10 Öåïè îñâåùåíèÿ ñàëîíà, ñèãíàëèçàöèè
è ïðèêóðèâàòåëÿ à/ì Amigo/ MU/ Jazz, Rodeo/ Passport ïîçäíåãî âûïóñêà ñ äâèãàòåëåì
4ZE1
|
|
|
Copyright © 2026 Âñå ïðàâà çàùèùåíû. Âñå òîðãîâûå ìàðêè ÿâëÿþòñÿ ñîáñòâåííîñòüþ èõ âëàäåëüöåâ. |