поиск в избранное карта сайта
  ИЖ РЕМОНТ ОБСЛУЖИВАНИЕ ЭКСПЛУАТАЦИЯ АВТОМОБИЛЕЙ
ИЖ 2717, 27171 (Ода)

полные технические характеристики. диагностика. электросхемы
 
Главная
 
ИЖ
2717, 27171 (Ода)
1. Эксплуатация и техническое обслуживание
2. Двигатель
3. Трансмиссия
4. Ходовая часть
5. Рулевое управление
6. Тормоза
7. Электрооборудование
7.1. Провода и предохранители
7.2. Электрооборудование автомобилей моделей ИЖ-2717–220 и Иж-27171–020
7.3. Электрооборудование автомобилей моделей ИЖ-2717–230 и ИЖ-27171–030
7.4. Электрооборудование автомобилей моделей иж-27171–020 и иж-27171–030
8. Кузов
9. Приложения
 


7.1. Провода и предохранители

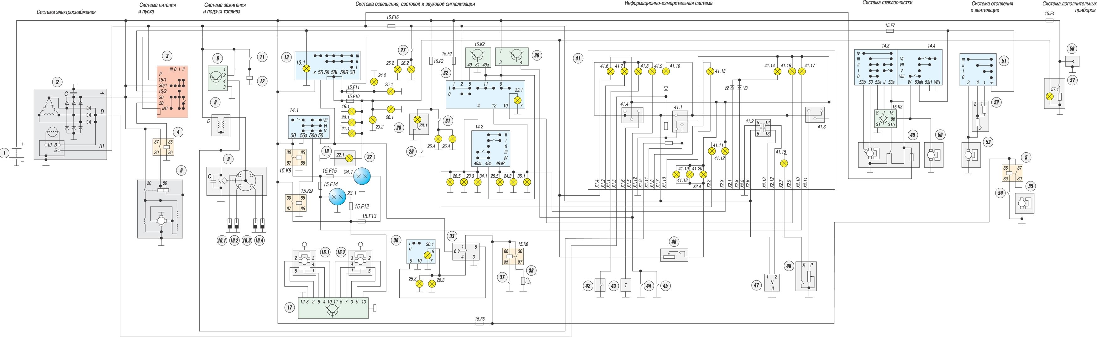
Электрооборудование автомобиля выполнено по однопроводной схеме — отрицательные выводы источников и потребителей электроэнергии соединены с «массой» (кузовом), которая выполняет функцию второго провода. Схемы электрооборудования автомобилей Иж-2717 и Иж-27171 представлены на рис. 7.1а и 7.1б (см. цветную вклейку).

а. Схема электрическая принципиальная автомобилей Иж-2717 и Иж-27171
Рис. 7.1а. Схема электрическая принципиальная автомобилей Иж-2717 и Иж-27171: 1 – аккумуляторная батарея; 2 – генератор; 3 – выключатель (замок) зажигания; 4 – реле стартера; 5 – реле включения электродвигателя вентилятора радиатора; 6 – cтартер; 7 – блок управления системы ЭПХХ; 8 – катушка зажигания; 9 – распределитель зажигания; 10.1–10.4 – свеча зажигания; 11 – микропереключатель сиситемы ЭПХХ; 12 – электромагнитный клапан системы ЭПХХ; 13 – переключатель наружного освещения; 13.1 – лампа; 14 – подрулевой переключатель; 15 – блок реле и предохранителей; 15.K2 – реле поворотов и аварийной сигнализации; 15. K3 – реле стеклоочистителя; 15.K6 – реле звукового сигнала; 15. K8 – реле дальнего света фар; 15.K9 – реле ближнего света фар; 15F10–15.F15 – предохранитель 7, 5 А; 15.F2, 15.FЗ — предохранитель 10 А; 15.F16 – предохранитель 15 А; 15.F4, 15.F5 – предохранитель 20 А; 15.F7 – предохранитель З0 А; 16.1, 16.2 – электропривод корректора фар; 17 – блок управления корректором фар; 18 – выключатель фонаря освещения вещевого ящика; 19, 20 - фонарь освещения номерного знака; 19.1, 20.1 – лампа; 21 – патрон подсветки символов; 21.1 – лампа; 22 – фонарь освещения вещевого ящика; 22.1 – лампа; 23 – блок-фара левая; 23.1 – лампа; 23.2 – лампа габарита; 23.3 – лампа указателя поворота; 24 – левая блок-фара; 24.1 – лампа; 24.2 – лампа габарита; 24.3 – лампа указателя поворота; 25 – задний правый фонарь; 25.1 – лампа габаритного света; 25.2 – лампа заднего хода; 25.3 – лампа противотуманная; 25.4 – лампа стоп-сигнала; 25.5 – лампа указателя поворота; 26 – задний левый фонарь; 26.1 – лампа габаритного света; 26.2 – лампа заднего хода; 26.3 – лампа противотуманная; 26.4 – лампа стоп-сигнала; 26.5 – лампа указателя поворота; 27 – выключатель света заднего хода; 28 – плафон освещения салона; 28.1 – лампа; 29 – выключатель плафона освещения салона; 30 – выключатель противотуманного света; 30.1 – лампа; 31 – выключатель стоп-сигнала; 32 – выключатель аварийной сигнализации; 32.1 – лампа; 33 – реле задних противотуманных фонарей; 34, 35 – боковой указатель поворота; 34.1, 35.1 – лампа; 36 – звуковой сигнализатор указателя поворота и стояночного тормоза; 37 – выключатель звукового сигнала на рулевой колонке; 38 – звуковой сигнал; 41 – комбинация приборов; 41.1 – тахометр; 41.2 – спидометр; 41.3 – указатель уровня топлива; 41.4 – указатель температуры охлаждающей жидкости; 41.6 – контрольная лампа включения центрального переключателя наружного освещения; 41.7 – контрольная лампа закрытия воздушной заслонки карбюратора; 41.8 – сигнальная лампа аварийного падения давления масла; 41.9 –сигнальная лампа аварийного состояния тормозной системы; 41.10 – сигнальная лампа разряда аккумуляторной батареи; 41.11 – контрольная лампа включения левого указателя поворота; 41.12 – контрольная лампа включения правого указателя поворота; 41.13 – лампа контроля двигателя; 41.14 – сигнальная лампа падения уровня тормозной жидкости; 41.15 – сигнальная лампа резерва топлива; 41.16 – контрольная лампа включения аварийной сигнализации; 41.17 – контрольная лампа включения дальнего света; 41.18–41.20 – лампа освещения приборов; 42 – датчик указателя давления масла; 43 – датчик указателя температуры охлаждающей жидкости; 44 – выключатель контрольной лампы аварийного состояния тормозов; 45 – выключатель контрольной лампы стояночного тормоза; 46 – выключатель освещения приборов; 47 – датчик скорости автомобиля; 48 – датчик указателя уровня топлива; 49 – моторедуктор стеклоочистителя; 50 – электродвигатель омывателя ветрового стекла; 51 – переключатель отопителя; 52 – добавочный резистор отопителя; 53 – электродвигатель вентилятора отопителя; 54 – термореле электродвигателя вентилятора системы охлаждения; 55 – электродвигатель вентилятора системы охлаждения; 56 – штепсельная розетка; 57 – прикуриватель; 58 – лампа


б. Схема электрооборудования автомобилей Иж-2717 и Иж-27171: 1 – аккумуляторная батарея; 2 – генератор; 3 – выключатель (замок) зажигания; 4 – реле стартера; 5 – реле включения электродвигателя вентилятора радиатора; 6 – стартер; 7 – блок управления системы ЭПХХ; 8 – катушка зажигания; 9 – распределитель зажигания; 10.1–10.4 – свеча зажигания; 11 – микропереключатель системы ЭПХХ; 12 – электромагнитный клапан системы ЭПХХ; 13 – переключатель наружного освещения; 14 – подрулевой переключатель; 15 – блок реле и предохранителей; 16.1, 16.2 – электропривод корректора фар; 17 – блок управления корректором фар; 18 – выключатель фонаря освещения вещевого ящика; 19, 20 – фонарь освещения номерного знака; 21 –патрон подсветки символов; 22 – фонарь освещения вещевого ящика; 23 – левая блок-фара; 24 – правая блок-фара; 25 – правый задний фонарь; 26 – левый задний фонарь; 27 – выключатель света заднего хода; 28 – плафон освещения салона; 29 – выключатель плафона освещения салона; 30 – выключатель противотуманного света; 31 – выключатель стоп-сигнала; 32 – выключатель аварийной сигнализации; 33 – реле задних противотуманных фонарей; 34, 35 – боковой указатель поворота; 36 – звуковой сигнализатор указателя поворота и стояночного тормоза; 37 – выключатель звукового сигнала; 38 – звуковой сигнал; 41 – комбинация приборов; 41.1 – тахометр; 41.2 – спидометр; 41.3 – указатель уровня топлива; 41.4 – указатель температуры охлаждающей жидкости; 41.6 – контрольная лампа включения центрального переключателя наружного освещения; 41.7 – контрольная лампа закрытия воздушной заслонки карбюратора; 41.8 – сигнальная лампа аварийного падения давления масла; 41.9 – сигнальная лампа аварийного состояния тормозной системы; 41.10– сигнальная лампа разряда аккумуляторной батареи; 41.11 – контрольная лампа включения левого указателя поворота; 41.12– контрольная лампа включения правого указателя поворота; 41.13 – лампа контроля двигателя; 41.14 – сигнальная лампа падения уровня тормозной жидкости; 41.15 – сигнальная лампа резерва топлива; 41.16 – контрольная лампа включения аварийной сигнализации; 41.17 – контрольная лампа включения дальнего света; 41.18–41.20 – лампа освещения приборов; 42 – датчик указателя давления масла; 43 – датчик указателя температуры охлаждающей жидкости; 44 – выключатель контрольной лампы аварийного состояния тормозов; 45 – выключатель контрольной лампы стояночного тормоза; 46 – выключатель освещения приборов; 47 – датчик скорости автомобиля; 48 – датчик указателя уровня топлива; 49 – моторедуктор стеклоочистителя; 50 – электродвигатель омывателя ветрового стекла; 51 – переключатель отопителя; 52 – добавочный резистор отопителя; 53 – электродвигатель вентилятора отопителя; 54 – термореле электродвигателя вентилятора системы охлаждения; 55 – электродвигатель вентилятора системы охлаждения; 56 – штепсельная розетка; 57 – прикуриватель; 58, 59 – разъем жгута проводовРеле и предохранители блока реле и предохранителей
Рис. 7.1б. Схема электрооборудования автомобилей Иж-2717 и Иж-27171: 1 – аккумуляторная батарея; 2 – генератор; 3 – выключатель (замок) зажигания; 4 – реле стартера; 5 – реле включения электродвигателя вентилятора радиатора; 6 – стартер; 7 – блок управления системы ЭПХХ; 8 – катушка зажигания; 9 – распределитель зажигания; 10.1–10.4 – свеча зажигания; 11 – микропереключатель системы ЭПХХ; 12 – электромагнитный клапан системы ЭПХХ; 13 – переключатель наружного освещения; 14 – подрулевой переключатель; 15 – блок реле и предохранителей; 16.1, 16.2 – электропривод корректора фар; 17 – блок управления корректором фар; 18 – выключатель фонаря освещения вещевого ящика; 19, 20 – фонарь освещения номерного знака; 21 –патрон подсветки символов; 22 – фонарь освещения вещевого ящика; 23 – левая блок-фара; 24 – правая блок-фара; 25 – правый задний фонарь; 26 – левый задний фонарь; 27 – выключатель света заднего хода; 28 – плафон освещения салона; 29 – выключатель плафона освещения салона; 30 – выключатель противотуманного света; 31 – выключатель стоп-сигнала; 32 – выключатель аварийной сигнализации; 33 – реле задних противотуманных фонарей; 34, 35 – боковой указатель поворота; 36 – звуковой сигнализатор указателя поворота и стояночного тормоза; 37 – выключатель звукового сигнала; 38 – звуковой сигнал; 41 – комбинация приборов; 41.1 – тахометр; 41.2 – спидометр; 41.3 – указатель уровня топлива; 41.4 – указатель температуры охлаждающей жидкости; 41.6 – контрольная лампа включения центрального переключателя наружного освещения; 41.7 – контрольная лампа закрытия воздушной заслонки карбюратора; 41.8 – сигнальная лампа аварийного падения давления масла; 41.9 – сигнальная лампа аварийного состояния тормозной системы; 41.10– сигнальная лампа разряда аккумуляторной батареи; 41.11 – контрольная лампа включения левого указателя поворота; 41.12– контрольная лампа включения правого указателя поворота; 41.13 – лампа контроля двигателя; 41.14 – сигнальная лампа падения уровня тормозной жидкости; 41.15 – сигнальная лампа резерва топлива; 41.16 – контрольная лампа включения аварийной сигнализации; 41.17 – контрольная лампа включения дальнего света; 41.18–41.20 – лампа освещения приборов; 42 – датчик указателя давления масла; 43 – датчик указателя температуры охлаждающей жидкости; 44 – выключатель контрольной лампы аварийного состояния тормозов; 45 – выключатель контрольной лампы стояночного тормоза; 46 – выключатель освещения приборов; 47 – датчик скорости автомобиля; 48 – датчик указателя уровня топлива; 49 – моторедуктор стеклоочистителя; 50 – электродвигатель омывателя ветрового стекла; 51 – переключатель отопителя; 52 – добавочный резистор отопителя; 53 – электродвигатель вентилятора отопителя; 54 – термореле электродвигателя вентилятора системы охлаждения; 55 – электродвигатель вентилятора системы охлаждения; 56 – штепсельная розетка; 57 – прикуриватель; 58, 59 – разъем жгута проводов
Реле и предохранители блока реле и предохранителей: К2 – реле указателей поворотов и аварийной сигнализации; КЗ – реле стеклоочистителя; К6 – реле звукового сигнала; К8 – реле дальнего света фар; К9 – реле ближнего света фар; F10–F15 – предохранитель 7,5 А; F2, FЗ — предохранитель 10А; F15, F16 – предохранитель 15 А; F4, F5 – предохранитель 20 А; F7 – предохранитель 30 А


Расположение реле и предохранителей в монтажном блоке 2114. 3722 (367.3722)
Рис. 7.2. Расположение реле и предохранителей в монтажном блоке 2114. 3722 (367.3722): К1 – реле включения очистителей фар ( в блоке 367.3722 – отсутствует) ; К2 – реле-прерыватель указателей поворота и аварийной сигнализации; К3 – реле очистителя ветрового стекла; К4 – реле контроля исправности ламп (в блоке 367.3722 – отсутствует); К5 – реле включения стеклоподъемников ( в блоке 367.3722 – отсутствует); К6 – реле включения звуковых сигналов; К7 – реле включения обогрева заднего стекла; К8 – реле включения дальнего света; К9 – реле включения ближнего света; F1 – F16 – плавкие предохранители; F17 – F20 – запасные предохранители


Схема внутренних соединений монтажного блока 21214.3722 (367.3722)
Рис. 7.3. Схема внутренних соединений монтажного блока 21214.3722 (367.3722) : К1- реле включения очистителей фар ( в блоке 367.3722 – отсутствует) ; К2 – реле-прерыватель указателей поворота и аварийной сигнализации; К3 – реле очистителя ветрового стекла; К4 – реле контроля исправности ламп (в блоке 367.3722 – отсутствует); К5 – реле включения стеклоподъемников (в блоке 367.3722 – отсутствует); К6 – реле включения звуковых сигналов; К7 – реле включения обогрева заднего стекла; К8 – реле включения дальнего света; К9 – реле включения ближнего света; F1 – F16 – плавкие предохранители


Большинство электроцепей включаются выключателем зажигания и защищены плавкими предохранителями. Все предохранители и вспомогательные реле смонтированы в монтажном блоке (рис. 7.2), установленном в подкапотном пространстве с левой стороны. К монтажному блоку подходят все провода от заднего, переднего жгутов, жгутов панели приборов и стеклоочистителя и коммутируются в нем согласно схеме на рис. 7.3.
Всегда остаются включенными (независимо от положения ключа в выключателе зажигания) цепи питания звукового сигнала, плафона, стоп-сигнала, прикуривателя, аварийной сигнализации и розетки переносной лампы.
Не защищены плавкими предохранителями следующие цепи:
зарядки аккумуляторной батареи;
зажигания и пуска двигателя;
управления электромагнитным клапаном экономайзера принудительного холостого хода (ЭПХХ).
Прежде чем заменить перегоревший предохранитель, необходимо выяснить причину его сгорания и устранить ее.

При поисках неисправности просмотрите указанные в табл. 7.1 цепи, которые защищает данный предохранитель. На обратной стороне крышки монтажного блока нанесены номера предохранителей, указанные в таблице.

На схеме цвет проводов обозначен буквами (табл. 7.2), обозначения устройств электрооборудования даны цифрами.
Колодка Ш4 на монтажном блоке имеет метку красного цвета.

Цвета проводов, присоединяемых к монтажному блоку с нижней стороны (цифрами указаны условные номера штырей)
Рис. 7.4. Цвета проводов, присоединяемых к монтажному блоку с нижней стороны (цифрами указаны условные номера штырей)


Соединительные колодки Ш1, Ш2, ШЗ, Ш4, Ш10 объединяют провода жгута панели приборов; колодки Ш5, Ш6, Ш7, Ш8 – переднего жгута; Ш9 – заднего жгута; Ш11 – жгута стеклоочистителя. Условные номера штекеров в соединительных колодках монтажного блока и цвета проводов указаны на рис. 7.4 и 7.5.


Цвета проводов присоединяемых к монтажному блоку с верхней стороны ( цифрами указаны условные номера штырей)
Рис. 7.5. Цвета проводов присоединяемых к монтажному блоку с верхней стороны ( цифрами указаны условные номера штырей)


        ПРЕДУПРЕЖДЕНИЕ
При проверке исправности схемы электрооборудования автомобиля нельзя замыкать на «массу» провода, так как это может привести к перегоранию токоведущих дорожек монтажного блока.

Ремонтируют монтажный блок, заменяя печатные платы. Допускается припайка проводов взамен перегоревших токоведущих дорожек на печатных платах, если только для этого не требуется разъединять печатные платы.
Разбирайте монтажный блок для замены или ремонта печатных плат в следующем порядке:
1. Снимите крышку и выньте из гнезд монтажного блока реле, перемычки и предохранители.
2. Отверните винты крепления и снимите верхнюю половину корпуса монтажного блока.
3. Выньте из нижней половины корпуса блок печатных плат.
Собирайте монтажный блок в обратном порядке.

« предыдущая страница
7. Электрооборудование
^
к оглавлению
следующая страница »
7.2. Электрооборудование автомобилей моделей ИЖ-2717–220 и Иж-27171–020

Copyright © 2026 Все права защищены. Все торговые марки являются собственностью их владельцев.