поиск в избранное карта сайта
  KIA РЕМОНТ ОБСЛУЖИВАНИЕ ЭКСПЛУАТАЦИЯ АВТОМОБИЛЕЙ
Киа Сефия, Шума. KIA Sephia / Shuma (с 1995 года выпуска)

полные технические характеристики. диагностика. электросхемы
 
Главная
 
KIA
Sephia / Shuma
1. Техническое обслуживание
2. Двигатель
3. Система смазки
4. Система охлаждения
5. Системы питания и выпуска
6. Топливная система
7. Система зажигания
8. Сцепление
9. Механическая коробка передач
10. Автоматическая коробка передач
11. Оси и приводные валы
12. Рулевое управление
13. Колеса и шины
14. Тормозная система
15. Подвеска
16. Кузов
17. Система кондиционирования
18. Электрическое оборудование
18.1. Технические данные
18.2. Электрические цепи
18.3. Предохранители
18.4. Аккумуляторная батарея
18.5. Проверка уровня и плотности электролита и зарядка
18.6. Необслуживаемые батареи
18.7. Провода и клеммы
18.8. Зарядка стандартных батарей
18.9. Стартер
18.10. Выключатель блокировки стартера
18.11. Снятие и установка стартера
18.12. Ремонт стартера
18.13. Проверка тягового реле
18.14. Проверка щеток и щеткодержателя
18.15. Проверка катушек статора
18.16. Проверка ротора
18.17. Генератор
18.18. Ремень привода генератора
18.19. Снятие и установка генератора
18.20. Ремонт генератора
18.21. Проверка обогревателя заднего стекла
18.22. Подушка безопасности водителя
18.23. Подушка безопасности переднего пассажира
18.24. Спиральный провод
18.25. Диагностика неисправностей системы пуска и методы их устранения
18.26. Электрические схемы
18.26.1. Система охлаждения
18.26.2. Система контроля и снижения токсичности отработавших газов (двигатели TED)
18.26.3. Система контроля и снижения токсичности отработавших газов (двигатели BFD)
18.26.4. Система пуска двигателя
18.26.5. Система зарядки
18.26.6. Управление автоматической коробкой передач
18.26.7. Тормозная система
18.26.8. Подушка безопасности
18.26.9. Система кондиционирования воздуха
 


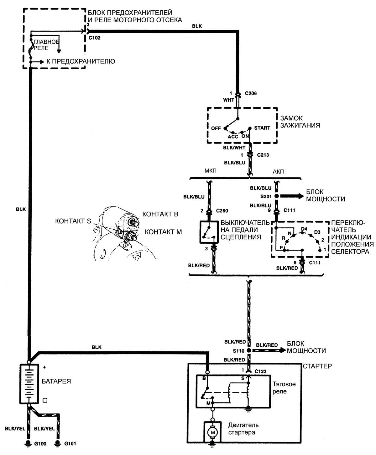
18.26.4. Система пуска двигателя


« предыдущая страница
18.26.3. Система контроля и снижения токсичности отработавших газов (двигатели BFD)
^
к оглавлению
следующая страница »
18.26.5. Система зарядки

Copyright © 2026 Все права защищены. Все торговые марки являются собственностью их владельцев.