поиск в избранное карта сайта
  Mazda РЕМОНТ ОБСЛУЖИВАНИЕ ЭКСПЛУАТАЦИЯ АВТОМОБИЛЕЙ
Мазда 3. Mazda 3 (с 2003 года выпуска)

полные технические характеристики. диагностика. электросхемы
 
Главная
 
Mazda
3
1. Эксплуатация и техническое обслуживание автомобиля
2. Двигатель
2.1. Общее описание новых двигателей моделей L8, LF и L3
2.1.1. Механическая часть двигателей
2.1.2. Механизм изменения фаз газораспределения
2.1.3. Система смазки
2.1.4. Система охлаждения
2.1.5. Топливная система
2.1.5.1. Общие сведения
2.1.5.2. Система впуска
2.1.5.3. Основные особенности воздуховода с переменными характеристиками (VAD)(L3)
2.1.5.4. Исполнительный механизм системы (VAD)(L3)
2.1.5.5. Электромагнитный клапан системы (VAD)(L3)
2.1.5.6. Обратный клапан системы (VAD)(L3)
2.1.5.7. Топливный узел
2.1.5.8. Блок топливного насоса
2.1.6. Система выпуска отработавших газов и система снижения токсичности
2.1.7. Электрооборудование двигателей
2.2. Механическая часть двигателей
2.3. Приложение 1
2.4. Приложение 2
2.5. Приложение 3
2.6. Двигатель Z6 – механическая часть
2.7. Система смазки
2.8. Система охлаждения
2.9. Система впуска
2.10. Топливная система
2.11. Система выпуска отработавших газов и система снижения токсичности
2.12. Система зажигания
2.13. Система управления
2.14. Таблицы
3. Трансмиссия
4. Ходовая часть
5. Рулевой механизм
6. Тормозная система
7. Бортовое электрооборудование
8. Кузов
 


2.1.5.1. Общие сведения

Автомобили Mazda 3 (GG) оборудованы новыми двигателеми серии L. Особенности двигателей серии L привелены ниже:

Схема системы управления топливной системой автомобиля Mazda 3: 1 – блок PCM; 2 – катушка зажигания; 3 – генератор; 4* – заслонка системы VAD; 5 – воздушный фильтр; 6 – датчик массового расхода воздуха; 7* – исполнительный механизм заслонки системы VAD; 8* – управляющий электромагнитный клапан системы VAD; 9* – вакуумная камера; 10* – обратный клапан системы VAD; 11 – регулятор холостого хода; 12 – электромагнитный клапан продувки; 13 – датчик положения дроссельной заслонки; 14 – датчик абсолютного давления; 15* – управляющий электромагнитный клапан системы VIS; 16 – управляющий электромагнитный клапан Variable tumble; 17* – исполнительный механизм заслонки системы VIS; 18* – заслонка системы VIS; 19 – исполнительный механизм заслонки системы VTCS; 20 – заслонка системы VTCS; 21 – топливная форсунка; 22* – управляющий масляный клапан; 23 – датчик положения распредвала; 24 – клапан системы рециркуляции отработавших газов; 25 – датчик детонации; 26 – датчик температуры охлаждающей жидкости; 27 – клапан вентиляции картера; 28 – датчик положения коленвала; 29 – датчик концентрации кислорода с подогревом (передний); 30 – датчик концентрации кислорода с подогревом (задний); 31 – емкость с активированным углем (адсорбер); 32 – обратный клапан (двухсторонний); 33 – регулятор давления; 34 – топливный фильтр (высокого давления); 35 – топливный насос; 36 – топливный фильтр (низкого давления); 37 – топливный бак; 38 – гравитационный клапан; 39 – гаситель пульсаций; 40 – к блоку PCM; Примечание – *
Рис. 2.53. Схема системы управления топливной системой автомобиля Mazda 3: 1 – блок PCM; 2 – катушка зажигания; 3 – генератор; 4* – заслонка системы VAD; 5 – воздушный фильтр; 6 – датчик массового расхода воздуха; 7* – исполнительный механизм заслонки системы VAD; 8* – управляющий электромагнитный клапан системы VAD; 9* – вакуумная камера; 10* – обратный клапан системы VAD; 11 – регулятор холостого хода; 12 – электромагнитный клапан продувки; 13 – датчик положения дроссельной заслонки; 14 – датчик абсолютного давления; 15* – управляющий электромагнитный клапан системы VIS; 16 – управляющий электромагнитный клапан Variable tumble; 17* – исполнительный механизм заслонки системы VIS; 18* – заслонка системы VIS; 19 – исполнительный механизм заслонки системы VTCS; 20 – заслонка системы VTCS; 21 – топливная форсунка; 22* – управляющий масляный клапан; 23 – датчик положения распредвала; 24 – клапан системы рециркуляции отработавших газов; 25 – датчик детонации; 26 – датчик температуры охлаждающей жидкости; 27 – клапан вентиляции картера; 28 – датчик положения коленвала; 29 – датчик концентрации кислорода с подогревом (передний); 30 – датчик концентрации кислорода с подогревом (задний); 31 – емкость с активированным углем (адсорбер); 32 – обратный клапан (двухсторонний); 33 – регулятор давления; 34 – топливный фильтр (высокого давления); 35 – топливный насос; 36 – топливный фильтр (низкого давления); 37 – топливный бак; 38 – гравитационный клапан; 39 – гаситель пульсаций; 40 – к блоку PCM; Примечание – * : для двигателей L3



– Используется локальная сеть контроллера САN.
– Используется механическая топливная система без возврата топлива в бак.
– Используется система управления впуском для улучшения характеристик двигателя в области высоких частот вращения (двигатель L3).
– Система управления фазами газораспределения используется для улучшения характеристик двигателя (двигатель L3).
– Система впуска с переменными характеристиками используется для увеличения крутящего момента двигателя и эффективности сгорания (двигатель L3).
– Система управления впрыском топлива осуществляет коррекцию по абсолютному давлению во впускном коллекторе.
– Система имеет нерегулируемый угол опережения зажигания.
– Все соединения топливопроводов оборудованы быстросъемными соединителями.
– Используется функция самодиагностики KOEO/KOER.
– Изменен процесс хранения необработанных кодов.
– Изменен режим работы сигнализатора MIL для ездового цикла второго типа.

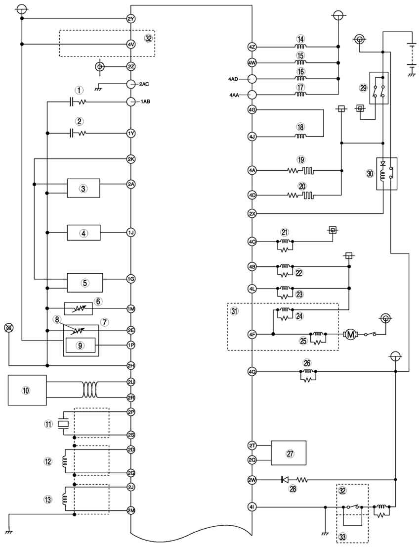
а. Монтажная схема системы управления топливной системой автомобиля Mazda 3 с иммобилайзером (часть 1)
Рис. 2.54а. Монтажная схема системы управления топливной системой автомобиля Mazda 3 с иммобилайзером (часть 1)


Система управления топливной системой автомобиля Mazda 3 с иммобилайзером (рис. 2.54а, 2.54б) содержит следующие элементы: 1 – датчик концентрации кислорода с подогревом (передний); 2 – датчик концентрации кислорода с подогревом (задний); 3 – датчик положения дроссельной заслонки; 4 – датчик абсолютного давления во впускном коллекторе; 5 – датчик давления; 6 – датчик температуры охлаждающей жидкости; 7 – датчик массового расхода воздуха/температуры воздуха на впуске; 8 – датчик температуры воздуха на впуске; 9 – датчик абсолютного давления во впускном коллекторе; 10 – локальная сеть контроллера (CAN); 11 – датчик детонации; 12 – датчик положения коленвала; 13 – датчик положения распредвала; 14 – топливная форсунка № 1; 15 – топливная форсунка № 2; 16 – топливная форсунка № 3; 17 – топливная форсунка № 4; 18 – регулятор холостого хода; 19 – нагреватель датчика концентрации кислорода (передний); 20 – нагреватель датчика концентрации кислорода (задний); 21 – реле системы кондиционирования воздуха; 22 – реле вентилятора системы охлаждения; 23 – реле вентилятора системы охлаждения; 24 – реле вентилятора системы охлаждения; 25 – реле вентилятора системы охлаждения; 26 – реле топливного насоса; 27 – спираль; 28 – лампа безопасности; 29 – выключатель зажигания; 30 – главное реле; 31 – двигатели L8, LF (горячая область) и L3; 32 – модели с автоматической коробкой передач; 33 – модели с механической коробкой передач; 34 – генератор; 35 – датчик давления хладагента (средний); 36 – датчик давления гидроусилителя рулевого управления; 37 – электродвигатель вентилятора; 38 – датчик давления хладагента (высокий и низкий); 39 – выключатель системы кондиционирования воздуха; 40 – выключатель сигналов торможения; 41 – выключатель нейтрали; 42 – выключатель сцепления; 43- выключатель диапазона коробки передач; 44 – турбинный датчик скорости; 45 – выключатель HOLD; 46 – датчик TFT; 47 – датчик давления масла; 48 – датчик скорости автомобиля; 49 – катушка зажигания; 50 – генератор; 51 – электромагнитный клапан продувки; 52 – управляющий электромагнитный клапан системы VAD; 53 – клапан системы рециркуляции отработавших газов; 54 – управляющий электромагнитный клапан Variable tumble; 55 – управляющий электромагнитный клапан системы VIS; 56 – управляющий масляный клапан; 57 – корпус клапана; 58 – сигнал торможения; 59 – двигатели L8, LF (горячая область) и L3; 60 – модель с механической коробкой передач; 61 – модели с автоматической коробкой передач; 62 – двигатель L3

б. Монтажная схема системы управления топливной системой автомобиля Mazda 3 с иммобилайзером (часть 2 – продолжение)
Рис. 2.54б. Монтажная схема системы управления топливной системой автомобиля Mazda 3 с иммобилайзером (часть 2 – продолжение)


а. Монтажная схема системы управления топливной системой автомобиля Mazda 3 без иммобилайзера (часть 1)
Рис. 2.55а. Монтажная схема системы управления топливной системой автомобиля Mazda 3 без иммобилайзера (часть 1)


Система управления топливной системой автомобиля Mazda 3 без иммобилайзера (рис. 2.55а, 2.55б) содержит следующие элементы: 1 – датчик концентрации кислорода с подогревом (передний); 2 – датчик концентрации кислорода с подогревом (задний); 3 – датчик положения дроссельной заслонки; 4 – датчик абсолютного давления во впускном коллекторе; 5 – датчик давления; 6 – датчик температуры охлаждающей жидкости; 7 – датчик массового расхода воздуха/температуры воздуха на впуске; 8 – датчик температуры воздуха на впуске; 9 – датчик абсолютного давления во впускном коллекторе; 10 – локальная сеть контроллера (CAN); 11 – датчик детонации; 12 – датчик положения коленвала; 13 – датчик положения распредвала; 14 – топливная форсунка № 1; 15 – топливная форсунка № 2; 16 – топливная форсунка № 3; 17 – топливная форсунка № 4; 18 – регулятор холостого хода; 19 – нагреватель датчика концентрации кислорода (передний); 20 – нагреватель датчика концентрации кислорода (задний); 21 – реле системы кондиционирования воздуха; 22 – реле вентилятора системы охлаждения; 23 – реле вентилятора системы охлаждения; 24 – реле вентилятора системы охлаждения; 25 – реле вентилятора системы охлаждения; 26 – реле топливного насоса; 27 – выключатель зажигания; 28 – главное реле; 29 – двигатели L8, LF (горячая область) и L3; 30 – модели с автоматической коробкой передач; 31 – генератор; 32 – датчик давления хладагента (средний); 33 – датчик давления гидроусилителя рулевого управления; 34 – электродвигатель вентилятора; 35 – датчик давления хладагента (высокий и низкий); 36 – выключатель системы кондиционирования воздуха; 37 – выключатель сигналов торможения; 38 – сигнал торможения; 39 – выключатель нейтрали; 40 – выключатель сцепления; 41 – выключатель диапазона коробки передач; 42 – датчик скорости входа/турбины; 43 – выключатель HOLD; 44 – датчик TFT; 45 – датчик давления масла; 46 – датчик скорости автомобиля; 47 – датчик давления масла; 48 – датчик скорости автомобиля; 48 – генератор; 49 – электромагнитный клапан продувки; 50 – управляющий электромагнитный клапан системы VAD; 51 – клапан системы рециркуляции отработавших газов; 52 – управляющий электромагнитный клапан Variable tumble; 53 – управляющий электромагнитный клапан системы VIS; 54 – управляющий масляный клапан; 55 – корпус клапана; 56 – двигатели L8, LF (горячая область) и L3; 57 – модели с механической коробкой передач; 58 – модели с автоматической коробкой передач; 59 – двигатель L3.

б. Монтажная схема системы управления топливной системой автомобиля Mazda 3 без иммобилайзера (часть 2 – продолжение)
Рис. 2.55б. Монтажная схема системы управления топливной системой автомобиля Mazda 3 без иммобилайзера (часть 2 – продолжение)


« предыдущая страница
2.1.5. Топливная система
^
к оглавлению
следующая страница »
2.1.5.2. Система впуска

Copyright © 2026 Все права защищены. Все торговые марки являются собственностью их владельцев.