поиск в избранное карта сайта
  Mazda РЕМОНТ ОБСЛУЖИВАНИЕ ЭКСПЛУАТАЦИЯ АВТОМОБИЛЕЙ
Мазда 626. Mazda 626 (с 1991 по 1998 год выпуска)

полные технические характеристики. диагностика. электросхемы
 
Главная
 
Mazda
626
1. Инструкция по эксплуатации
2. Техническое обслуживание
3. Двигатели
4. Отопление и вентиляция
5. Топливная система
6. Выхлопная система
7. Коробки передач
8. Сцепление и полуоси
9. Тормозная система
10. Ходовая часть
11. Кузов
12. Электрооборудование
13. Электросхемы
13.1. Системы запуска двигателя и подзарядки аккумулятора
13.2. Система управления работой двигателя
13.3. Фары головного света
13.4. Внешние осветительные приборы
13.5. Фонари заднего хода
13.6. Электрические стеклоподъемники
13.7. Центральный замок и система дистанционного управления
13.8. Система освещения салона
13.9. Внутренние осветительные приборы
13.10. Датчики приборного щитка и сигнальные лампочки
13.11. Система круиз-контроля
13.12. Стеклоочистители и омыватели лобового стекла
13.13. Печка и кондиционер (включая вентилятор охлаждения двигателя)
13.13.1. Модели с 4-цилиндровым двигателем 1993 г. выпуска
13.13.2. Модели с 6-цилиндровым двигателем 1993 г. выпуска
13.13.3. Модели с 4-цилиндровым двигателем 1994-1997 гг. выпуска
13.13.4. Модели с 6-цилиндровым двигателем 1994-1997 гг. выпуска
13.13.5. Модели 1998 г. выпуска
13.14. Стереосистема
14. Полезные советы
 


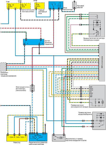
13.13.4. Модели с 6-цилиндровым двигателем 1994-1997 гг. выпуска




« предыдущая страница
13.13.3. Модели с 4-цилиндровым двигателем 1994-1997 гг. выпуска
^
к оглавлению
следующая страница »
13.13.5. Модели 1998 г. выпуска

Copyright © 2026 Все права защищены. Все торговые марки являются собственностью их владельцев.