поиск в избранное карта сайта
  Mercedes-Benz РЕМОНТ ОБСЛУЖИВАНИЕ ЭКСПЛУАТАЦИЯ АВТОМОБИЛЕЙ
Мерседес-Бенц Спринтер. Mercedes-Benz Sprinter (с 1995 по 2000 год выпуска)

полные технические характеристики. диагностика. электросхемы
 
Главная
 
Mercedes-Benz
Sprinter
1. Общие сведения
2. Двигатель
3. Система смазки
4. Система охлаждения
5. Системы впрыска и выпуска отработавших газов
6. Сцепление
7. Механическая коробка передач
7.1. Снятие и установка коробки передач
7.2. Ремонт коробки передач
7.3. Проверка уровня масла в коробке передач и замена масла
8. Передний мост
9. Задний мост и карданный вал
10. Передняя и задняя подвески
11. Рулевое управление
12. Тормозная система
13. Система электрооборудования
14. Шины и диски
15. Автоматическая коробка передач
16. Карта технического обслуживания
17. Приложения
18. Схемы электрооборудования
 


7. Механическая коробка передач




На автомобиле Mercedes Sprinter установлена пятиступенчатая коробка передач G 16-5/4.898, имеющая обозначение 711.603. На некоторых модификациях применяют КП типа G 28-5. Это обозначение пригодится вам в случае замены КП на бывшую в употреблении.

Предупреждение
На разных этапах производства в КП заливались разные сорта масла. В КП с номерами до 051 110 использовалось трансмиссионное масло SAE 80, начиная с номера 051 110 — масло марки SAE 75W85. Смешение этих масел не допускается. При замене трансмиссионного масла следует заливать масло второй марки. При этом надо полностью слить из КП масло прежней марки.


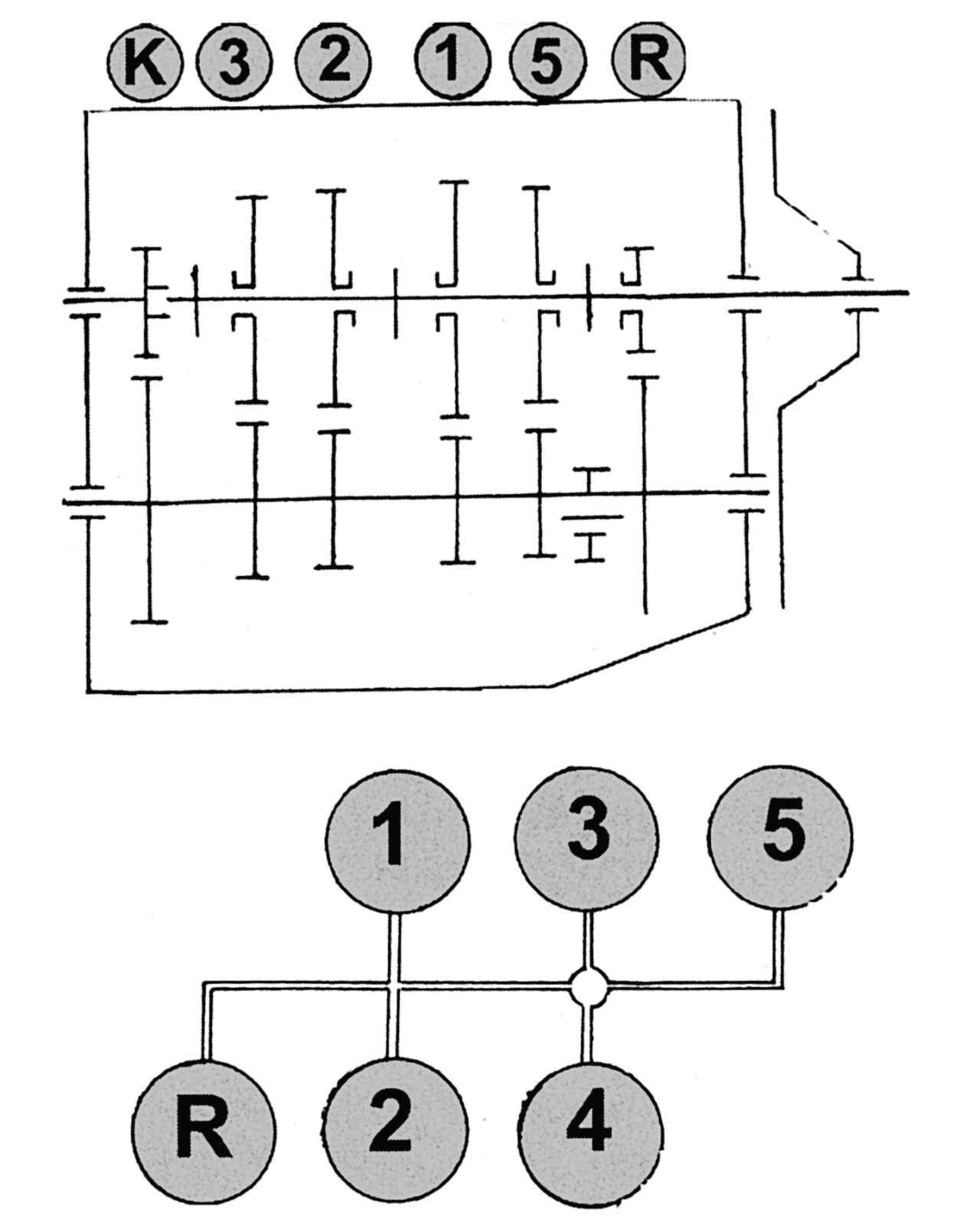
Схема расположения шестерен 1–5 передач, а также передачи заднего хода (вверху) и схема переключения передач (внизу)
Рис. 185. Схема расположения шестерен 1–5 передач, а также передачи заднего хода (вверху) и схема переключения передач (внизу)




Передачи включаются через шток переключения непосредственно рычагом переключения передач. На рис. 185 показаны схемы переключения передач.
Внутри КП включение передач осуществляется штоком, который через отдельные вилки соединяет муфты включения с шестернями передач.
К коробке передач подключены два электрических прибора — датчик спидометра и выключатель сигнала заднего хода. Сигнал, передаваемый на спидометр, снимается с ведомого конического зубчатого колеса дифференциала. Спидометр преобразует получаемые импульсы и выдает информацию о скорости. Выключатель заднего хода задействуют непосредственно вилкой включения задней передачи.
Крутящий момент через сцепление передается на ведомый вал КП. На нем расположены ведомые шестерни 1–5 передач и шестерня задней передачи. Шестерни находятся в контакте с шестернями промежуточного вала. Если рычаг переключения передач находится в нейтральном положении, шестерни вращаются свободно. При включении передачи одна из пар шестерен соединяется с валом и крутящий момент передается на ведомый вал КП. Отношение зубьев пары шестерен образует передаточное число. Все передачи, за исключением передачи заднего хода, синхронизированы.

« предыдущая страница
6.8. Возможные неисправности сцепления
^
к оглавлению
следующая страница »
7.1. Снятие и установка коробки передач

Copyright © 2026 Все права защищены. Все торговые марки являются собственностью их владельцев.