поиск в избранное карта сайта
  Mitsubishi РЕМОНТ ОБСЛУЖИВАНИЕ ЭКСПЛУАТАЦИЯ АВТОМОБИЛЕЙ
Мицубиси Паджеро. Mitsubishi Pajero (с 1982 по 1998 год выпуска)

полные технические характеристики. диагностика. электросхемы
 
Главная
 
Mitsubishi
Pajero
1. Инструкция по эксплуатации
2. Техническое обслуживание
3. Двигатели
3.1. Свечи
3.2. Проверка проводов
3.3. Система зажигания
3.4. Капитальный ремонт двигателя
3.5. Дизельный и турбодизельный двигатели 2,5 и 2,8 л
3.5.1. Снятие и установка двигателя
3.5.2. Разборка двигателя
3.5.3. Поршни и шатуны
3.5.4. Клапаны и валы коромысел
3.5.5. Головка цилиндров и клапаны, валы коромысел и коромысла
3.5.6. Головка цилиндров
3.5.7. Проверка компрессии
3.5.8. Распределительный вал и газораспределительный механизм
3.5.9. Привод механизма газораспределения
3.5.10. Регулировка зазоров клапанов
3.5.11. Регулировка натяжения зубчатого ремня
3.5.12. Снятие нижнего защитного кожуха зубчатого ремня
4. Система охлаждения
5. Система смазки
6. Система питания
7. Система выпуска
8. Топливная система
9. Ходовая часть
10. Подвеска и рулевое управление
11. Тормозная система
12. Кузов
13. Электрооборудование
14. Электросхемы
 


3.5.1. Снятие и установка двигателя

ОБЩИЕ СВЕДЕНИЯ

Расположение номера двигателя на дизельном двигателе
3.5.1. Снятие и установка двигателя

1. Тип двигателя
2. Серийный номер

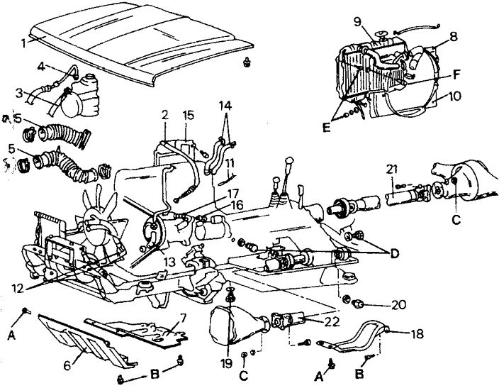
Снятие и установка дизельного двигателя с трансмиссией
3.5.1. Снятие и установка двигателя

1. Капот
2. Трос управления газом
3. Возвратный шланг, гидравлическая система рулевого управления
4. Напорный шланг, гидравлическая система рулевого управления
5. Воздушный шланг (а) дизельного двигателя, (b) турбодизельного двигателя
6. Защитный поддон двигателя
7. Защитный поддон
8. Верхняя облицовка радиатора
9. Радиатор
10. Нижняя облицовка радиатора
11. Кабельный жгут
12. Шланги масляного радиатора
13. Вакуумный шланг гидроусилителя тормозной системы
14. Шланги отопителя
15. Теплозащитный экран
16. Шланг высокого давления, кондиционер
17. Шланг низкого давления, кондиционер
18. Защитный поддон раздаточной коробки
19. Маслосливная пробка трансмиссии
20. Маслосливная пробка раздаточной коробки
21. Задний карданный вал
22. Передний карданный вал

Основные моменты затяжки:
A = 18–25 Нм
B = 10–13 Нм
С = 30–35 Нм
D = 30–35 Нм
E = 8–11 Нм
F = 3–5 Нм

Двигатель снимается вместе с коробкой передач. На рисункe представлены детали, подлежащие снятию, в последовательности их демонтажа. При описании работ даются указания только по рабочим операциям, связанным со снятием деталей.

ПОРЯДОК ВЫПОЛНЕНИЯ
1. Откройте капот моторного отсека. Слейте охлаждающую жидкость. Сливная пробка находится с нижней стороны радиатора. Вторая пробка ввернута в блок цилиндров.
2. Очертите карандашом контуры петель капота моторного отсека и отверните болты крепления капота на петлях. Снимите капот с помощником и отложите его в защищенное место.
3. Отключите и снимите аккумулятор.
4. Отсоедините от топливного насоса высокого давления трос управления газом.
5. При наличии гидроусилителя рулевого управления отсоедините возвратный и напорный шланги. Опустите шланги в подставленный сосуд для слива жидкости.
6. Снимите воздушный шланг.
7. Поставьте переднюю сторону автомобиля на подставки. Помните о том, что вес автомобиля значительный, и подставки должны быть достаточно крепкими, чтобы выдерживать этот вес. Почва должна быть достаточно твердой, чтобы подставки не утопали в почве. Отверните с передней стороны автомобиля защитные поддоны.
8. Снимите верхнюю облицовку радиатора, радиатор и нижнюю облицовку радиатора.
Если установлена автоматическая трансмиссия, перед удалением радиатора отсоедините шланги масляного радиатора. При наличии радиатора всасываемого воздух отключите его подводы. Подставьте под трансмиссию сосуд для слива вытекающей жидкости.
3.5.1. Снятие и установка двигателя

9. Отсоедините от двигателя кабельный жгут. 
Все прочие кабели отсоедините от двигателя  следующим образом: с левой стороны  двигателя отключите провод массы двигателя  и кабель стартера; отсоедините провода от  топливного насоса высокого давления (указан  стрелкой) и свечей накаливания (разъемы  указаны стрелкой). 
10. Если установлен кондиционер, отсоедините кабель температурного выключателя (вблизи водосливной пробки) и отключите разъем электромагнитной муфты.
11. С правой стороны двигателя отключите жгут проводов генератора переменного тока. Отсоедините провод массы с нижней стороны фильтра и от датчиков выключателя давления масла и измерителя давления масла.
12. Отсоедините шланги масляного радиатора. Предварительно следует слить масло.
Во избежание попадания масла закройте отсоединенные шланги и отверстия в двигателе соответствующими пробками.
13. Отсоедините вакуумный шланг от гидроусилителя тормозной системы.
14. Отсоедините шланги отопителя от мест подключения на переборке моторного отсека.
15. Отверните под автомобилем защитный поддон раздаточной коробки. Подставьте один сосуд под коробкой передач, а второй под раздаточной коробкой и выверните обе маслосливные пробки. Полностью слейте масло и снова заверните пробки. Момент затяжки пробок от 30 до 35 Н м.
16. Отверните фланцевые крепления заднего и переднего карданных валов.
17. Если на двигателе установлена тросовая лебедка, снимите приводной вал, шплинт и трос переключения.
18. Отверните фланец передней трубы глушителя от выпускного коллектора.
19. Отсоедините гибкий валик спидометра , провода выключателя фонарей заднего хода и жгут проводов контрольной лампы привода на все колеса.
20. Отверните исполнительный цилиндр привода сцепления со стороны коробки передач, не отсоединяя шлангов. Закрепите цилиндр проволокой с нижней стороны автомобиля, при этом не допускайте натяжения шланга.
21. Снимите поперечную балку двигателя. Сначала отверните болты подвески двигателя, а затем отверните нижние болты крепления поперечной балки. При этом необходимо соответствующим образом подпереть двигатель и коробку передач, иначе после освобождения поперечной балки опустится задняя сторона. Отверните пластину.

3.5.1. Снятие и установка двигателя

22. Приподнимите коробку передач и  раздаточную коробку роликовым домкратом и  снимите скобу подвески и резиновую опору  раздаточной коробки. После этого отверните  боковую пластину. Отверните скобу подвески  от раздаточной коробки (стрелками указаны  болты крепления скобы подвески раздаточной  коробки).
23. Снимите рычаг переключения с коробки передач.

3.5.1. Снятие и установка двигателя

24. Снимите топливные шланги и топливный  фильтр (стрелками указаны подключения на  топливном фильтре). Откройте пробку  топливного бака, чтобы сбросить давление в  топливном баке. Во избежание попадания грязи  вставьте в шланги винты соответствующего  диаметра или соответствующие пробки. 
Разъедините разъем провода индикатора наличия конденсата.

3.5.1. Снятие и установка двигателя

25. Отверните болты (указаны стрелками). При этом освобождаются запорный крюк капота моторного отсека и соединительная пластина (указана стрелкой)
26. Подцепите двигатель и коробку передач петлями тросов и цепями к полиспасту или подъемному крану. Помните о весе двигателя. Петли тросов или цепи расположите на двигателе так, чтобы двигатель был наклонен передней стороной вверх, а коробка передач свисала вниз.
27. Приподнимите силовой агрегат настолько, чтобы разгрузить подвески двигателя и отвернуть болты. Снимите опоры двигателя со скоб подвески.
28. Медленно вытащите силовой агрегат из моторного отсека. При этом постоянно следите за тем, чтобы не зацеплялись провода, шланги или трубки, а также обнаруживать не отсоединенные подключения. Если коробка передач застревает в рулевых тягах, следует провести коробку передач с нижней стороны автомобиля над тягами.
29. После снятия силового агрегата коробку передач можно отделить от двигателя. Для этого снимите стартер и отверните болты, соединяющие коробку передач с двигателем. Отведите коробку передач от двигателя в горизонтальном положении, не нагружая весом коробки ее первичный вал, так как он может быть поврежден или погнут ведомым диском сцепления.
30. Перед установкой двигателя и коробки передач проверьте все подвески двигателя.
Резиновые опоры с трещинами и прочими повреждениями должны быть заменены. То же относится и к мягким опорам двигателя.
31. Проверьте отсутствие повреждений, трещин и порывов топливных шлангов, шлангов отопителя и водяных шлангов. В большинстве случаев повреждения наблюдаются в местах под хомутами крепления, которые часто очень плохо заметны, даже когда снимается хомут.
32. Проверьте отсутствие повреждений, трещин и порывов топливных шлангов, шлангов отопителя и водяных шлангов. В большинстве случаев повреждения наблюдаются в местах под хомутами крепления, которые часто очень плохо заметны, даже когда снимается хомут.
33. Установка двигателя производится в обратной последовательности.
34. При установке соедините двигатель и коробку передач болтами и установите стартер. И здесь помните о том, что нельзя нагружать весом коробки ее первичный вал при подсоединении коробки передач. Болты затягивайте до предписанного момента затяжки.
35. Опустите двигатель с коробкой передач в моторный отсек, установите опоры двигателя и опустите вес силового агрегата на опоры двигателя. Болты затягивайте до предписанного момента затяжки.
36. Подсоедините передний и задний карданные валы.
37. Залейте в коробку передач и в раздаточную коробку предписанное количество масла. Заправочные емкости приведены в таблицах регулировок и размеров. Следует учитывать, что при наличии лебедки в раздаточную коробку должно заливаться больше масла.
38. Подсоедините шланги кондиционера. После проведения работ следует поставить кондиционер под давление.
39. Установите радиатор и залейте охлаждающую жидкость.
40. Подсоедините напорный и возвратный шланги гидравлической системы рулевого управления и удалите воздух из системы.
41. Подсоедините и отрегулируйте трос газа.
42. Поставьте капот моторного отсека, выставив петли по сделанным при снятии карандашом меткам, и затяните болты петель. Проверьте, как закрывается капот моторного отсека.
43. При подсоединении передней трубы глушителя к выпускному коллектору замените прокладку.
44. После установки двигателя залейте в него предписанное количество масла.
Запустите двигатель и проверьте отсутствие утечек охлаждающей жидкости, топлива и масла.

« предыдущая страница
3.5. Дизельный и турбодизельный двигатели 2,5 и 2,8 л
^
к оглавлению
следующая страница »
3.5.2. Разборка двигателя

Copyright © 2026 Все права защищены. Все торговые марки являются собственностью их владельцев.