поиск в избранное карта сайта
  Nissan РЕМОНТ ОБСЛУЖИВАНИЕ ЭКСПЛУАТАЦИЯ АВТОМОБИЛЕЙ
Ниссан Максима КуИкс. Nissan Maxima QX (с 1993 года выпуска)

полные технические характеристики. диагностика. электросхемы
 
Главная
 
Nissan
Maxima QX
1. Введение
2. Инструкция по эксплуатации
3. Настройки и текущее обслуживание
4. Двигатель
5. Системы охлаждения, отопления
6. Системы питания и выпуска
7. Электрооборудование двигателя
8. Системы управления двигателем
9. Коробка передач
10. Сцепление и приводные валы
11. Тормозная система
12. Подвеска и рулевое управление
13. Кузов
14. Бортовое электрооборудование
14.1. Общая информация и меры предосторожности
14.2. Поиск причин отказов электрооборудования
14.3. Предохранители и плавкие вставки - общая информация
14.4. Прерыватели цепи - общая информация
14.5. Реле - общая информация и проверка исправности функционирования
14.6. Проверка исправности функционирования и замена прерывателя указателей поворотов / аварийной сигнализации
14.7. Проверка исправности функционирования и замена подрулевых переключателей
14.8. Проверка исправности функционирования и замена выключателя зажигания и замка блокировки рулевой колонки
14.9. Проверка исправности функционирования и замена выключателей панели приборов
14.10. Проверка исправности функционирования измерителей температуры двигателя и расхода топлива
14.11. Снятие и установка комбинации приборов
14.12. Снятие и установка радиоприемника и громкоговорителей
14.13. Снятие и установка антенны радиоприемника
14.14. Замена ламп головных фар
14.15. Регулировка направления оптических осей головных фар
14.16. Снятие и установка блок-фар
14.17. Замена ламп
14.18. Проверка исправности функционирования, снятие и установка электромотора привода стеклоочистителей
14.19. Проверка исправности функционирования и замена рожков клаксона
14.20. Ходовые огни светлого времени суток (DRL)
14.21. Проверка исправности функционирования и восстановительный ремонт обогревателя заднего стекла
14.22. Система управления скоростью (темпостат) - общие сведения и проверка исправности функционирования
14.23. Электропривод стеклоподъемников - общие сведения и проверка исправности функционирования
14.24. Единый замок - общие сведения и проверка исправности функционирования
14.25. Электропривод наружных зеркал заднего вида - общие сведения и проверка исправности функционирования
14.26. Электропривод верхнего люка - общие сведения и проверка исправности функционирования
14.27. Электропривод передних сидений - общие сведения и проверка исправности функционирования
14.28. Передача управления функционированием бортовых потребителей электроэнергии по коммутируемым линиям
14.29. Подушки безопасности - общая информация
14.30. Схемы электрических соединений
14.30.1. Системы запуска и заряда (1993, 1994)
14.30.2. Системы запуска и заряда (1995-1998)
14.30.3. Системы запуска и заряда (1999)
14.30.4. Система управления двигателем (1993, 1994)
14.30.5. Система управления двигателем (1995-1999)
14.30.6. Головные и противотуманные фары (1993, 1994)
14.30.7. Головные и противотуманные фары (1995-1999)
14.30.8. Огни заднего хода и указатели поворотов (1993, 1994)
14.30.9. Наружные осветительные и сигнальные приборы (1995-1999)
14.30.10. Электропривод стеклоподъемников (1993, 1994)
14.30.11. Электропривод стеклоподъемников (1995, 1996)
14.30.12. Электропривод стеклоподъемников (1997-1999)
14.30.13. Единый замок (1993, 1994)
14.30.14. Единый замок (1995, 1996)
14.30.15. Единый замок (1997-1999)
14.30.16. Система внутреннего освещения (1993, 1994)
14.30.17. Система внутреннего освещения (1995-1997)
14.30.18. Система внутреннего освещения (1998, 1999)
14.30.19. Контрольные лампы и измерители (1993, 1994) с потолочным дисплеем
14.30.20. Контрольные лампы и измерители (1993, 1994) без потолочного дисплея
14.30.21. Контрольные лампы и измерители (1995-1997)
14.30.22. Контрольные лампы и измерители (1998, 1999)
14.30.23. Система управления скоростью (1993, 1994)
14.30.24. Система управления скоростью (1995)
14.30.25. Система управления скоростью (1996-1999)
14.30.26. Системы отопления и кондиционирования воздуха с ручным управлением (1993, 1994)
14.30.27. Система климат-контроля (1993, 1994)
14.30.28. Системы отопления и кондиционирования воздуха с ручным управлением (1995-1999)
14.30.29. Система климат-контроля (1995-1997)
14.30.30. Система климат-контроля (1998, 1999)
14.30.31. Очистители и омыватели стекол (1993, 1994)
14.30.32. Очистители и омыватели стекол (1995-1999)
14.30.33. Аудиосистема (1993, 1994)
14.30.34. Аудиосистема (1995-1999)
14.30.35. Аудиосистема Bose (1995-1999)
 


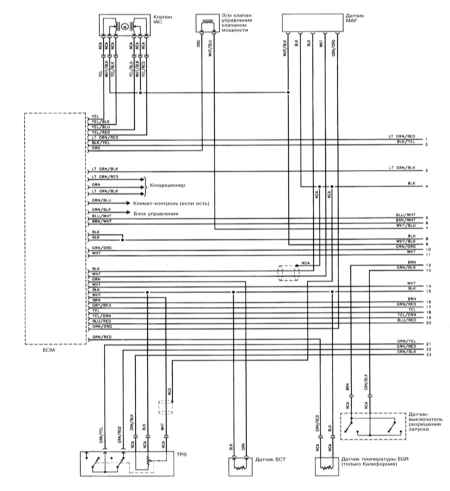
14.30.4. Система управления двигателем (1993, 1994)

 

 

 

 

 

 


« предыдущая страница
14.30.3. Системы запуска и заряда (1999)
^
к оглавлению
следующая страница »
14.30.5. Система управления двигателем (1995-1999)

Copyright © 2026 Все права защищены. Все торговые марки являются собственностью их владельцев.