поиск в избранное карта сайта
  Opel РЕМОНТ ОБСЛУЖИВАНИЕ ЭКСПЛУАТАЦИЯ АВТОМОБИЛЕЙ
Опель Омега А. Opel Omega A (с 1986 по 1994 год выпуска)

полные технические характеристики. диагностика. электросхемы
 
Главная
 
Opel
Omega A
1. Содержание
2. Текущее техническое обслуживание
3. Текущее техническое обслуживание модели с дизельными двигателями
4. Двигатели (ОНС) объемом 1,8 и 2,0 литра
5. Двигатели (CIH) объемом 2,5, 2,6 и 3,0 литра
6. Двигатели (DOHC) объемом 3,0 литра
7. Дизель работы с двигателем установленным на автомобиле
8. Дизель Описание всех работ по разборке и сборке двигатель снят с автомобиля
9. Системы охлаждения, обогрева и кондиционирования
10. Системы питания и выпуска отработавших газов модели с карбюраторным двигателем
11. Системы питания и выпуска отработавших газов модели с впрыском топлива
12. Системы питания и выпуска отработавших газов автомобили с дизельным двигателем
13. Системы запуска двигателя и подзарядки аккумулятора
14. Система зажигания
15. Система предпускового подогрева модели с дизельным двигателем
16. Сцепление
17. Механическая коробка передач
18. Автоматическая коробка передач
19. Главная передача, полуоси и карданный вал
20. Тормозная система
21. Подвеска и рулевое управление
22. Кузов и элементы отделки
23. Электрооборудование кузова
24. Информация к схемам электрооборудования модели Omega до 1993 года выпуска
25. Информация к схемам электрооборудования модели Omega начиная с 1993 года выпуска
25.1. Схемы электрооборудования модели Omega с 1993 года выпуска
 


25.1. Схемы электрооборудования модели Omega с 1993 года выпуска

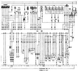
Схема 1.
Схема 1

Схема 2.
Схема 2

Схема 3.
Схема 3

Схема 4.
Схема 4

Схема 5.
Схема 5

Схема 6.
Схема 6

Схема 7.
Схема 7

Схема 8.
Схема 8

Схема 9.
Схема 9

Схема 10.
Схема 10

Схема 11.
Схема 11

Схема 12.
Схема 12

Схема 13.
Схема 13

Схема 14.
Схема 14

Схема 15.
Схема 15

Схема 16.
Схема 16

Схема 17.
Схема 17

Схема 18.
Схема 18

« предыдущая страница
25. Информация к схемам электрооборудования модели Omega начиная с 1993 года выпуска
^
к оглавлению
 

Copyright © 2026 Все права защищены. Все торговые марки являются собственностью их владельцев.