поиск в избранное карта сайта
  Audi РЕМОНТ ОБСЛУЖИВАНИЕ ЭКСПЛУАТАЦИЯ АВТОМОБИЛЕЙ
Ауди А4. Audi A4 (с 2001 по 2005 год выпуска)

полные технические характеристики. диагностика. электросхемы
 
Главная
 
Audi
A4
1. Эксплуатация и техническое обслуживание автомобиля
2. Двигатель
3. Трансмиссия
4. Ходовая часть
5. Рулевой механизм
5.1. Предварительные проверки
5.2. Ремонт рулевого механизма
5.2.1. Транспортировочная защита
5.2.2. Проверка рулевой колонки на отсутствие повреждений
5.2.3. Снятие и установка рулевой колонки
5.2.4. Контроль работоспособности блокиратора
5.2.5. Усилитель рулевого управления
5.2.6. Центровка рулевого управления
5.2.7. Снятие и установка усилителя рулевого управления (левый руль)
5.2.8. Регулировка рулевого механизма с гидроусилителем
5.2.9. Снятие и установка насоса гидроусилителя
5.2.10. Снятие и установка насоса гидроусилителя, автомобили с 4-цилиндровым двигателем
5.2.11. Снятие и установка насоса гидроусилителя, автомобили с 6-цилиндровым бензиновым двигателем
5.2.12. Снятие и установка насоса гидроусилителя, автомобили с 6-цилиндровым двигателем TDI 2,5 л
5.3. Таблицы
6. Тормозная система
7. Бортовое электрооборудование
8. Кузов
9. Схемы электрооборудования
 


5.2. Ремонт рулевого механизма





ПРИМЕЧАНИЕ
Рулевая колонка поставляется в качестве запасной детали только в сборе. Ремонт колонки невозможен.

Замок рулевого управления с выключателем зажигания/ стартером без личинки замка можно переделать.

ПРИМЕЧАНИЕ
Зубчатый механизм между верхней и нижней частями рулевой колонки не разъединяйте.
Смещение больше, чем на ±5 см может привести к повреждению рулевой колонки.

Рулевое колесо с подушкой безопасности
Рис. 5.9. Рулевое колесо с подушкой безопасности: 1 – обшивка подрулевого переключателя; 2 – рулевое колесо; 3 – штекер проводящего элемента в форме плоской пружины; 4 – штекер подушки безопасности; 5 – штекер звукового сигнала; 6 – подушка безопасности; 7 – винт с внутренней звездочкой, 50 Н·м; 8 – винт; 9 – рычаг регулировки рулевой колонки


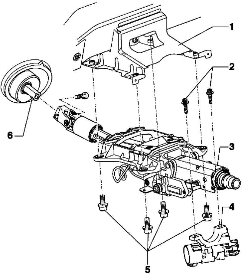
Компоненты рулевой колонки
Рис. 5.10. Компоненты рулевой колонки: 1 – крепежная пластина; 2 – срывной винт, 15 Н·м; 3 – рулевая колонка; 4 – замок рулевого управления с выключателем зажигания/ стартером без личинки замка; 5 – комбинированный винт, 22 Н·м; 6 – усилитель рулевого управления




« предыдущая страница
5.1.6. Автомобили с 8-цилиндровым бензиновым двигателем и цепным приводом
^
к оглавлению
следующая страница »
5.2.1. Транспортировочная защита

Copyright © 2026 Все права защищены. Все торговые марки являются собственностью их владельцев.