|
|
 |
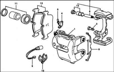
11.2. Снятие и установка передних тормозных колодокСуппорт передних дисковых тормозных механизмов
 |
1 — суппорт
2 — скоба
3 — болт, 110 Нм
4 — пыльник
5 — штуцер удаления воздуха
6 — направляющий палец
7 — защитная пробка
|
8 — пружина
9 — датчик износа тормозной колодки
10 — держатель датчика износа
11 — уплотнительный комплект
12 — ремонтный комплект
направляющей втулки
13 — тормозные колодки (без асбеста) |
|
| 1. Пометьте краской положение колеса
относительно ступицы. Благодаря этому отбалансированное колесо может
быть установлено в прежнее положение. Ослабьте болты крепления колеса
на стоящем на земле автомобиле. Поднимите и установите автомобиль
на подставки и снимите колесо.
 |
Если тормозные колодки будут вновь устанавливаться,
их необходимо перед снятием пометить. Замена колодок с правой
на левую и наоборот не допускается. Это может привести к неравномерному
торможению. Устанавливать следует только оригинальные колодки
фирмы BMW или разрешенные фирмой. Обязательно следует заменить
обе передние тормозные колодки, даже при износе одной из них.
|
|
2. Расстыкуйте пальцами штекерное соединение
датчика износа на левом суппорте (стрелка на сопроводительной иллюстрации).
Не тяните при этом за кабель.
3. Снимите отверткой пластмассовые колпачки винтов крепления (стрелки
на сопроводительной иллюстрации). |
 |
4. Выверните оба винта крепления, находящиеся под
пластмассовыми колпачками торцевым ключом 7 мм. |
 |
5. Снимите отверткой скобу. |
 |
6. Снимите суппорт назад и привяжите его проволокой
к подвеске.
 |
Не отсоединяйте тормозной шланг, иначе после
установки необходимо удалять воздух из тормозной системы.
Следите за тем, чтобы тормозной шланг не был натянут. |
|
 |
7. Снимите наружную тормозную колодку. |
8. Внутренняя тормозная колодка закреплена в тормозном
поршне пружиной (6). Снимите тормозную колодку. |
 |
|
 |
При снятых тормозных колодках не нажимайте на тормозную
педаль, иначе поршень может быть выдавлен из корпуса.
|
|
| 1. Проверьте датчик износа тормозной
колодки. Если изоляция контактной пластины протерта, изоляция кабеля
повреждена или стерт пластмассовый элемент, замените датчик. |
2. Очистите щеткой из мягкого металла
или протрите тряпкой, смоченной в спирте, направляющую поверхность
тормозной колодки в проеме корпуса. Не применяйте для этого растворители,
содержащие минеральные масла или инструмент с острыми кромками.
Если колодки будут вновь применяться, очистите также и их. |
 |
|
3. Перед установкой колодок проверьте тормозной диск на наличие
задиров, ощупав его пальцами. При наличии задиров диск необходимо
заменить. Тормозной диск, имеющий серый или голубой цвет, перед
установкой новых тормозных колодок очистите.
4. Измерьте толщину диска, обратитесь к Разделу Измерение
толщины тормозного диска.
|
5. Проверьте защитный колпачок (2) на поршне. При
наличии повреждений замените, т. к. проникновение грязи в цилиндр
может привести к потере герметичности суппорта. Суппорт для этого
необходимо снять и разобрать (работа СТО).
|
 |
6. Надавите на поршень специальным приспособлением.
Для этой цели можно воспользоваться также деревянным бруском (например,
рукоятка молотка). При этом обратите особое внимание на то, чтобы
поршень не перекашивался, а также на то, чтобы не повредить защитный
колпачок.
 |
При нажатии на поршень тормозная жидкость из
цилиндра выдавливается в резервуар. Следите за этим и, при
необходимости, отсасывайте жидкость. |
Для отсоса жидкости применяется пластмассовая бутылка. Не применяйте
для этого бутылки для питьевой жидкости. Тормозная жидкость ядовита.
Ни в коем случае нельзя отсасывать ее ртом через шланг. После замены
тормозных колодок не допускайте, чтобы уровень тормозной жидкости
в резервуаре превышал отметку "Max", т. к. при нагреве жидкость
расширяется. Выступающая из системы жидкость стекает по главному
тормозному цилиндру, повреждая лакокрасочное покрытие и приводя
к коррозии.
 |
При большом износе тормозных колодок проверьте
легкость хода поршня. Для этого в суппорт вставьте деревянный
брусок и попросите ассистента нажать на педаль тормоза. Поршень
должен легко выдвигаться и вдавливаться. Следите за тем, чтобы
не выдавить полностью поршня. Если поршень движется тяжело,
суппорт требует ремонта. |
7. Для исключения скрежета дисковых тормозов смажьте специальной
пастой указанные ниже детали. В качестве такой пасты можно применять
следующие: Plastilube, Tunap VC 582/S, Chevron SRJ/2, Liqui Moly
LM-36 или LM-508-ASC.
a) Поверхность прилегания поршня к тормозной
колодке.
b) Очистите поверхность прилегания (3) суппорта
и смажьте места, заштрихованные на сопроводительной иллюстрации
тонким слоем пасты.
c) Очистите скобу у направляющих и смажьте тонким
слоем специальной пасты в местах, заштрихованных на сопроводительной
иллюстрации).
 |
Паста не должна ни в коем случае попадать на
защитный колпачок, тормозную колодку или на тормозной диск.
Если паста попала на указанные поверхности, сразу же протрите
ее спиртом или замените защитный колпачок.
Заднюю пластину тормозной колодки не смазывайте.
|
|
8. Вставьте тормозную колодку с пружиной в поршень. |
 |
9. Вставьте наружную тормозную колодку (9) в суппорт
и установите суппорт на тормозной диск. Следите за тем, чтобы тормозные
колодки были чистыми. |
 |
10. Проверьте внешним осмотром два болта крепления
суппорта. При необходимости очистите резьбу от грязи, а резьбу в
суппорте пройдите метчиком. Болты с поврежденной резьбой или следами
ржавчины замените. Затяните болты торцевым ключом 7 мм моментом
30 Нм.
 |
Болты только очистите, не смазывайте их. |
|
 |
11. Наденьте колпачки на болты. |
12. Состыкуйте штекерное соединение датчиков износа
с левой стороны автомобиля. Провод должен проходить в петле колпачка
штуцера удаления воздуха. |
 |
13. Наденьте на суппорт скобу. |
 |
14. Установите и закрепите передние колеса.
Не смазывайте болты крепления маслом. Колеса установите так, чтобы
совпали маркировки, нанесенные при снятии. Опустите автомобиль на
колеса, затяните болты крепления крест-накрест моментом 100
Нм.
 |
Несколько раз сильно нажмите на педаль тормоза
так, чтобы почувствовалось сопротивление. При этом тормозные
колодки прижмутся к диску и займут свое рабочее положение. |
15. Проверьте уровень тормозной жидкости в резервуаре. При необходимости
долейте ее до отметки MAX.
Внимание, проверьте надежность:
a) Закреплены ли тормозные шланги?
b) Закреплен ли тормозной шланг в держателе?
c) Затянут ли штуцер удаления воздуха?
d) Достаточно ли тормозной жидкости в резервуаре?
e) На работающем двигателе проверьте герметичность
системы. Для этого нажмите на педаль тормоза усилием 200 - 300 Н
(20 - 30 кг) и держите ее в течение 10 с. Усилие давления педали
тормоза на ногу не должно ослабевать.
f) Проверьте все соединения на герметичность.
16. Новые тормозные колодки должны приработаться. Для этого несколько
раз затормозите автомобиль со скорости 80 км/час до скорости 40
км/час несильным нажатием на педаль. Между отдельными нажатиями
дайте тормозу охладиться. |
|
 |
Первые 200 км пробега не следует сильно тормозить автомобиль.
|
| Тормозные колодки следует утилизировать
специальным образом. Не утилизируйте их вместе с бытовыми отходами. |
|
|