поиск в избранное карта сайта
  Honda РЕМОНТ ОБСЛУЖИВАНИЕ ЭКСПЛУАТАЦИЯ АВТОМОБИЛЕЙ
Хонда Цивик 5Д. Honda Civic 5D (с 2006 года выпуска)

полные технические характеристики. диагностика. электросхемы
 
Главная
 
Honda
Civic 5D
1. Эксплуатация и техническое обслуживание автомобиля
2. Двигатель
2.1. Процедуры проверки
2.2. Механическая часть двигателя
2.3. Ремонт двигателя
2.4. Система охлаждения
2.5. Система смазки
2.5.1. Снятие и установка датчика уровня моторного масла (L13A)
2.5.2. Проверка датчика уровня моторного масла (L13A)
2.5.3. Поиск неисправности системы смазки двигателя (L13A)
2.5.4. Снятие датчика давления моторного масла (L13A)
2.5.5. Замена подводящей трубки масляного фильтра двигателя (L13A)
2.5.6. Замена датчика давления моторного масла (L13A)
2.5.7. Разборка масляного насоса (L13A)
2.5.8. Установка масловоздухоотделителя (L13A)
2.5.9. Снятие и установка датчика уровня моторного масла (R18A)
2.5.10. Проверка датчика уровня моторного масла (R18A)
2.5.11. Замена подводящей трубки масляного фильтра двигателя (R18A)
2.5.12. Проверка болтов патрубков моторного масла (R18A)
2.5.13. Проверка датчика давления моторного масла (R18A)
2.5.14. Замена датчика давления моторного масла (R18A)
2.5.15. Разборка масляного насоса (R18A)
2.5.16. Проверка патрубков моторного масла (N22A)
2.5.17. Проверка датчика давления моторного масла (N22A)
2.5.18. Замена датчика давления моторного масла (N22A)
2.6. Система впрыска, система выпуска отработавших газов
2.7. Система рециркуляции отрабоавших газов (EGR)
2.8. Система улавливания паров топлива (EVAP)
2.9. Приложение 1. Диагностика бензиновых двигателей
3. Трансмиссия
4. Ходовая часть
5. Рулевое управление
6. Тормозная система
7. Электрооборудование
8. Кузов
9. Схемы Электрооборудования
 


2.5.1. Снятие и установка датчика уровня моторного масла (L13A)

1. Снимите нижнюю крышку двигателя.
2. Слейте моторное масло.
Снятие и установка датчика уровня моторного масла (L13A)
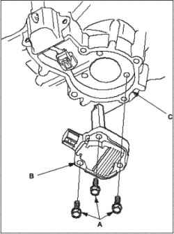
3. Выверните болты А, снимите кожухи датчиков уровня моторного масла В и разъем С датчика уровня моторного масла.

ПРИМЕЧАНИЕ
Если крышка повреждена, замените ее.

4. Выкрутите болты А, затем снимите датчик В уровня моторного масла с масляного поддона С.

ПРИМЕЧАНИЕ
Для того, чтобы не повредить масляный поддон и крепежную поверхность датчика, не используйте острых инструментов при снятии датчика.

Если вы обнаружите повреждения датчика, замените его.
Снятие и установка датчика уровня моторного масла (L13A)
5. Очистите поверхность вокруг крепежного отверстия на масляном поддоне для датчика уровня масла, если там имеются следы масла, грязи или смазки.

ПРИМЕЧАНИЕ
Не поцарапайте и не повредите крепежную поверхность датчика.

6. Выполняйте операции по установке датчика в порядке, обратном снятию, соблюдая следующее:
• используйте новое уплотнительное кольцо А и убедитесь, что оно не погнуто;
• уберите масло, грязь или смазку с канавки для уплотнительного кольца на датчике В, болтах С и отверстиях для болтов D;
• будьте осторожны, чтобы не поцарапать крепежную поверхность датчика;
• не допускайте попадания масла на разъем Е;
• убедитесь, что поверхность уплотнительного кольца F датчика уровня масла составляет 1,0 мм±0,15 мм от датчика (со всех сторон) G.
Снятие и установка датчика уровня моторного масла (L13A)
7. Установите сливной болт и залейте моторное масло до максимального уровня.
Запустите двигатель. Удерживайте частоту вращения коленчатого вала 3 000 об./мин (мин-1) без нагрузки (в нейтральном положении КП) до включения вентилятора радиатора и дайте ему работать на холостом ходу не менее 10 минут.
9. Проверьте «ENGINE OIL LEVEL MONITOR CONDITION» (наблюдение за уровнем моторного масла) в «DATA LIST» (списке данных) с помощью HDS.
• Если выводится сообщение о состоянии «ACTIVE» (активно), перейдите к п. 10.
• Если «INACTIVE» (неактивно), установите новый датчик, затем перейдите к п. 7.
10. Выключите зажигание, подождите 3 минуты, затем измерьте уровень моторного масла. При необходимости, отрегулируйте уровень масла до максимума.
11. Запустите двигатель и дайте ему поработать 5 минуты на холостом ходу.
12. Проверьте «ENGINE OIL LEVEL» (уровень масла) в меню «DATA LIST» (список данных) при помощи HDS и запишите уровень.
13. Заглушите двигатель, оставьте замок зажигания в положении «ON» (II) и подождите 3 минуты.
14. Проверьте «ENGINE OIL LEVEL» (уровень масла) в меню «DATA LIST» (список данных) при помощи HDS и сравните с уровнем, полученным на шаге 12.
• Если уровень изменился более, чем на 2 мм, датчик уровня моторного масла исправен.
• Если уровень не изменился более, чем на 2 мм, установите новый датчик и перейдите кб.
15. Проверьте подтеки масла вокруг датчика.
• Если подтеков нет, перейдите к 16.
• Если вы обнаружите подтеки, устраните их, затем перейдите к 16.
16. Установите кожухи А датчиков уровня моторного масла и закрутите болты до указанного момента.
Снятие и установка датчика уровня моторного масла (L13A)
17. Установите нижнюю крышку двигателя.

« предыдущая страница
2.5. Система смазки
^
к оглавлению
следующая страница »
2.5.2. Проверка датчика уровня моторного масла (L13A)

Copyright © 2026 Все права защищены. Все торговые марки являются собственностью их владельцев.