поиск в избранное карта сайта
  Honda РЕМОНТ ОБСЛУЖИВАНИЕ ЭКСПЛУАТАЦИЯ АВТОМОБИЛЕЙ
Хонда Цивик 5Д. Honda Civic 5D (с 2006 года выпуска)

полные технические характеристики. диагностика. электросхемы
 
Главная
 
Honda
Civic 5D
1. Эксплуатация и техническое обслуживание автомобиля
2. Двигатель
2.1. Процедуры проверки
2.2. Механическая часть двигателя
2.3. Ремонт двигателя
2.4. Система охлаждения
2.5. Система смазки
2.6. Система впрыска, система выпуска отработавших газов
2.6.1. Трехкомпонентный каталитический нейтрализатор (TWC)
2.6.2. Система принудительной вентиляции картера (PCV)
2.6.3. Каталитический нейтрализатор (N22A)
2.6.4. Топливная система PGM-FI
2.6.5. Топливная система i-DSI
2.6.6. Система электронного управления дроссельной заслонкой
2.6.7. Снятие/установка модуля педали акселератора (L13A)
2.6.8. Проверка сигнала датчика АРР (L13A)
2.6.9. Система питания топливом
2.6.10. Проверка давления топлива (L13A)
2.6.11. Проверка всасывающей трубы и вентиляционного топливного трубопровода (L13A)
2.6.12. Замена топливного фильтра (L13A)
2.6.13. Проверка передающего устройства показателя уровня топлива (L13A)
2.6.14. Снятие быстроразъемных соединительных элементов топливопроводов топливной системы (L13A)
2.6.15. Установка быстроразъемных соединительных элементов топливопроводов топливной системы (L13A)
2.6.16. Замена регулятора давления топлива (L13A)
2.6.17. Замена передающего устройства показателя уровня топлива (L13A)
2.6.18. Поиск неисправностей в цепи топливного насоса (L13A)
2.6.19. Снятие и установка топливного бака (L13A)
2.6.20. Замена инерционного выключателя (L13A)
2.6.21. Система питания топливом дизельного двигателя
2.6.22. Прокачка топливной системы (N22A)
2.6.23. Проверка всасывающей трубы и вентиляционного топливного трубопровода (N22A)
2.6.24. Водяная прокачка топливного фильтра (N22A)
2.6.25. Снятие/установка топливного фильтра (N22A)
2.6.26. Проверка передающего устройства показателя уровня топлива (N22A)
2.6.27. Замена передающего устройства показателя уровня топлива (N22A)
2.6.28. Проверка датчика уровня воды в топливном фильтре (N22A)
2.6.29. Замена датчика уровня воды в топливном фильтре (N22A)
2.6.30. Замена топливного насоса (N22A)
2.6.31. Замена топливораспределительной системы (N22A)
2.6.32. Замена топливного бака (N22A)
2.6.33. Замена датчика температуры топлива (N22A)
2.6.34. Проверка вакуумного насоса (N22A)
2.6.35. Замена вакуумного насоса (N22A)
2.7. Система рециркуляции отрабоавших газов (EGR)
2.8. Система улавливания паров топлива (EVAP)
2.9. Приложение 1. Диагностика бензиновых двигателей
3. Трансмиссия
4. Ходовая часть
5. Рулевое управление
6. Тормозная система
7. Электрооборудование
8. Кузов
9. Схемы Электрооборудования
 


2.6.27. Замена передающего устройства показателя уровня топлива (N22A)

1. Снимите крышку заливной горловины топливного бака.
2. Поднимите центральную консоль, и снимите рычаг стояночного тормоза А.
Замена передающего устройства показателя уровня топлива (N22A)
3. Снимите панель доступа А с пола.
4. Отсоедините разъем В от топливного бака.
Замена передающего устройства показателя уровня топлива (N22A)
5. Отсоедините быстроразъемные соединения трубопроводов С от блока топливного насоса/измерителя уровня топлива.
6. С использованием специального инструмента ослабьте крепженую гайку А узла блок топливного бака.
Замена передающего устройства показателя уровня топлива (N22A)
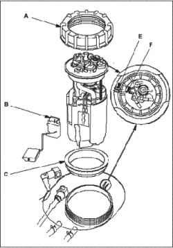
7. Снимите крепженую гайку А и блок топливного бака в сборе.
8. Замените передающий блок измерителя уровня топлива В.
9. Установите передающий блок измерителя уровня топлива в последовательности, обратной снятию, с новой прокладкой основания С и новой крепежной гайкой, затем проверьте следующее:
• при подсоединении жгута проводов убедитесь, что соединение надежно и разъем D надежно заперт;
Замена передающего устройства показателя уровня топлива (N22A)
• при установке передающего блока измерителя уровня топлива убедитесь, что соединение надежно и разъем прочно заперт. Будьте внимательны, чтобы не согнуть и не перекрутить его слишком сильно;
• при установке блока измерителя уровня топлива совместите отметки на топливном баке Е и на блоке топливного бака F.

« предыдущая страница
2.6.26. Проверка передающего устройства показателя уровня топлива (N22A)
^
к оглавлению
следующая страница »
2.6.28. Проверка датчика уровня воды в топливном фильтре (N22A)

Copyright © 2026 Все права защищены. Все торговые марки являются собственностью их владельцев.