поиск в избранное карта сайта
  Honda РЕМОНТ ОБСЛУЖИВАНИЕ ЭКСПЛУАТАЦИЯ АВТОМОБИЛЕЙ
Хонда Цивик 5Д. Honda Civic 5D (с 2006 года выпуска)

полные технические характеристики. диагностика. электросхемы
 
Главная
 
Honda
Civic 5D
1. Эксплуатация и техническое обслуживание автомобиля
2. Двигатель
3. Трансмиссия
4. Ходовая часть
5. Рулевое управление
6. Тормозная система
6.1. Проверки на автомобиле
6.2. Ремонт тормозной системы
6.2.1. Замена тормозного шланга
6.2.2. Замена главного тормозного цилиндра
6.2.3. Разборка главного тормозного цилиндра
6.2.4. Сборка главного тормозного цилиндра
6.2.5. Осмотр и замена передней тормозной колодки
6.2.6. Замена педали тормоза
6.2.7. Замена тормозного усилителя (L13A/R18A)
6.2.8. Проверка и регулировка стояночного тормоза
6.2.9. Замена троса стояночного тормоза
7. Электрооборудование
8. Кузов
9. Схемы Электрооборудования
 


Самый большой трейлер двухколесный 5-этажный жилой автоприцеп был построен в 1990 г. Его длина составляет 20 м, ширина 12 м, а вес равен 120 т. В нем имеется 8 спален и ванных комнат, 4 гаража и резервуар для воды объемом 24 000 л.
Каталог складных велосипедов от Velocity
Самый старый из ныне выпускаемых отечественных автомобилей - ВАЗ-2106. С 1976 года по настоящее время изготовлено почти 6 млн. "шестерок". Конструкция за 23 года не претерпела сколько-нибудь существенных изменений.

6.2.2. Замена главного тормозного цилиндра

ПРИМЕЧАНИЕ
Не проливайте тормозную жидкость на кузов автомобиля — это может вызвать разрушение лакокрасочного покрытия. Если тормозная жидкость попала на лакокрасочное покрытие, немедленно смойте ее водой.

1. Снимите очиститель воздуха.
2. Убедитесь в том, что зажигание выключено, затем отсоедините отрицательный провод от аккумулятора и выньте его из моторного отсека.
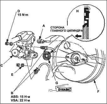
3. Снимите крышку бачка и шприцом откачайте тормозную жидкость из бачка главного цилиндра, затем выверните болт крепления скобы А и расширительный бачок главного цилиндра сцепления В.
4. Выверните болт С крепления расширительного бачка.
Замена главного тормозного цилиндра
5. Снимите кронштейн расширительного бачка А.
Замена главного тормозного цилиндра
6. Отсоедините электрический разъем А сигнализатора уровня тормозной жидкости в бачке.
Замена главного тормозного цилиндра
7. Отсоедините трубопроводы В от главного тормозного цилиндра С. Чтобы предотвратить вытекание тормозной жидкости, необходимо закрывать отверстия в отсоединенных трубопроводах специальными заглушками или просто небольшими кусками ветоши.
8. Отверните гайки D и шайбы крепления E главного цилиндра.
9. Отсоедините главный цилиндр от тормозного усилителя F. Не повредите трубопроводы тормозной системы во время снятия главного тормозного цилиндра.
10. Снимите уплотнение штока G с главного цилиндра.

ПРИМЕЧАНИЕ
Во время установки вставьте новое уплотнение штока в главный цилиндр пазовой стороной H к нему.

11. Установите главный тормозной цилиндр в порядке выполнения операций, обратным снятию. Обратите внимание на следующее:
Замените уплотнение штока при установке.
Смажьте внутреннюю кромку и посадочный диаметр уплотнения штока главного тормозного цилиндра силиконовой смазкой из ремонтного комплекта.
Проверьте положение тормозной педали по высоте и свободный ход педали. При необходимости проведите необходимые регулировки.
12. Установите аккумулятор и подсоедините отрицательный кабель аккумулятора. Установите правильное время на часах.
13. Прокачайте тормозную систему.
14. Вращайте колеса, чтобы проверить сопротивление вращению.

« предыдущая страница
6.2.1. Замена тормозного шланга
^
к оглавлению
следующая страница »
6.2.3. Разборка главного тормозного цилиндра

Copyright © 2025 Все права защищены. Все торговые марки являются собственностью их владельцев.