поиск... в избранное карта сайта
  Honda РЕМОНТ ОБСЛУЖИВАНИЕ ЭКСПЛУАТАЦИЯ АВТОМОБИЛЕЙ
Хонда Цивик 5Д. Honda Civic 5D (с 2006 года выпуска)

полные технические характеристики. диагностика. электросхемы
 
Главная
 
Honda
Civic 5D
1. Эксплуатация и техническое обслуживание автомобиля
2. Двигатель
3. Трансмиссия
4. Ходовая часть
5. Рулевое управление
6. Тормозная система
7. Электрооборудование
7.1. Проверки на автомобиле
7.1.1. Проверка аккумуляторной батареи (L13A/R18A)
7.1.2. Поиск неисправности системы зарядки (L13A)
7.1.3. Поиск неисправностей в цепи системы управления генератором (L13A)
7.1.4. Поиск неисправности в электрической цепи системы зарядки (L13A)
7.1.5. Поиск неисправностей цепи генератора и регулятора напряжения (L13A)
7.1.6. Снятие и установка генератора (L13A)
7.1.7. Система пуска
7.1.8. Проверка работоспособности стартера (L13A)
7.1.9. Поиск неисправности системы запуска (L13A)
7.1.10. Поиск неисправностей в цепи стартера (L13A)
7.2. Система освещения
7.3. Электрооборудование кузова и салона
8. Кузов
9. Схемы Электрооборудования
 


7.1.7. Система пуска

Проверка замка зажигания
1. Поверните ключ зажигания в положение «OFF».
2. Отсоедините отрицательный провод аккумулятора.
3. Снимите кожухи рулевой колонки.
4. Отъедините 7Р разъем от блока предохранителей и реле под приборной панелью, и снимите его.
Система пуска
5. Проверьте непрерывность соединения между клеммами в каждом положении выключателя в соответствии с таблицей.
6. Если результаты проверки соединений не соответствуют указанным в таблице, замените замок рулевого управления.
7. Введите настройки аудиосистемы клиента и заново установите время на часах.
Система пуска
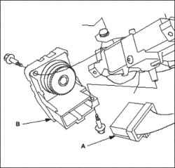
Замена замка зажигания
1. Снимите кожухи рулевой колонки.
2. Отсоедините 7Р разъем А от замка зажигания В.
3. Выньте два винта крепления и снимите замок зажигания
4. Установите замок, выполняя операции в порядке, обратном снятию.

Проверка и замена кнопки запуска двигателя (L13A)
1. Снимите нижнюю часть панели управления.
Система пуска
2. Отсоедините разъем 5Р А, затем снимите кнопку запуска двигателя В.

Система пуска

3. Проверьте, есть ли соединение между клеммами № 1 и № 2 кнопки запуска двигателя. Соединение должно быть при отпущенной кнопке.
Если соединение есть, перейдите к п.4.
Если имеется разрыв, замените кнопку запуска двигателя.
4. Проверьте, есть ли соединение между клеммами № 4 и № 5 кнопки запуска двигателя. Соединение должно присутствовать только в одном направлении.
Если цепь разорвана только в одном направлении, перейдите к п.5.
Если цепь неразрывна в обоих направлениях или имеется разрыв в обоих направлениях, замените кнопку запуска двигателя.
Система пуска
Система пуска
5. Установите кнопку запуска двигателя, выполняя операции в порядке, обратном снятию.

« предыдущая страница
7.1.6. Снятие и установка генератора (L13A)
^
к оглавлению
следующая страница »
7.1.8. Проверка работоспособности стартера (L13A)

Copyright © 2026 Все права защищены. Все торговые марки являются собственностью их владельцев.