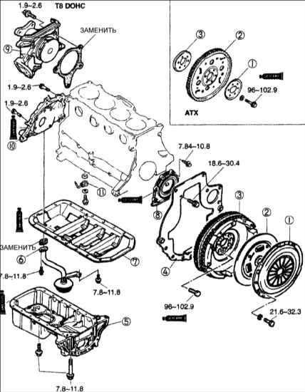
2.16. Блок цилиндровБлок
цилиндров двигателя FE DOHC
1 – корзина сцепления (М/Т), опорная
пластина (А/Т); 2 – ведомый диск сцепления (М/Т), ведущий диск (А/Т);
3 – маховик (М/Т), пластина (А/Т); 4 – переходная пластина; 5 – масляный
поддон; | 6 – маслоприемник;
7 – элемент жесткости; 8 – задняя крышка; 9 – водяной насос; 10 –
передняя крышка с масляным насосом; 11 – распылитель масла. | Блок
цилиндров двигателя Т8 DOHC
1 – корзина сцепления (М/Т), опорная
пластина (А/Т); 2 – ведомый диск сцепления (М/Т), ведущий диск (А/Т);
3 – маховик (М/Т), пластина (А/Т); 4 – переходная пластина; 5 – масляный
поддон; | 6 – маслоприемник;
7 – элемент жесткости; 8 – задняя крышка; 9 – водяной насос; 10 –
передняя крышка с масляным насосом; 11 – распылитель масла. | Коленчатый
вал, поршни и шатуны
1 – крышка шатуна; 2 – вкладыш
шатунного подшипника; 3 – поршень с шатуном; 4 – поршневые кольца;
5 – крышка коренного подшипника; |
6 – коленчатый вал; 7 – игольчатый подшипник первичного вала коробки передач;
8 – вкладыш коренного подшипника; 9 – блок цилиндров. |
Приведено описание разборки и сборки блока цилиндров на двигателе, с которого
предварительно сняты вспомогательные детали, зубчатый ремень, шкивы распределительных
валов и головка цилиндров.
| ПОРЯДОК ВЫПОЛНЕНИЯ |
| 1. Установите специальные инструменты для центрирования
диска сцепления и блокирования маховика от проворачивания. Постепенно, по
диагонали, ослабьте болты крепления кожуха нажимного диска сцепления до тех пор,
пока не прекратится действие диафрагменной пружины, затем выверните болты вручную.
Снимите кожух нажимного диска сцепления и диск сцепления. |
| 2. Выверните болты и снимите маховик. |
| 3. Выверните болты и снимите переходную
пластину. |  | 4.
Выверните болты крепления масляного поддона. Лезвием плоской отвертки, вставленной
между масляным поддоном и элементом жесткости блока цилиндров, отделите масляный
поддон от блока цилиндров. |
Предупреждение
Не вставляйте отвертку между блоком цилиндров и масляным поддоном, так как это
может повредить сопрягаемые поверхности.
Отделяя масляный поддон с помощью рычага, не погните его.
Очищая поддон от герметика, не повредите и не поцарапайте привалочную поверхность.
| | 5. Снимите масляный поддон.
| | 6. Отверните болты и снимите
маслоприемник. | | 7. Отверните
болты и снимите заднюю крышку с блока цилиндров. | | 8.
Отверните болты и снимите водяной насос. | | 9.
Отверните болты и снимите переднюю крышку с масляным насосом с блока цилиндров. |
| 10. Отверните болт и снимите распылитель
масла. | | 11. Проверьте отсутствие ступеньки
и нагара в верхней части каждого цилиндра. |
Предупреждение
Если производить снятие поршней, не убрав ступеньку в верхней части цилиндра,
это может привести к повреждению поршневых колец и поршней.
| | 12. Используя специальный инструмент,
удалите ступеньку в верхней части цилиндров. | | 13.
Проверните коленчатый вал двигателя так, чтобы поршни первого и четвертого цилиндров
установились в нижней мертвой точке. | | 14.
Промаркируйте крышки шатунов и шатуны в соответствии с номером цилиндра, в котором
они установлены. | | 15. Отметьте шатуны
и крышки шатунов так, чтобы при установке они заняли правильное положение и направление.
При неправильной установке шатунов будет нарушена подача смазки в шатунные вкладыши,
что приведет к их быстрому повреждению. | | 16.
Проверните коленчатый вал двигателя так, чтобы поршни второго и третьего цилиндров
установились в нижней мертвой точке и аналогичным образом промаркируйте шатуны
и крышки шатунов. | | 17. Отверните гайки
крепления крышки шатуна и легкими ударами пластикового молотка сбейте крышку. |
 | 18.
Перед снятием шатуна очистите вкладыш, шатун и шатунную шейку и проведите следующие
измерения: – боковой зазор шатуна; – масляный зазор шатунной шейки. |
| 19. Для защиты шеек коленчатого вала оденьте
на болты крепления крышек шатунов отрезки резиновой или пластмассовой трубки. |
| 20. Деревянным бруском или ручкой молотка
вытолкните поршень с шатуном из цилиндра. | | 21.
Повторите эти операции на остальных цилиндрах. | | 22.
Промаркируйте поршни в соответствии с номерами цилиндров, в которых они были установлены. |
 | 23.
Перед снятием крышек коренного подшипника очистите подшипники, коренные шейки
и крышки, затем произведите следующие измерения: – осевой люфт коленчатого
вала; – масляный зазор коренной шейки. |  | 24.
Специальным приспособлением ОК410 111 012 снимите с торца коленчатого вала
игольчатый подшипник. | | 25. Специальными
пассатижами разожмите поршневые кольца и снимите их с поршня. | | 26.
Установите поршень горизонтально и проверьте плавность перемещения шатуна. |
| 27. Перемещая шатун, проверьте отсутствие
люфта и заеданий. | | 28. Если шатун
перемещается с заеданиями, проверьте отверстие для поршневого пальца в поршне
и шатун на отсутствие деформации. | | 29.
Снимите стопорные кольца с торцов поршневого пальца. |  | 30.
Специальным приспособлением ОК710 110 010 и молотком выбейте поршневой палец. |
| 31. Выверните болты крепления крышек коренных
подшипников. | | 32. Снимите крышки коренных
подшипников. | | 33. Снимите коленчатый
вал. | | 34. Снимите вкладыши коренных
подшипников с блока цилиндров и крышек коренных подшипников. | |
Проверка
| ПОРЯДОК ВЫПОЛНЕНИЯ |
| 1. Очистите все компоненты двигателя. |
| 2. Удалите с блока цилиндров двигателя остатки прокладок,
герметика, грязи, масла, смазочного материала и другие инородные материалы. |
Предупреждение
Соблюдайте осторожность,
чтобы не повредить поверхности трения деталей из алюминиевого сплава (таких, как
головка блока цилиндров или поршни).
| |
Проверка блока цилиндров
| ПОРЯДОК ВЫПОЛНЕНИЯ |
1. Проверьте блок цилиндров на отсутствие
следующих повреждений: – местных повреждений или утечки; – трещин;
– выработки цилиндров. |  | 2.
Металлической линейкой и щупом в шести направлениях проверьте плоскостность сопрягаемой
поверхности блока цилиндров. Отклонение от плоскостности: 0,15 мм |
 | 3.
Если неплоскостность превышает допустимые пределы, перешлифуйте блок цилиндров.
Максимально допустимая перешлифовка: 0,20 мм. |  | 4.
Измерьте диаметры цилиндров в диаметрально противоположных направлениях, в трех
плоскостях по высоте цилиндров. Диаметр цилиндра: Номинальный:
86,000–86,019 Ремонтный 0,25 мм: 86,250–86,269 Ремонтный 0,50 мм: 86,500–86,519 |
 | 5.
Для определения конусности цилиндра измерьте диаметр цилиндра в верхней, средней
и нижней частях. Предельно допустимая конусность: 0,019 мм Овальность:
0,019 мм | | 6. Если разность
между измерениями X и Y превысит максимально допустимую овальность, расточите
цилиндр до следующего увеличенного размера. |
Предупреждение
Диаметр цилиндра должен соответствовать увеличенному диаметру поршня, и это относится
ко всем цилиндрам.
| | 7.
Если в верхней части стенки цилиндра имеется неравномерный износ, удалите
неровности шабером. | | Проверка поршней
|
ПОРЯДОК ВЫПОЛНЕНИЯ |
| 1. Проверьте наружную поверхность поршня
на отсутствие повреждений, выработки или неравномерного износа. При необходимости,
замените поршень. |  | 2.
Измерьте наружный диаметр каждого поршня под углом 90° к поршневому пальцу на
расстоянии 18 мм в двигателе FE DOHC и на расстоянии 21 мм в двигателе ТВ DOHC
от нижнего края маслосъемного кольца. Диаметр поршня FE DOHC
Номинальный 85,944–85,964 мм 1–й ремонтный ( 0,25) 86,194–86,214 мм
2–й ремонтный ( 0,50) 86,444–86,464 мм T8 DOHC Номинальный 80,954–80,972
мм 1–й ремонтный ( 0,25) 81,204–81,222 мм 2–й ремонтный ( 0,50) 81,454–81,472
мм |  | 3.
Вычислите зазор между поршнем и стенкой цилиндра, вычитая диаметр поршня от наибольшего
диаметра цилиндра, в каждом цилиндре. Зазор: FE DOHC: 0,049–0,062
мм FE DOHC: 0,039–0,053 мм Предельно допустимый зазор: 0,15 мм |
| 4. Если зазор превышает предельно допустимое
значение, замените поршни на больший ремонтный размер и расточите цилиндры. |
Предупреждение
При замене поршня также
необходимо заменить поршневые кольца.
| |
Проверка поршневых колец
| ПОРЯДОК ВЫПОЛНЕНИЯ |
 | 1.
Вставьте новое поршневое кольцо в канавку поршня и щупом измерьте зазор между
поршневым кольцом и стенкой канавки. Зазор между поршневым кольцом
и канавкой в поршне: Верхнее компрессионное кольцо: FE DOHC: 0,03–0,07
мм Т8 DOHC: 0,04–0,08 мм Второе компрессионное кольцо: 0,03–0,07 мм
Максимально допустимый: 0,15 мм | | 2.
Если зазор превышает предельно допустимое значение, замените поршень. |
| 3. Проверьте поршневые кольца на отсутствие
повреждений, износа или поломки. При необходимости, замените поршневые кольца. |
 |
4. Измерьте зазор в замке поршневых колец, вручную вставив поршневое кольцо
в цилиндр двигателя. Днищем поршня протолкните поршневое кольцо в нижнюю часть
цилиндра. |  | 5.
Щупом измерьте зазор в замке поршневого кольца. Зазор в замках
поршневых колец: Верхнее компрессионное кольцо: 0,15–0,30 мм Второе
компрессионное кольцо: FE DOHC: 0,20–0,35 мм Т8 DOHC: 0,30–0,45 мм
Маслосъемное кольцо: 0,20–0,70 мм Предельно допустимый зазор: 1,0 мм |
| Проверка поршневых пальцев
| ПОРЯДОК ВЫПОЛНЕНИЯ |
 | 1.
Измерьте диаметры отверстий для поршневого пальца в поршне, в двух диаметрально
противоположных направлениях, четырех плоскостях. Диаметр: 21,988–21,998
мм |  | 2.
Измерьте диаметр каждого поршневого пальца, в двух диаметрально противоположных
направлениях, четырех плоскостях. Диаметр: FE DOHC: 21,987–21,993
мм Т8 DOHC: 19,987–19,993 мм | | 3.
Определите зазор поршневого пальца в поршне, вычитая диаметр поршневого пальца
из диаметра отверстия для поршневого пальца. Зазор: от –0,005 до 0,011 мм
| | 4. Если зазор превышает
номинальное значение, замените поршень и/или поршневой палец. | |
Проверка шатуна
| ПОРЯДОК ВЫПОЛНЕНИЯ |
 | 1.
Измерьте внутренний диаметр головки шатуна. Диаметр: 22,003–22,014 мм |
| 2. Определите зазор поршневого пальца
в шатуне, вычитая диаметр поршневого пальца из диаметра отверстия головки шатуна.
Зазор: 0,010–0,027 мм |  | 3.
Проверьте каждый шатун на наличие изгиба или скручивания. При необходимости
отремонтируйте или замените шатун. Допускаемый изгиб: 0,075 мм на
длине50 мм Допускаемое скручивание: 0,180 мм на длине 50 мм |
| Проверка коленчатого вала
| ПОРЯДОК ВЫПОЛНЕНИЯ |
| 1. Проверьте шейки коренных и шатунных подшипников
коленчатого вала на отсутствие износа и выработки. Проверьте смазочные отверстия
коленчатого вала на отсутствие засорения. | | 2.
Установите коленчатый вал на V–образные подставки. |  | 3.
Установите измерительную головку индикатора часового типа на среднюю шейку подшипника
коленчатого вала и установите шкалу индикатора на 0. Проверните коленчатый
вал и измерьте его биение. Если биение превышает номинальное биение,
замените коленчатый вал. Максимально допустимое биение: FE DOHC:
0,03 мм Т8 DOHC: 0,025 мм |  |
4. Микрометром измерьте диаметры шеек коленчатого вала в двух диаметрально
противоположных направлениях. Коренная шейка Диаметр: FE DOHC:
59,937–59,955 мм Т8 DOHC: 54,938–54,956 мм Овальность: 0,05 мм
Шатунная шейка Диаметр: FE DOHC: 50,940–50,955 мм Т8 DOHC: 44,940–44,958
мм Овальность: 0,05 мм |  | 5.
При наличии выработки или овальности перешлифуйте коленчатый вал. Перешлифовку
шеек коленчатого вала проводите только до следующего ремонтного размера.
Подшипники уменьшенного размера: на 0,25 мм на 0,50 мм на 0,75
мм |  |
Предупреждение
Не шлифуйте поверхность галтели.
| |
Диаметры шеек коренных подшипников коленчатого вала
|
Размер подшипника | FE
DOHC | T8 DOHC | | 1–й
ремонтный размер ( 0,25 мм) | №1, 2, 4, 5 | 59,693–59,711 |
55,188–55,206 | | №3 |
59,687–59,705 | 55,188–55,206 |
| 2–й ремонтный размер ( 0,50 мм) | №1, 2, 4,
5 | 59,443–59,461 | 55,438–55,456 |
| №3 | 59,437–59,455 |
55,438–55,456 | | 3–й ремонтный
размер: ( 0,75 мм) | №1, 2, 4, 5 | 59,193–59,211 |
55,688–55,706 | | №3 |
59,187–59,205 | 55,688–55,706 |
Диаметры шеек шатунных подшипников коленчатого вала
|
Размер подшипника | FE
DOHC | T8 DOHC | | 1–й
ремонтный размер ( 0,25 мм) | 50,690–50,705 |
45,190–45,208 | | 2–й
ремонтный размер ( 0,50 мм) | 50,440–50,445 |
45,440–45,458 | | 3–й
ремонтный размер: ( 0,75 мм) | 50,190–50,205 |
45,690–45,708 | Проверка шатунных
и коренных вкладышей
| | Проверьте
шатунные и коренные вкладыши на отсутствие местной коррозии, выработки и других
повреждений. При необходимости, замените вкладыши. |
Проверка распылителей для охлаждения поршней
| ПОРЯДОК ВЫПОЛНЕНИЯ |
| 1. Проверьте, не забит ли канал масляного сопла. |
| 2. Проверьте, не заедает ли обратный шариковый клапан. |
| Сборка
| ПОРЯДОК ВЫПОЛНЕНИЯ |
| 1. Перед сборкой очистите все детали двигателя. |
| 2. Перед сборкой деталей нанесите тонкий
слой чистого моторного масла на все поверхности скольжения. | | 3.
Замените коренные и шатунные вкладыши, даже если они имеют незначительные повреждения
или износ. При установке необходимо использовать только новые прокладки. |
 | 4.
Установите пружинное стопорное кольцо в канавку поршня. |  | 5.
Совместите метку на нижней части шатуна с меткой "F" на поршне. |
 | 6.
Установите поршень в шатун и специальным приспособлением ОК710 110 010 вставьте
поршневой палец через поршень и шатун до фиксации его уже установленным стопорным
кольцом. Проверьте, чтобы относительное положение поршня и шатуна было таким же,
как и до разборки. | | 7. Установите
второе пружинное стопорное кольцо поршневого пальца в канавку с другой стороны
поршня. | | 8. Держите поршень
вертикально и проверьте свободу перемещения шатуна. |  | 9.
Установите три части маслосъемного кольца на поршень: – смажьте чистым
моторным маслом расширитель маслосъемного кольца и верхнюю и нижнюю части кольца;
– установите расширитель маслосъемного кольца на поршень так, чтобы концы расширителя
были направлены вверх; – установите нижнюю часть маслосъемного кольца на поршень.
Кольцо может быть установлено любой стороной вверх; – установите верхнюю часть
маслосъемного кольца на поршень. Кольцо может быть установлено любой стороной
вверх; | Предупреждение
Верхняя и нижняя части
маслосъемного кольца взаимозаменяемы.
| |
| 10. Проверьте, что расширитель маслосъемного кольца
разделяет верхнюю и нижнюю части маслосъемного кольца и свободно проворачивается
на поршне. | | 11. Пассатижами для разжатия
поршневых колец установите на поршень 2–е компрессионное кольцо. |  | 12.
Пассатижами для разжатия поршневых колец установите на поршень 1–е компрессионное
кольцо. | | 13. Нанесите достаточное
количество чистого моторного масла на второе и верхнее поршневые кольца. |
 | 14.
Расположите замки поршневых колец как показано на рисунке. |
Предупреждение
При установке поршневых колец метки "R" должны быть направлены вверх.
| | 15. Очистите коренные и шатунные
шейки коленчатого вала от смазки, а смазочные отверстия продуйте сжатым воздухом. |
 | 16.
Установите вкладыши коренных подшипников на блок цилиндров двигателя. |
| 17. Установите коленчатый вал на вкладыши
коренных подшипников в блоке цилиндров. | | 18.
Установите оставшиеся вкладыши коренных подшипников в крышки коренных подшипников
коленчатого вала. |  | 19.
Расположите отрезки пластикового измерительного стержня Plastigage на шейках
коренных подшипников коленчатого вала. | | 20.
В соответствии с маркировкой установите крышки коренных подшипников. |
 | 21.
В определенной последовательности в 2–3 этапа затяните болты крепления крышек
коренных подшипников коленчатого вала в следующем порядке: Момент
затяжки: FE DOHC: 82–88 Н•м Т8 DOHC: а. затяните болты моментом
затяжки 39,2 Н•м; b. в последовательности, обратной затягиванию, ослабьте
болты; с. затяните болты моментом затяжки 19,6 Н•м; d. доверните болты
на угол 90°; е. доверните болты на угол 60° |
Предупреждение
Не проворачивайте коленчатый вал двигателя при измерении зазора коренных подшипников
коленчатого вала.
|  | 22.
Выверните болты и снимите крышки коренных подшипников коленчатого вала. Измерительным
шаблоном измерьте ширину деформированного пластикового стержня Plastigage и определите
величину зазора. | | 23. Если зазор превышает
предельно допустимое значение, перешлифуйте шейки коленчатого вала и используйте
ремонтные вкладыши увеличенного размера. Масляный зазор № 1, 2, 4, 5:
0,025–0,043 мм № 3: 0,031–0,049 мм Предельно допустимый зазор:
0,08 мм | | 24. Снимите коленчатый
вал с блока цилиндров и удалите деформированный пластиковый стержень Plastigage
с шеек коленчатого вала и вкладышей коренных подшипников. | | 25.
Нанесите тонкий слой моторного масла на вкладыши коренных подшипников в блоке
цилиндров и установите коленчатый вал на вкладыши. | | 26.
Нанесите тонкий слой моторного масла на коренные шейки коленчатого вала и вкладыши
в крышках коренных подшипников. | | 27.
В соответствии с маркировкой <– установите крышки коренных подшипников коленчатого
вала. | | 28. В определенной последовательности
в 2–3 этапа затяните болты крепления крышек коренных подшипников коленчатого вала
в следующем порядке: Момент затяжки: FE DOHC: 82–88 Н•м Т8 DOHC:
а. затяните болты моментом затяжки 39,2 Н•м; b. в последовательности,
обратной затягиванию, ослабьте болты; с. затяните болты моментом затяжки 19,6
Н•м; d. доверните болты на угол 90°; е. доверните болты на угол 60° |
| 29. Проверните коленчатый вал и проверьте,
что он вращается легко и плавно. | | 30.
Установите измерительный наконечник индикатора часового типа на передний торец
коленчатого вала. | | 31. Переместите
коленчатый вал вдоль оси до упора и установите шкалу индикатора часового типа
на ноль. |  | 32.
Переместите коленчатый вал вдоль оси в другую сторону до упора и прочтите значения
осевого люфта на шкале индикатора. |
| Двигатель |
Толщина, мм | | FE
DOHC | Т8 DOHC | | Осевой
люфт | 0,08–0,18 | 0,08–0,282
| | Предельно допустимое значение |
0,30 | |  | 33.
Если осевой люфт превышает допустимые значения, необходимо заменить упорные полукольца
коленчатого вала. | |
Толщина упорных полуколец, мм
| Упорное полукольцо |
Толщина, мм | | FE
DOHC | Т8 DOHC | | Номинальное
| 2,0–2,05 | 2,50–2,55
| | 1–е ремонтное ( 0,25) | 2,125–2,175
| 2,625–2,675 | | 2–е
ремонтное ( 0,50) | 2,240–2,290 | 2,750–2,80
| | 3–е ремонтное ( 0,75) | 2,365–2,415
| 2,875–2,925 | |
Предупреждение
Упорные полукольца с большей толщиной могут использоваться только в центральных
коренных подшипниках.
| | 34.
Смажьте моторным маслом внешнюю боковую поверхность игольчатого подшипника
первичного вала коробки передач. |  | 35.
Отрезком трубы (наружным диаметром 30–34 мм), установленным на наружное кольцо
подшипника, равномерно запрессуйте подшипник в коленчатый вал. | | 36.
Смажьте подшипник смазкой. | | 37. Установите
шатунный вкладыш в шатун. | | 38. Для
защиты шейки коленчатого вала от повреждения оденьте на болты крепления крышек
шатунов отрезки резиновой или пластиковой трубки. | | 39.
Проверьте правильность расположения замков поршневых колец на поршне. |
| 40. Установите поршень с поршневыми кольцами
над первым цилиндром, при этом метка F на поршне должна быть направлена к передней
части блока цилиндров. | | 41. Проверните
коленчатый вал в такое положение, чтобы шатунная шейка коленчатого вала 1–го цилиндра
находилась в нижней мертвой точке. | | 42.
Специальным приспособлением сожмите поршневые кольца на поршне. |  | 43.
Ручкой молотка вдавите поршень в цилиндр так, чтобы нижняя головка шатуна установилась
на шейку коленчатого вала. | | 44. Установите
шатунный вкладыш в крышку шатуна. | | 45.
Расположите отрезки пластикового измерительного стержня Plastigage на шейках шатунных
подшипников коленчатого вала. | | 46.
В соответствии с маркировкой установите крышки шатунов и закрепите их гайками.
Моменты затяжки: FE DOHC: 69–73,0 Н•м Т8 DOHC: 47–50 Н•м |
| 47. Выверните гайки и снимите крышку шатуна.
|  | 48.
Измерительным шаблоном измерьте ширину деформированного пластикового стержня
Plastigage и определите величину зазора. Удалите деформированный пластиковый стержень
Plastigage с шеек коленчатого вала и вкладышей шатунных подшипников.
Номинальный зазор в шатунном подшипнике: FE DOHC: 0,027–0,067 мм Т8
DOHC: 0,02–0,05 мм Предельно допустимый зазор: 0,10 мм |
| 49. Если зазор превышает предельно допустимое
значение, перешлифуйте шейки коленчатого вала и используйте ремонтные вкладыши
увеличенного размера. |  |
Предупреждение
Устанавливая крышку шатуна, совместите установочные метки на крышке и шатуне.
|  | 50.
Проверьте боковой зазор каждого шатуна без крышки. Номинальный боковой
зазор шатуна: 0,110–0,262 мм Предельно допустимый зазор: 0,30 мм |
| 51. Если боковой зазор шатуна превышает предельно
допустимое значение, замените шатун и крышку шатуна. |  | 52.
Нанесите тонкий слой моторного масла на шатунную шейку коленчатого вала и шатунный
вкладыш в крышке шатуна. | | 53. Установите
крышку шатуна и закрепите гайками. Моменты затяжки: FE DOHC: 69–73,0
Н•м Т8 DOHC: 47–50 Н•м | | 54.
Нанесите тонкий слой моторного масла на заднюю крышку, масляное уплотнение
и фланец масляного уплотнения. |  | 55.
Запрессуйте масляное уплотнение в заднюю крышку. |  | 56.
Установите заднюю крышку с новой прокладкой и закрепите ее болтами. Момент
затяжки: 8–12 Н•м |  | 57.
Срежьте часть прокладки, выступающую за пределы блока цилиндров, в сторону
масляного поддона. | Предупреждение
Не поцарапайте привалочные
поверхности блока цилиндров и задней крышки.
|  | 58.
Установите переходную пластину и закрепите ее болтами. Момент затяжки:
19–30 Н•м | | 59. Нанесите тонкий
слой чистого моторного масла на рабочую кромку переднего масляного уплотнительного
кольца коленчатого вала и гнездо масляного насоса. |  | 60.
Запрессуйте масляное уплотнение масляного насоса в переднюю крышку. | | 61.
Смажьте рабочую кромку масляного уплотнения. | | 62.
Удалите грязь или другие вещества с привалочных поверхностей передней крышки и
блока цилиндров. |  | 63.
Нанесите непрерывную полоску силиконового герметика на привалочную поверхность
передней крышки. | Предупреждение
Не допускайте попадания
герметика в масляный канал.
| | 64.
Установите на переднюю крышку новое уплотнительное кольцо. |  | 65.
Установите переднюю крышку на блок цилиндров и закрепите ее болтами. Момент
затяжки: А: 19–25 Н•м В: 37–52 Н•м | | 66.
Удалите выдавленный наружу герметик. |  | 67.
Установите распылители масла. Момент затяжки: 12–18 Н•м |
Предупреждение
Распылители масла цилиндров
№ 1, 3 по форме отличаются от распылителей масла цилиндров № 2, 4.
| | 68. Удалите грязь или другие вещества
с привалочной поверхности элемента жесткости. | | 69.
Нанесите непрерывную полоску силиконового герметика (типа TORAY SH780M или LOCTITE
ULTRA BLUE 587) на элемент жесткости по внутренним краям отверстий для болтов
и с перекрытием концов полоски. |  | 70.
Установите элемент жесткости и закрепите его болтами. Момент затяжки:
7–12 Н•м |  | 71.
Установите сетчатый масляный фильтр с новой прокладкой и закрепите его болтами.
Момент затяжки: 8–12 Н•м | | 72.
Нанесите непрерывную полоску силиконового герметика (типа TORAY SH780M или LOCTITE
ULTRA BLUE 587) на элемент жесткости по внутренним краям отверстий для болтов
и с перекрытием концов полоски. |  | 73.
Установите масляный поддон и закрепите его болтами. Момент затяжки:
7–12 Н•м | Предупреждение
Несовпадение края масляного
поддона и края блока цилиндров не должно превышать 1,5 мм.
|  | 74.
Очистите резьбу болтов крепления маховика и отверстия под болты от остатков
старого герметика. Если герметик невозможно удалить с резьбы болтов, замените
их. | | 75. Нанесите на резьбу многократно
используемых болтов тонкий слой герметика. |  | 76.
Установите маховик или пластину привода на коленчатый вал и закрепите болтами.
Момент затяжки: 96–103 Н•м | | 77.
На автомобилях с автоматической коробкой передач установите переходную пластину,
ведущий диск и опорную пластину и динамометрическим ключом затяните болты. |
| 78. Установите диск сцепления и кожух сцепления
с нажимным диском. |  | 79.
Установите оправку, центрирующую диск сцепления, и в несколько этапов затяните
болты крепления кожуха сцепления с нажимным диском. Момент затяжки: 22–32
Н•м |  | 80.
Удалите грязь, смазку и другие вещества с привалочной поверхности водяного
насоса. |  | 81.
Установите водяной насос и закрепите его болтами. Момент затяжки:
19–25 Н•м | |
|