поиск в избранное карта сайта
  Mazda РЕМОНТ ОБСЛУЖИВАНИЕ ЭКСПЛУАТАЦИЯ АВТОМОБИЛЕЙ
Мазда 6. Mazda 6 (с 2002 года выпуска)

полные технические характеристики. диагностика. электросхемы
 
Главная
 
Mazda
6
1. Эксплуатация и техническое обслуживание автомобиля
2. Двигатель
2.1. Общее описание новых двигателей моделей L8, LF и L3
2.1.1. Механическая часть двигателей
2.1.2. Механизм изменения фаз газораспределения
2.1.3. Система смазки
2.1.4. Система охлаждения
2.1.5. Топливная система
2.1.6. Система выпуска отработавших газов и система снижения токсичности
2.1.7. Электрооборудование двигателей
2.1.7.1. Общие сведения
2.1.7.2. Система зарядки
2.1.7.3. Катушка зажигания
2.1.7.4. Свеча зажигания
2.1.7.5. Стартер
2.2. Механическая часть двигателей
2.3. Приложение 1
2.4. Приложение 2
2.5. Приложение 3
3. Трансмиссия
4. Ходовая часть
5. Рулевой механизм
6. Тормозная система
7. Бортовое электрооборудование
8. Кузов
 


2.1.7.2. Система зарядки

Генератор
Рис. 2.68. Генератор: 1 – генератор; 2 – теплоизоляционный экран генератора; 3 – воздуховод генератора


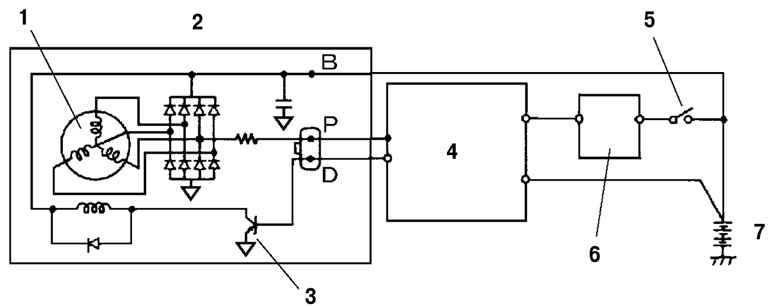
Как уже говорилось, в системе зарядки не используется регулятор напряжения, управление генератором выполняется блоком PCM. Воздуховод генератора изготовлен из пластмассы, металлическая теплоизоляция генератора предохраняет генератор от высокой температуры выпускного коллектора (рис. 2.68, 2.69).

Электросхема соединений генератора
Рис. 2.69. Электросхема соединений генератора: 1 – обмотка статора; 2 – генератор; 3 – транзистор; 4 – блок PCM; 5 – выключатель зажигания; 6 – контрольная лампа заряда аккумуляторной батареи; 7 – аккумуляторная батарея


« предыдущая страница
2.1.7.1. Общие сведения
^
к оглавлению
следующая страница »
2.1.7.3. Катушка зажигания

Copyright © 2026 Все права защищены. Все торговые марки являются собственностью их владельцев.