поиск в избранное карта сайта
  Mercedes-Benz РЕМОНТ ОБСЛУЖИВАНИЕ ЭКСПЛУАТАЦИЯ АВТОМОБИЛЕЙ
Мерседес-Бенц Спринтер. Mercedes-Benz Sprinter (с 1995 по 2000 год выпуска)

полные технические характеристики. диагностика. электросхемы
 
Главная
 
Mercedes-Benz
Sprinter
1. Общие сведения
2. Двигатель
3. Система смазки
4. Система охлаждения
5. Системы впрыска и выпуска отработавших газов
6. Сцепление
7. Механическая коробка передач
8. Передний мост
9. Задний мост и карданный вал
10. Передняя и задняя подвески
11. Рулевое управление
12. Тормозная система
13. Система электрооборудования
14. Шины и диски
15. Автоматическая коробка передач
16. Карта технического обслуживания
17. Приложения
18. Схемы электрооборудования
18.1. Cхемы 1-5
18.2. Схемы 6-10
18.3. Схемы 11-15
18.4. Схемы 16-20
 


18.2. Схемы 6-10

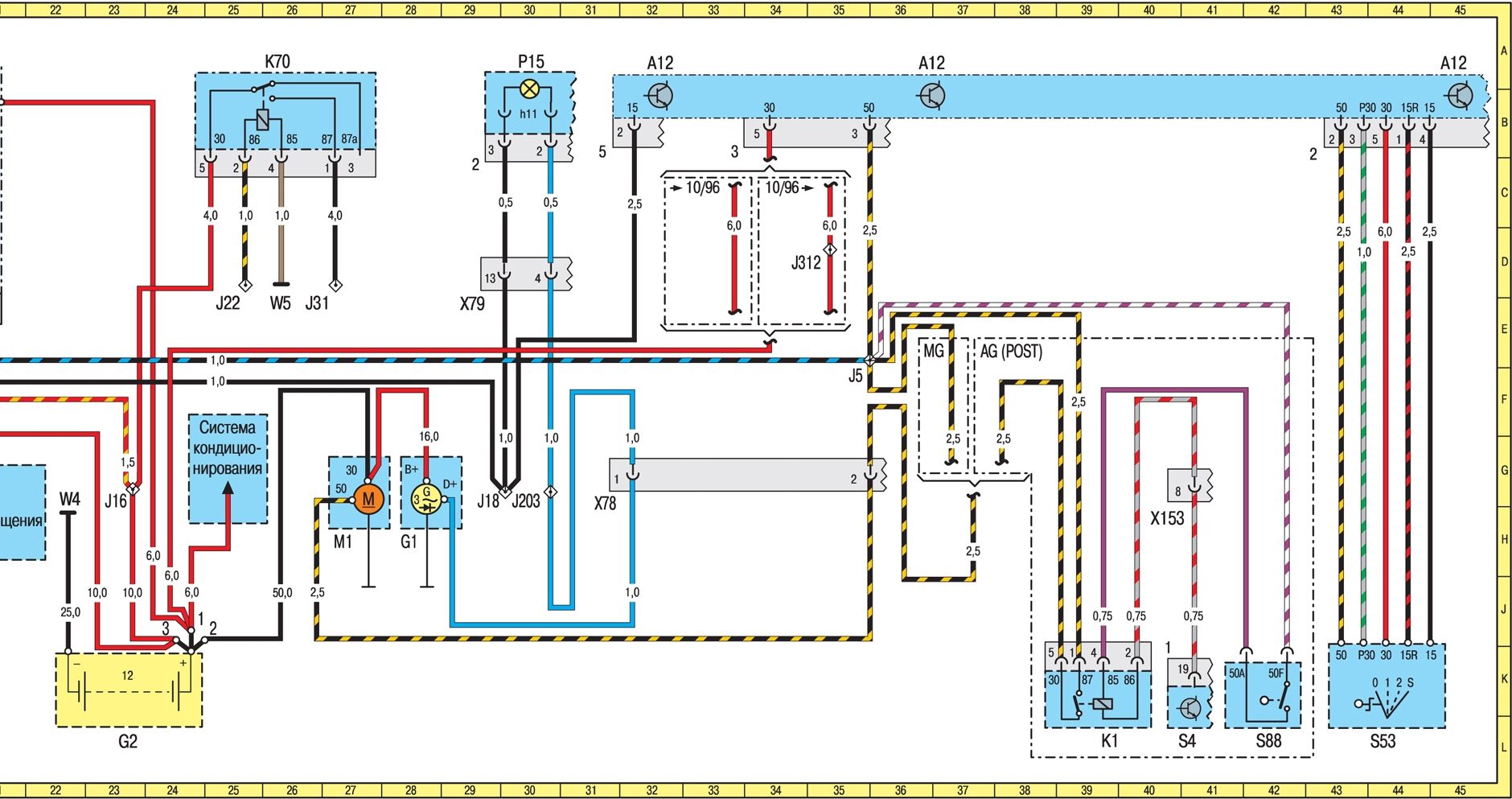
Схема 6.(часть 2) Системы электроснабжения и пуска двигателя 601.943 выпуска до апреля 1998 г.
A12
Центральный монтажный блок
31А


36А


44А
А25
Электронный блок дистанционного управления


зажиганием
2L
A53
Блок управления иммобилайзером, транспондер LL
3L
A54
Блок управления иммобилайзером, транспондер RL
3L
B8
Датчик (температуры воздуха) системы


предпускового подогрева
8L
D2
Реле (свечей накаливания) системы предпускового


подогрева
6A


12A


19A
F70
Предохранитель (15 А) реле (вывод <D+>)
13H


17H
G1
Генератор
27H
G2
Аккумуляторная батарея
23L
J5
Вывод <50>
35F
J16
Вывод <30>
23H
J18
Вывод <15>, защищенный предохранителем
29H
J19
Вывод <61>
12H


18H
J22
Вывод <15>, защищенный предохранителем
25E
J31
Вывод <15>, защищенный предохранителем
26E
J89
Вывод <56b>
16H
J203
Вывод <D+>
10H


14H


29H
J312
Вывод <30>, защищенный предохранителем
34D
J327
Вывод <30>
20H
K1
Реле блокировки пуска двигателя
39L
K26
Реле вывода <D+>
12L


16L
K70
Реле вывода подключения дополнительного


оборудования
25A
M1
Стартер
26H
P15
Комбинация приборов
5L


29A
P15h11
Контрольная лампа зарядки аккумуляторной батареи
29A
P15h13
Контрольная лампа системы предпускового


подогрева и иммобилайзера
5K
R13
Свеча накаливания
2E
R14
Свеча накаливания
3E
R15
Свеча накаливания
3E
R16
Свеча накаливания
3E
S4
Программный переключатель автоматической


коробки передач
40L
S53
Замок зажигания
43L
S88
Выключатель блокировки пуска (Post)
41L
W4
Соединение с <массой> на перегородке моторного


отсека
22H
W5
Соединение с <массой> в блоке под сиденьем
11G


15G


18G


25E
W7
Соединение с <массой> в моторном отсеке
8H
X42
Контактный разъем датчика температуры


охлаждающей жидкости
7H
X78
Разъем жгутов проводов рамы и двигателя
31H
X79
Разъем жгутов проводов рамы и кузова
4Н, 29Е
Х153
22-котнактный разъем жгутов проводов рамы


и кузова
40Н

Схема 7. (часть 2) Системы электроснабжения и пуска двигателя 602.980 выпуска с февраля 1998 г.
A12
Центральный монтажный блок
29А
А20
ЭБУ двигателем (MSA)
1A


33L
A53
Блок управления иммобилайзером, транспондер LL
2L
A54
Блок управления иммобилайзером, транспондер RL
2L
B1
Датчик температуры охлаждающей жидкости
8L
D3
Выходной каскад системы предпускового подогрева
12А


18А
F70
Предохранитель (15 А) реле (вывод <D+>)
12H
F95
Предохранитель 50 А
17H
G1
Генератор
24H
G2
Аккумуляторная батарея
20L
J5
Вывод <50>
28Е
J13
Вывод ЭБУ ТНВД (EVE)
J16
Вывод <30>
20H
J18
Вывод <15>, защищенный предохранителем
25H


33H
J19
Вывод <61>
13H
J22
Вывод <15>, защищенный предохранителем
22E
J31
Вывод <15>, защищенный предохранителем
23E
J89
Вывод <56b>
11H
J203
Вывод <D+>
9H


26H
J210
Вывод <30>
21Н
J271
Вывод <87"
3J
J327
Вывод <30>
15H
K26
Реле вывода <D+>
11L
K45
Реле системы предпускового подогрева
3A
K70
Реле вывода подключения дополнительного


оборудования
22A
M1
Стартер
23H
P15
Комбинация приборов
6L


16A
P15h11
Контрольная лампа зарядки аккумуляторной батареи
26В
P15h13
Контрольная лампа системы предпускового


подогрева и иммобилайзера
6K
R13
Свеча накаливания
5E
R14
Свеча накаливания
5E
R15
Свеча накаливания
6E
R16
Свеча накаливания
6E
R17
Свеча накаливания
6E
S4
Программный переключатель автоматической


коробки передач
40L
S53
Замок зажигания
33А
S65
Выключатель блокировки пуска двигателя
31L
S88
Выключатель блокировки пуска двигателя (Post)
41L
W4
Соединение с <массой> на перегородке моторного


отсека
19H
W5
Соединение с <массой> в блоке под сиденьем
10Н


13H


22Е
W7
Соединение с <массой> в моторном отсеке
8H


32Н
X78
Разъем жгутов проводов рамы и двигателя
7H


27Н
X79
Разъем жгутов проводов рамы и кузова


25Е
Х167
Разъем лебедки
17L

Схема 8. Механизм отбора мощности механической коробки передач (двигатели 601 и 602)
B72
Датчик частоты вращения ведомого вала коробки


передач
18L
F32
Предохранитель 15 А
13J
J17
Вывод цепи сигнала включения стояночного тормоза
J31
Вывод <15>, защищенный предохранителем
13L
J40
Вывод для подключения дополнительного оборудования
J46
Вывод <58>
12Н
J105
Вывод <15>
J142
Вывод <15>, защищенный предохранителем




13G
J150
Вывод регулятора частоты вращения вала привода


дополнительного оборудования
14Е
М8
Электродвигатель привода дополнительного


оборудования
21L
N6
ЭБУ компрессором кондиционера
16L
P11
14-контактный диагностический разъем
15G
P15
Комбинация приборов
7L
P15h42
Контрольная лампа привода дополнительного


оборудования
S1
Концевой выключатель дополнительного привода
5L
S3
Выключатель ADR
10L
S47
Включатель дополнительного привода
2L
V21
Блок управления поддержанием частоты


вращения вала привода дополнительного


оборудования
5A


12A


20A
W5
Соединение с <массой> в блоке под сиденьем
W7
Соединение с <массой> в моторном отсеке
4H


18Е
W8
Соединение с <массой> на кузове


11Н
lX3
Разъем датчика частоты вращения вала двигателя


вспомогательного оборудования
20E
X33
Разъем <TD>
17G
X82
Разъем жгутов проводов рамы и кузова
1H


6H


9E


10Н
Y32
Электромагнитный клапан привода дополнительного


оборудования
4L

Схема 9.(часть 2, 3, 4, 5) Комбинация приборов с электронным тахометром
А1
ЭБУ круиз-контролем
71L
A2
Гидромодулятор с блоком управления
33L
А5
ЭБУ системой замера уровня масла
29L
A6
ЭБУ системой AGR
67L
A10
ЭБУ подушками и ремнями безопасности
31L
A12
Центральный монтажный блок
10L
А13
ЭБУ PMS
51L


62L


69L
A20
ЭБУ двигателем (MSA)
37L


38L


63L


68L


73L
A53
Блок управления иммобилайзером, транспондер LL
3L
A54
Блок управления иммобилайзером, транспондер RL
3L
B1
Датчик температуры охлаждающей жидкости
40L
B3
Датчик уровня топлива
46L
B7
Датчик уровня охлаждающей жидкости
8L
B8
Датчик системы предпускового подогрева
43L
B9
Датчик уровня моторного масла
27L
В11
Датчик давления моторного масла
14L
В37
Датчик температуры наружного воздуха
55L
В54
Датчик уровня тормозной жидкости LL
20L
В55
Датчик уровня тормозной жидкости RL
20L
В61
Датчик температуры наружного воздуха
56L
B72
Датчик частоты вращения коленчатого вала двигателя
60L
D2
Реле системы предпускового подогрева
4L
F35
Предохранитель 10 А
29Н
G1
Генератор
24H
G4
Датчик спидометра
76L
G5
Датчик износа тормозных колодок левого


переднего колеса
21L
G6
Датчик износа тормозных колодок правого


переднего колеса
21L
G7
Датчик износа тормозных колодок левого


заднего колеса
21L
G8
Датчик износа тормозных колодок правого заднего колеса
21L
G15
Генератор 115 А
18L
J2
Вывод датчиков износа тормозных колодок
20Н


22Н
J3
Вывод системы внутреннего освещения
48К
J13
Вывод ЭБУ ТНВД (EVE)
7L
J17
Вывод цепи включения лампы стояночного тормоза
17J
J18
Вывод <15>, защищенный предохранителем
17L
J19
Вывод <61>
30H
J30
Вывод датчиков износа тормозных колодок
24H
J31
Вывод <15>, защищенный предохранителем
29F
J38
Вывод <56a>
1L
J39
Вывод соединения с <массой> датчиков износа


тормозных колодок
25Н
J46
Вывод <58>
79G
J49
Вывод датчика частоты вращения коленчатого вала
63H


73G
J69
Вывод датчика частоты вращения коленчатого вала
51Н


62Н
J105
Вывод <15>
27G


35G
J149
Вывод датчика частоты вращения коленчатого вала
69H
J163
Вывод <15R>
30G
J203
Вывод <D+>
18H
tJ271
Вывод <87>
4F
J312
Вывод <30>, защищенный предохранителем
52L
K34
Реле автоматической коробки передач с системой


автоматического перехода на пониженную передачу


kickdown
66L
K42
Реле автоматической коробки передач с системой


автоматического перехода на пониженную передачу


Kickdown (Post)
64L
K45
Реле системы предварительного подогрева
6L
P11
14-контактный диагностический разъем
72L
P15
Комбинация приборов
4A


12A


20A


27A


36A


45A


52A


60A


69A


77A
P15e11
Лампы освещения комбинации приборов
75В
P15h1
Контрольная лампа указателей поворота
P15h6
Контрольная лампа включения стояночного тормоза
15С
P15h7
Контрольная лампа недостаточного уровня


охлаждающей жидкости
P15h11
Контрольная лампа зарядки аккумуляторной батареи
18С
P15h12
Контрольная лампа неисправности подушки


безопасности
30С
P15h13
Контрольная лампа систем предпускового подогрева


и иммобилайзера
P15h14
Сигнальная лампа системы ADR
37C
P15h20
Контрольная лампа дальнего света фар
P15h25
Контрольная лампа блокировки дифференциала
27С
P15h33
Контрольная лампа иммобилайзера


(бензиновый двигатель)
P15h40
Сигнальная лампа износа тормозных колодок/


недостаточного уровня тормозной жидкости
19С
P15h42
Контрольная лампа включения дополнительного привода
35С
P15h59
Сигнальная лампа недостаточного уровня


моторного масла
28С
P15h60
Сигнальная лампа низкого давления моторного масла
13С
P15h66
Контрольная лампа системы ABS
34С
P15h71
Контрольная лампа ABD
34C
P15h73
Контрольная лампа системы EDC
36C
P15p1
Указатель температуры охлаждающей жидкости
43В
P15p3
Указатель количества топлива в баке
44В
P15p6
Тахометр
67В
P15p10
Спидометр
49В
P15p12
Часы
65В
S1
Концевой выключатель дополнительного привода
32L
S80
Выключатель на рычаге стояночного тормоза
15L
S104
Выключатель блокировки дифференциала
25L
S119
Выключатель противотуманного света фар


и задних фонарей
50L
W3
Соединение с <массой> в левой фаре
8H
W4
Соединение с <массой> на перегородке


моторного отсека
21G
W5
Соединение с <массой> в блоке под сиденьем
15H


27H


46F
W6
Соединение с <массой> задних габаритных фонарей
25G
W7
Соединение с <массой> в моторном отсеке
32H
W8
Соединение с <массой> на кузове
48G
W29
Соединение с <массой> на рулевой колонке
49Н
X4.1
Контактный разъем топливного насоса/датчика


количества топлива в баке
45Н
X4.2
Контактный разъем топливного насоса/датчика


количества топлива в баке
45Н
X33
Разъем <TD>
59Н
X41
Разъем спидометра
76G
X42
Разъем датчика температуры охлаждающей жидкости
41H
X44
Разъем жгутов проводов кузова и крыши
47G
X49
Разъем спидометра
69G


75G
X78
Разъем жгутов проводов рамы и двигателя
12J


18J


40H


43H
X79
Разъем жгутов проводов рамы и кузова
1G


7G


13G


33H


37H


44F


49G


52G


72H
X80
Разъем жгутов проводов рамы и кузова
56G
X81
Разъем жгутов проводов рамы и кузова
26G


30H


51G


61F


67E


68G


74G
X82
Разъем жгутов проводов рамы и кузова
31H


38H
X136
Разъем жгутов проводов кузова
57К






Схема 10. (часть 2) Противоугонная система EDW
А8
ЭБУ системой центральной блокировки


замков дверей
18L
A18
ЭБУ сигнализацией и противоугонной системой


12А


20А


28А
А25
Блок дистанционного управления зажиганием
15L
A53
Блок управления иммобилайзером, транспондер LL
17L
A54
Блок управления иммобилайзером, транспондер RL
17L
F85
Предохранитель (20 А) вывода <30> (EDW)
24H
F86
Предохранитель (7,5 А) вывода <15> (EDW)
14E
F87
Предохранитель (7,5 А) указателей левого


поворота (EDW)
7E
F88
Предохранитель (7,5 А) указателей правого


поворота (EDW)
8E
F100
Предохранитель (10 А) звуковой сигнализации (EDW)
5E
H34
Звуковая сигнализация EDW
5L
J3
Вывод системы внутреннего освещения
22H
J22
Вывод <15>, защищенный предохранителем
2H
J31
Вывод <15>, защищенный предохранителем
14H
J46
Вывод <58>
28Н
J77
Вывод системы внутреннего освещения
23H
J80
Вывод правого указателя поворота
8L
J81
Вывод левого указателя поворота
8L
J251
Вывод сигнального устройства
1E
J278
Вывод <15>
3H


24E
J282
Вывод указателя левого поворота прицепа
19H
J283
Вывод указателя правого поворота прицепа
21H
J284
Вывод системы EDW указателей поворота прицепа
20H
J312
Вывод <30>, защищенный предохранителем
25L
J314
Вывод <87> (EDW)
К37
Реле звукового сигнала
2L
P11
14-контактный диагностический разъем
13L
S18
Контактный выключатель системы EDW на капоте
12L
S45
Выключатель на замке двери водителя
10L
S97
Выключатель режима <сигнализации>
27L
V9
Диод
20L
V10
Диод
21L
W2
Соединение с <массой> в правой фаре
12G
W2.1
Соединение с <массой> в правой фаре (EDW)
4H
W4
Соединение с <массой> на перегородке моторного


отсека
11H
W5
Соединение с <массой> в блоке под сиденьем
11Е
W8
Соединение с <массой> на кузове
28Н
X46
Разъем жгутов проводов рамы и кузова


(дополнительное оборудование)
22E
X142
Разъем жгутов проводов рамы и кузова
25E
X176
Разъем EDW
5H


24K




« предыдущая страница
18.1. Cхемы 1-5
^
к оглавлению
следующая страница »
18.3. Схемы 11-15

Copyright © 2026 Все права защищены. Все торговые марки являются собственностью их владельцев.