поиск в избранное карта сайта
  Mitsubishi РЕМОНТ ОБСЛУЖИВАНИЕ ЭКСПЛУАТАЦИЯ АВТОМОБИЛЕЙ
Мицубиси Паджеро. Mitsubishi Pajero (с 1982 по 1998 год выпуска)

полные технические характеристики. диагностика. электросхемы
 
Главная
 
Mitsubishi
Pajero
1. Инструкция по эксплуатации
2. Техническое обслуживание
3. Двигатели
4. Система охлаждения
5. Система смазки
6. Система питания
7. Система выпуска
8. Топливная система
9. Ходовая часть
10. Подвеска и рулевое управление
10.1. Колеса
10.2. Передняя подвеска
10.2.1. Торсион
10.2.2. Амортизатор
10.2.3. Верхняя шаровая опора подвески
10.2.4. Нижняя шаровая опора
10.2.5. Стабилизатор поперечной устойчивости
10.2.6. Верхний рычаг подвески
10.2.7. Нижний рычаг подвески и замена втулок
10.2.8. Поворотный кулак
10.2.9. Подшипник переднего колеса
10.2.10. Углы установки колес
10.3. Задняя подвеска
10.4. Рулевое управление
11. Тормозная система
12. Кузов
13. Электрооборудование
14. Электросхемы
 


10.2.5. Стабилизатор поперечной устойчивости

ОБЩИЕ СВЕДЕНИЯ

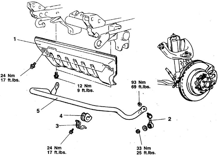
Детали крепления стабилизатора поперечной устойчивости (1992-93)
10.2.5. Стабилизатор поперечной устойчивости

Порядок снятия
1. Грязеотражатель
2. Стойка
3. Хомут
4. Втулка
5. Штанга стабилизатора

Детали крепления стабилизатора поперечной устойчивости (1994-95)
10.2.5. Стабилизатор поперечной устойчивости

Порядок снятия
1. Грязеотражатель
2. Стойка
3. Хомут
4. Втулка
5. Штанга стабилизатора

АВТОМОБИЛИ 1983-91 ГГ.

ПОРЯДОК ВЫПОЛНЕНИЯ
1. Поднимите передок автомобиля, снимите колеса и грязеотражатель.
2. Отверните гайки крепления стойки стабилизатора к поперечине и к нижним рычагам.
Обратите внимание на расположение втулок, шайб и прокладок.
3. Снимите стабилизатор, проверьте его состояние.
4. При обнаружении трещин и деформаций замените. Рекомендуется также заменить все резиновые втулки.
5. Установка выполняется в обратном порядке.

10.2.5. Стабилизатор поперечной устойчивости

6. Затяните гайку стойки.
7. Замените верхнюю гайку крепления стойки стабилизатора и заверните ее на 6–8 мм от резьбового окончания стойки.
8. Замените гайки нижнего рычага, затяните гайки так, чтобы резьбовая часть выступала на 6–8 мм (1982-91).
9. На автомобилях 1992-98 гг. затяните гайку, чтобы резьбовая часть болта выступала на 6–8 мм при длине болта 55 мм, или на 8–9 мм при длине 60 мм.

АВТОМОБИЛИ 1992-98 ГГ.

ПОРЯДОК ВЫПОЛНЕНИЯ
1. Поднимите передок автомобиля, снимите колеса и грязеотражатель.
2. Отверните гайки крепления стойки стабилизатора к штанге и к нижним рычагам.
Обратите внимание на расположение втулок, шайб и прокладок.
3. Снимите хомуты и штангу, снимите со штанги втулки.
4. Проверьте наличие трещин и деформаций.
5. Рекомендуется заменить все резиновые втулки независимо от их состояния.
6. Установка выполняется в обратном порядке.
7. Затяните болты и гайки.

« предыдущая страница
10.2.4. Нижняя шаровая опора
^
к оглавлению
следующая страница »
10.2.6. Верхний рычаг подвески

Copyright © 2026 Все права защищены. Все торговые марки являются собственностью их владельцев.