поиск в избранное карта сайта
  Opel РЕМОНТ ОБСЛУЖИВАНИЕ ЭКСПЛУАТАЦИЯ АВТОМОБИЛЕЙ
Опель Астра Г, Зафира. Opel Astra G / Zafira (с 1998 года выпуска)

полные технические характеристики. диагностика. электросхемы
 
Главная
 
Opel
Astra G / Zafira
1. Введение
2. Руководство по эксплуатации
3. Текущее обслуживание
4. Двигатель
5. Системы охлаждения, отопления
6. Системы питания и выпуска
6.1. Система питания
6.2. Система впрыска топлива бензиновых двигателей
6.2.1. Принцип функционирования систем впрыска топлива
6.2.2. Проверка исправности функционирования системы впрыска топлива
6.2.3. Снятие и установка компонентов системы центрального впрыска топлива Multec
6.2.4. Снятие и установка компонентов систем распределенного впрыска топлива Multec-S и Simtec-70
6.2.5. Система контроля температуры всасываемого воздуха (модели с центральным впрыском) - принцип функционирования и проверка исправности функционирования
6.2.6. Снятие и установка впускного трубопровода
6.2.7. Снятие и установка выпускного коллектора
6.3. Системы впрыска и турбонаддува дизельного двигателя
6.4. Системы выпуска и снижения токсичности отработавших газов
7. Электрооборудование двигателя
8. Ручная коробка передач
9. Автоматическая трансмиссия
10. Сцепление и приводные валы
11. Тормозная система
12. Подвеска и рулевое управление
13. Кузов
14. Бортовое электрооборудование
 


6.2.1. Принцип функционирования систем впрыска топлива

Система центрального впрыска Multec


Основные компоненты системы центрального впрыска Multec (двигатели 1.6 л SOHC)

1 — Датчик положения коленчатого вала (CKP)
2 — Корпус дросселя
3 — Инжектор впрыска топлива
4 — Датчик положения дроссельной заслонки (TPS)
5 — Датчик детонации (KS)
6 — Датчик абсолютного давления во впускном трубопроводе (MAP)

7 — Клапан продувки угольного адсорбера
8 — Модуль зажигания
9 — Клапан EGR
10 — Лямбда-зонд
11 — Шаговый двигатель системы стабилизации оборотов холостого хода


В состав системы Multec (см. иллюстрацию Основные компоненты системы центрального впрыска Multec (двигатели 1.6 л SOHC)) входят следующие компоненты: каталитический преобразователь закрытого типа, системы улавливания топливных испарений (EVAP) и рециркуляции отработавших газов (EGR). По эффективности функционирования система отвечает всем требованиями международных стандартов. Ниже приведено описание принципа функционирования отвечающей за впрыск топлива двигатель части системы. Информация по функционированию подсистемы зажигания приведена в Главе Электрооборудование двигателя.

Помещенный в топливный бак погружной топливный насос обеспечивает подачу топлива под давлением к топливной магистрали, по пути прогоняя его сквозь установленный сзади под автомобилем топливный фильтр. Напор подачи топлива определяется установленным на корпусе дросселя регулятором давления. Избыток горючего по возвратной линии направляется обратно в топливный бак.

Электрическая часть системы управления состоит из электронного модуля управления (ECM) и следующих информационных датчиков:

  • Датчик положения (потенциометр) дроссельной заслонки (TPS) информирует ECM о положении дроссельной заслонки;
  • Датчик температуры охлаждающей жидкости (ECT) информирует ECM о температуре охлаждающей жидкости двигателя;
  • Лямбда-зонд (модели для Великобритании) информирует ECM о концентрации содержания в отработавших газах молекул О 2 (подробнее см. Системы выпуска и снижения токсичности отработавших газов);
  • Датчик положения коленчатого вала (CKP) информирует ECM об оборотах двигателя и положении коленчатого вала;
  • Датчик детонации (KS) информирует ECM о появлении признаков раннего зажигания;
  • Датчик абсолютного давления во впускном трубопроводе (MAP) информирует ECM о нагрузке на двигатель, отслеживая глубину разрежения во впускном трубопроводе;
  • Блок управления системы антиблокировки тормозов (ABS) информирует ECM о скорости движения автомобиля;
  • Датчик-выключатель системы кондиционирования воздуха (при соответствующей комплектации) оповещает ECM о факте включения кондиционера.

Вся поступающая информация обрабатывается ECM, который затем выдает команды управления зажиганием и открыванием инжектора впрыска топлива. Управление инжектором происходит путем изменения широты управляющего электрического открывающего импульса, что позволяет с минимальной задержкой производить корректировку состава воздушно-топливной смеси при изменении внешних факторов. Благодаря возможности такого рода корректировок отдача двигателя поддерживается на максимальном уровне на любой стадии функционирования агрегата: при запуске, во время прогрева, при акселерации, деселерации и движении с постоянной скоростью.

ECM осуществляет также управление оборотами холостого хода. Необходимые корректировки производятся путем активации установленного на корпусе дросселя шагового электродвигателя. Двигатель по командам ECM производит открывание/перекрывание перепускного канала, в случае необходимости (например, при закрытой или находящейся в положении холостого хода дроссельной заслонке) пуская воздух в обход дроссельной камеры.

Кроме того, ECM осуществляет управление функционированием системы улавливания топливных испарений EVAP (см. Системы выпуска и снижения токсичности отработавших газов).

Если от датчиков поступает информация, свидетельствующая о возникновении не нештатной ситуации, ECM переключается в аварийный режим функционирования, когда вместо неадекватных сигналов подставляются базовые значения соответствующих параметров, - эффективность отдачи двигателя в таком режиме, естественно снижается. О входе ECM в аварийный режим водителя предупреждает срабатывание контрольной лампы отказов на приборном щитке автомобиля (см. Главу Руководство по эксплуатации), в память процессора при этом заносится соответствующий диагностический код (см. Главу Электрооборудование двигателя).

При определенных обстоятельствах поведение автомобиля может вообще не измениться. Единственным признаком того, что ECM перешел в аварийный режим функционирования может являться повышение токсичности отработавших газов. Имейте в виду, что после замены неисправного датчика на исправный автоматического возврата системы не переключится самостоятельно в нормальный режим не происходит, - следует очистить память процессора от содержащихся в ней диагностических кодов. Даже если причиной перехода системы в аварийный режим безопасного был обрыв проводки, после ее память процессора должна быть очищена.


Диагностический разъем DLC расположен в центральной консоли впереди рычага стояночного тормоза под декоративной крышкой


Местоположение разъема DLC в консоли

Декоративная крышка снята

При срабатывании контрольной лампы автомобиль следует при первой же возможности отогнать на фирменную станцию техобслуживания Opel для проведения подробной диагностики с применением специального оборудования и выполнения необходимого восстановительного ремонта (см. иллюстрации Диагностический разъем DLC расположен в центральной консоли впереди рычага стояночного тормоза под декоративной крышкой и Местоположение разъема DLC в консоли).

Диагностическое оборудование (считыватель сканерного типа) подключается к расположенному под декоративной накладкой под впереди рычага стояночного тормоза DLC-разъему.

Система распределенного впрыска Multec-S


Основные компоненты системы центрального впрыска Multec-S (двигатели 1.4 и 1.6 л DOHC)

1 — Датчик положения коленчатого вала (CKP)
2 — Датчик детонации (KS)
3 — Клапан EGR
4 — Датчик положения дроссельной заслонки (TPS)
5 — Шаговый двигатель системы стабилизации оборотов холостого хода
6 — Датчик абсолютного давления во впускном трубопроводе (MAP)

7 — Клапан продувки угольного адсорбера
8 — Модуль зажигания
9 — Лямбда-зонд
10 — Датчик температуры охлаждающей жидкости (ECT)
11 — Датчик температуры всасываемого воздуха (IAT)
12 — Датчик положения распределительного вала (CMP)

Основными компонентами системы Multec-S (см. иллюстрацию Основные компоненты системы центрального впрыска Multec-S (двигатели 1.4 и 1.6 л DOHC)) являются: каталитический преобразователь закрытого типа, системы улавливания топливных испарений (EVAP) и рециркуляции отработавших газов (EGR). По эффективности функционирования система отвечает всем требованиями международных стандартов. Ниже приведено описание принципа функционирования отвечающей за впрыск топлива двигатель части системы. Информация по функционированию подсистемы зажигания приведена в Главе Электрооборудование двигателя.

Помещенный в топливный бак погружной топливный насос обеспечивает подачу топлива под давлением к топливной магистрали, по пути прогоняя его сквозь установленный сзади под автомобилем топливный фильтр. Напор подачи топлива определяется установленным на корпусе дросселя регулятором давления. Избыток горючего по возвратной линии направляется обратно в топливный бак.

Электрическая часть системы управления состоит из электронного модуля управления (ECM) и следующих информационных датчиков:

  • Датчик положения (потенциометр) дроссельной заслонки (TPS) информирует ECM о положении дроссельной заслонки;
  • Датчик температуры охлаждающей жидкости (ECT) информирует ECM о температуре охлаждающей жидкости двигателя;
  • Датчик температуры всасываемого воздуха (IAT) информирует ECM о температуре всасываемого во впускной трубопровод воздуха;
  • Лямбда-зонд (модели для Великобритании) информирует ECM о концентрации содержания в отработавших газах молекул О 2 (подробнее см. Системы выпуска и снижения токсичности отработавших газов );
  • Датчик положения коленчатого вала (CKP) информирует ECM об оборотах двигателя и положении коленчатого вала;
  • Датчик положения распределительного вала (CMP) информирует ECM о положении и частоте вращения выпускного распределительного вала;
  • Датчик детонации (KS) информирует ECM о появлении признаков раннего зажигания;
  • Датчик абсолютного давления во впускном трубопроводе (MAP) информирует ECM о нагрузке на двигатель, отслеживая глубину разрежения во впускном трубопроводе;
  • Блок управления системы антиблокировки тормозов (ABS) информирует ECM о скорости движения автомобиля;
  • Датчик-выключатель системы кондиционирования воздуха (при соответствующей комплектации) оповещает ECM о факте включения кондиционера.

Вся поступающая информация обрабатывается ECM, который затем выдает команды управления зажиганием и открыванием инжектора впрыска топлива. Управление инжектором происходит путем изменения широты управляющего электрического открывающего импульса, что позволяет с минимальной задержкой производить корректировку состава воздушно-топливной смеси при изменении внешних факторов. Благодаря возможности такого рода корректировок отдача двигателя поддерживается на максимальном уровне на любой стадии функционирования агрегата: при запуске, во время прогрева, при акселерации, деселерации и движении с постоянной скоростью. Multec S является системой последовательного впрыска, в которой каждый из 4-х инжекторов впрыска срабатывает в момент начала открывания соответствующего впускного клапана.

ECM осуществляет также управление оборотами холостого хода. Необходимые корректировки производятся путем активации установленного на корпусе дросселя шагового электродвигателя. Двигатель по командам ECM производит открывание/ перекрывание перепускного канала, в случае необходимости (например, при закрытой или находящейся в положении холостого хода дроссельной заслонке) пуская воздух в обход дроссельной камеры.

Кроме того, ECM осуществляет управление функционированием системы улавливания топливных испарений EVAP (см. Системы выпуска и снижения токсичности отработавших газов).

Если от датчиков поступает информация, свидетельствующая о возникновении не нештатной ситуации, ECM переключается в аварийный функционирования, когда вместо неадекватных сигналов подставляются базовые значения соответствующих параметров, - эффективность отдачи двигателя в таком режиме, естественно снижается. О входе ECM в аварийный режим водителя предупреждает срабатывание контрольной лампы отказов на приборном щитке автомобиля (см. Главу Руководство по эксплуатации), в память процессора при этом заносится соответствующий диагностический код (см. Главу Электрооборудование двигателя).

При срабатывании контрольной лампы автомобиль следует при первой же возможности отогнать на фирменную станцию техобслуживания Opel для проведения подробной диагностики с применением специального оборудования и выполнения необходимого восстановительного ремонта.

Диагностическое оборудование (считыватель сканерного типа) подключается к расположенному под декоративной накладкой впереди рычага стояночного тормоза DLC-разъему (см. иллюстрации Диагностический разъем DLC расположен в центральной консоли впереди рычага стояночного тормоза под декоративной крышкой и Местоположение разъема DLC в консоли).

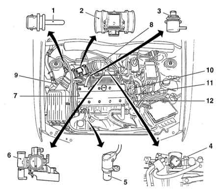
Система распределенного впрыска Simtec-70 ч


Основные компоненты системы центрального впрыска Multec-S (двигатели 1.8 и 2.0 л DOHC)

1 — Датчик температуры всасываемого воздуха (IAT)
2 — Датчик измерения массы воздуха (MAF)
3 — Регулятор давления топлива
4 — Датчик положения дроссельной заслонки (TPS)
5 — Датчик положения коленчатого вала (CKP)
6 — Шаговый двигатель системы стабилизации оборотов холостого хода

7 — Датчик положения распределительного вала (CMP)
8 — Датчик детонации (KS)
9 — Клапан продувки угольного адсорбера
10 — Модуль зажигания
11 — Датчик температуры охлаждающей жидкости (ECT)
12 — Клапан EGR

По принципу функционирования система Simtec-70 (см. иллюстрацию Основные компоненты системы центрального впрыска Multec-S (двигатели 1.8 и 2.0 л DOHC)) почти идентична системе рассмотренной выше системе Multec S. Основное отличие состоит в использовании во впускном воздушном тракте вместо датчика MAP датчика измерения массы воздуха (MAF) пленочного типа на впуске. Датчик измерения массы воздуха (MAF) информирует ECM о количестве воздуха, поступающего во впускной трубопровод.

Еще одной особенностью системы является применение впускного трубопровода переменной длины, позволяющего производить увеличение развиваемого двигателем на малых оборотах крутящего момента. Впускной трубопровод оборудован специальным клапаном, управление функционированием которого осуществляет ECM посредством электромагнита и диафрагменного узла. При оборотах двигателя менее 3600 в минуту клапан остается закрытым, - в этом случае воздух проходит по более длинному пути, обеспечивая увеличение крутящего момента двигателя. На высоких оборотах клапан по команде ECM открывается, обеспечивая подачу разрежения трубопровода на диафрагменный узел, осуществляющий управление функционированием четырех клапанам, срабатывание которых позволяет в нужной степени сократить длину пути прохождения воздуха по трубопроводу с целью увеличения тяговой характеристики двигателя на высоких оборотах.


« предыдущая страница
6.2. Система впрыска топлива бензиновых двигателей
^
к оглавлению
следующая страница »
6.2.2. Проверка исправности функционирования системы впрыска топлива

Copyright © 2026 Все права защищены. Все торговые марки являются собственностью их владельцев.