поиск в избранное карта сайта
  Opel РЕМОНТ ОБСЛУЖИВАНИЕ ЭКСПЛУАТАЦИЯ АВТОМОБИЛЕЙ
Опель Корса Б, Комбо, Тигра. Opel Corsa B / Combo / Tigra (с 1993 по 2000 год выпуска)

полные технические характеристики. диагностика. электросхемы
 
Главная
 
Opel
Corsa B / Combo / Tigra
1. Инструкция
2. Органы управления и приемы эксплуатации
3. Настройки и текущее обслуживание автомобиля
4. Двигатели
5. Системы охлаждения двигателя, отопления салона и кондиционирования воздуха
6. Системы питания, выпуска и снижения токсичности отработавших газов
7. Системы электрооборудования двигателя
8. Ручная 5-ступенчатая коробка переключения передач
9. Автоматическая 4-ступенчатая трансмиссия
10. Сцепление и приводные валы
11. Тормозная система
12. Подвеска и рулевое управление
13. Кузов
14. Бортовое электрооборудование
14.1. Общая информация и меры предосторожности
14.2. Поиск причин отказов электрооборудования
14.3. Предохранители - общая информация
14.4. Реле - общая информация и проверка исправности функционирования
14.5. Снятие и установка электромотора единого замка
14.6. Регулировка дальности света
14.7. Снятие и установка переключателя и электромотора регулировки дальности света (Модели Corsa и Combo)
14.8. Снятие и установка выключателя обогрева сиденья
14.9. Снятие и установка клаксона
14.10. Противоугонное устройство и сигнализация
14.11. Замена ламп накаливания в фарах
14.12. Замен ламп накаливания приборов наружного освещения
14.13. Замена ламп накаливания в фарах, парковочных огнях и передних указателях поворота модели Tigra
14.14. Замена ламп накаливания освещения салона, багажного отделения и вещевого ящика
14.15. Снятие и установка фары
14.16. Регулировка фар
14.17. Снятие и установка заднего комбинированного фонаря
14.18. Снятие и установка противотуманной фары
14.19. Снятие и установка комбинации приборов
14.20. Снятие и установка измерительных приборов и указателей
14.21. Снятие и установка контрольных ламп и печатной платы комбинации приборов
14.22. Замена лампы подсветки панели блока управления отоплением
14.23. Снятие и установка подрулевого переключателя
14.24. Снятие и установка выключателей задней туманной фары (противотуманной фары) и обогрева сидений
14.25. Снятие и установка переключателя наружного и внутреннего освещения
14.26. Снятие и установка выключателя аварийной сигнализации
14.27. Снятие и установка цилиндра замка зажигания и его контактного элемента
14.28. Установка радиоприемника
14.29. Снятие и установка динамиков
14.30. Установка антенны
14.31. Снятие и установка стеклоочистителя ветрового стекла
14.32. Снятие и установка электромотора переднего стеклоочистителя
14.33. Снятие и установка электромотора заднего стеклоочистителя
14.34. Снятие и установка резервуара и насоса стеклоомывателя
14.35. Проверка К/Л низкого уровня тормозной жидкости
14.36. Проверка исправности функционирования и восстановительный ремонт обогревателя заднего стекла
14.37. Схемы электрических соединений - общая информация
14.37.1. Схемы электрических соединений
 


14.37.1. Схемы электрических соединений

Освещение: наружное и внутреннее освещение

Освещение: задний туманный фонарь и стоп-сигнал

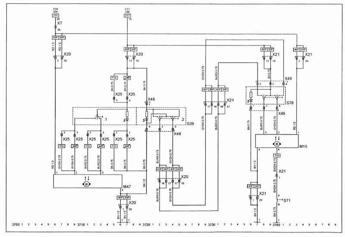
Очистители ветрового и заднего стекол, омыватель линз фар

Электрооборудование: Обогреваемое заднее стекло

Освещение: Салон

Охлаждение/отопление

Двигатель X12XE

Двигатели X14XE и X16XE

Двигатели X17D и X15D

Электрооборудование: Дисплей, прикуриватель, звуковой сигнал

Радиоустановка: Динамики и антенна

Единый замок: Блок управления и его исполнительные звенья

Электрооборудование: Стеклоподъемник

Электрооборудование: Наружное зеркало

Электрооборудование: Обогрев сидений, сдвижная панель крыши, ГУР


« предыдущая страница
14.37. Схемы электрических соединений - общая информация
^
к оглавлению
 

Copyright © 2026 Все права защищены. Все торговые марки являются собственностью их владельцев.