поиск в избранное карта сайта
  Opel РЕМОНТ ОБСЛУЖИВАНИЕ ЭКСПЛУАТАЦИЯ АВТОМОБИЛЕЙ
Опель Корса Б, Комбо, Тигра. Opel Corsa B / Combo / Tigra (с 1993 по 2000 год выпуска)

полные технические характеристики. диагностика. электросхемы
 
Главная
 
Opel
Corsa B / Combo / Tigra
1. Инструкция
2. Органы управления и приемы эксплуатации
3. Настройки и текущее обслуживание автомобиля
4. Двигатели
5. Системы охлаждения двигателя, отопления салона и кондиционирования воздуха
6. Системы питания, выпуска и снижения токсичности отработавших газов
6.1. Система питания
6.2. Система впрыска топлива бензиновых двигателей
6.2.1. Принцип функционирования систем впрыска топлива
6.2.2. Проверка исправности функционирования системы впрыска топлива
6.2.3. Проверка и замена датчика температуры двигателя
6.3. Система впрыска топлива дизельного двигателя
6.4. Системы выпуска и снижения токсичности отработавших газов
7. Системы электрооборудования двигателя
8. Ручная 5-ступенчатая коробка переключения передач
9. Автоматическая 4-ступенчатая трансмиссия
10. Сцепление и приводные валы
11. Тормозная система
12. Подвеска и рулевое управление
13. Кузов
14. Бортовое электрооборудование
 


6.2.1. Принцип функционирования систем впрыска топлива

Система центрального впрыска MulTec

Компоненты, входящие в состав системы MulTec перечислены на сопроводительной иллюстрации. По эффективности функционирования система отвечает всем требованиями международных стандартов.

Основные компоненты и функциональная схема системы впрыска MulTec (двигатель OHC 1.2 л)

1 — Инжектор
2 — Регулятор давления топлива
3 — Шаговый э/мотор системы стабилизации оборотов холостого хода
4 — Датчик температуры всасываемого воздуха (IAT)
5 — Потенциометр дроссельной заслонки (TPS)
6 — Датчик давления во впускной трубопроводе (MAP)
7 — Топливный фильтр
8 — Топливный насос
9 — Реле топливного насоса
10 — Частотный датчик пробега
11 — Контрольная лампа отказов (MIL)
12 — Модуль зажигания DIS
13 — Каталитический преобразователь
14 — Аккумуляторная батарея

15 — Замок зажигания
16 — Диагностический разъем
17 — Лямбда-зонд
18 — Адсорбер паров топлива системы EVAP
19 — Клапан EGR
20 — Контрольный клапан системы EVAP
21 — Датчик детонации (KS)
22 — Блок управления EGR
23 — Блок регулировки по детонации
24 — Датчик CKP
25 — Зубчатое колесо коленчатого вала с ротором датчика CKP
26 — Корпус дросселя
27 — Блок управления двигателем (ECM)
28 — Топливный бак

Топливный насос подает топливо из бака через топливный фильтр в корпус дросселя или к топливной распределительной магистрали.

В корпус дросселя воздушно-топливная смесь впрыскивается посредством центрального инжектора и поступает во впускной трубопровод, откуда распределяется по отдельным цилиндрам. Регулятор давления поддерживает давление во впускном трубопроводе на уровне 0.76 атм.

MulTec-М

К топливной магистрали присоединены 4 инжектора. Регулятор давления поддерживает в магистрали давление топлива, равным 3.0 атм. Инжекторы управляются электроникой и впрыскивают топливо одновременно во впускной трубопровод перед впускными клапанами.

Воздух засасывается двигателем через воздушный фильтр и патрубок дроссельной заслонки, посредством которой регулируется необходимое количество топлива. Разрежение во впускном трубопроводе регистрируется соответствующим датчиком, также как и температура всасываемого воздуха. По этим параметрам модуль управления определяет массу всасываемого воздуха. Датчик давления всасываемого воздуха находится на переборке двигательного отсека и связан через вакуумный шланг с впускным трубопроводом.

ECM в соответствии с массой всасываемого воздуха и другими параметрами, как например, температура двигателя, регулирует требуемое количество впрыскиваемого топлива.

MulTec-S

От топливной распределительной магистрали топливо поступает к инжекторам. Регулятор давления в магистрали следит за тем, чтобы давление в ней поддерживалось равным 3.0 атм. Управление инжекторами производится раздельно. Впрыск производится в соответствии с последовательностью зажигания, в необходимый момент.

На двигателе 1.6 л 109 л.с. масса всасываемого воздуха регистрируется датчиком MAF. На других двигателях масса всасываемого воздуха определяется по величине разрежения во впускном трубопроводе. Определение по массе производится точнее и быстрее. ECM в соответствии с измеренной массой воздуха и другими параметрами, такими как температура двигателя, регулирует количество впрыскиваемого топлива.

Система впрыска Bosch Motronic 1.5.5

На сопроводительных иллюстрациях представлены компоненты системы впрыска двигателей DOHC 1.0 и 1.2 л.

Компоненты системы впрыска Bosch Motronic (Двигатели DOHC 1.0 и 1.2 л)

1 — Датчик MAF
С определением обратного потока, т.е. при расчете количества впрыскиваемого топлива учитывается объем воздуха, отбрасываемого при закрывании впускных клапанов. Это обеспечивает более точную подачу топлива.
Дополнительно в корпус измерителя массы воздуха интегрирован датчик температуры всасываемого воздуха
2 — TPS
Передает ECM информацию о текущем положении дроссельной заслонки.

3 — Шаговый э/мотор дроссельной заслонки
На основе сигналов ECM шаговый э/мотор устанавливает положение дроссельной заслонки и тем самым число оборотов холостого хода
4 — Модуль зажигания
Модуль зажигания надет на свечи зажигания и закреплен к крышке головки цилиндров. Для каждой свечи зажигания имеется своя катушка зажигания, которая расположена непосредственно над встроенным разъемом свечи зажигания. ВВ провод отсутствует
5 — Лямбда-зонд
6 — Датчик CMP

Компоненты системы впрыска Bosch Motronic (Двигатели DOHC 1.0 и 1.2 л)

1 — Датчик детонации
2 — Клапан управления продувкой адсорбера системы EVAP
3 — Датчик CKP
4 — Прибор управления двигателем
Расположен непосредственно у двигателя или у впускного трубопровода. Это обеспечивает минимальную длину кабеля. Имеет 2 разъема: для двигателя и комбинации приборов

5 — Клапан системы EGR
Расположен в корпусе EGR и управляется ECM и регулирует количество возвращаемых в двигатель отработавших газов. Корпус EGR закреплен на головке цилиндров и соединяет выпускной коллектор через канал, идущий в головке цилиндров с впускным трубопроводом. В корпусе EGR расположен канал охлаждающей жидкости, идущий к отопителю.
Рядом с клапаном EGR находится датчик ECT, дающий сигнал на указатель, расположенный на комбинации приборов
6 — Датчик ECT
Передает данные о температуре ОЖ для ECM

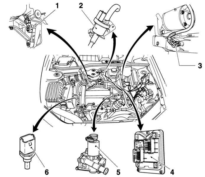
Элементы системы впрыска (все двигатели)

TPS расположен непосредственно на оси дроссельной заслонки. Он передает ECM информацию о текущем положении дроссельной заслонки.

Реле топливного насоса расположено в ножном колодце, за крышкой правой стойки A. Там же находится ECM. Реле управляет подачей питания на топливный насос и прерывает питание, как только прекращается поступление импульсов зажигания, например, если двигатель глохнет.

Датчик CKP находится сбоку в двигательном отсеке. Он передает информацию о числе оборотов коленчатого вала ECM.

Лямбда-зонд измеряет концентрацию кислорода в потоке отработавших газов и передает соответствующие сигналы ECM. На основе полученной информации ECM изменяет качество воздушно-топливной смеси, что обеспечивает оптимальное дожигание отработавших газов в каталитическом преобразователе.

Шаговый э/мотор системы стабилизации холостого хода регулирует число оборотов холостого хода, поддерживая его неизменным, независимо от использования дополнительных агрегатов, таких как ГУР или К/В. Управление электродвигателем осуществляет ICM.

Контрольный клапан системы EVAP находится на переборке двигательного отсека. При открытом клапане пары топлива из адсорбера подаются на всасывание и сжигаются в двигателе.

В адсорбере производится накопление паров топлива, которые образуются в топливном баке вследствие изменения температуры. Накопившиеся топливные испарения затем используются и не попадают в атмосферу.

Наличие регулирования детонации обеспечивает на двигателе 1.2 л и двигателях DOHC 1.4 и 1.6 л возможность работы на границе детонации и адаптацию к качеству применяемого топлива. Регулирование детонации позволяет двигателю работать с высокой степенью сжатия. Это в свою очередь обеспечивает возможность оптимального использования энергии топлива, что приводит к снижению его расхода.

Датчик MAF на двигателях 1.6 л (109 л.с.) находится на выходе воздушного фильтра. В корпусе датчика MAF находится тонкая накаливаемая пленка, которая охлаждается потоком обтекающего ее воздуха. Система управления регулирует ток обогрева таким образом, чтобы температура пленки (контролируемая по сопротивлению) оставалась постоянной. Если, например, в результате увеличения угла открывания дроссельной заслонки засасывается большее количество воздуха, пластина охлаждается. Как следствие увеличивается значение тока обогрева, чтобы температура оставалась постоянной. Значение тока при этом соответствует массе засасываемого воздуха.

Датчик CKP в системе MULTEC-S служит для определения цилиндра для последовательного впрыска. Благодаря этому датчику ECM определяет, например, когда поршень цилиндра 1 находится в ВМТ.

На двигателях DOHC 1.4 и 1.6 л с 09.1994 г. выпуска система подмешивания дополнительного воздуха корректирует состав отработавших газов при прогреве двигателя.


« предыдущая страница
6.2. Система впрыска топлива бензиновых двигателей
^
к оглавлению
следующая страница »
6.2.2. Проверка исправности функционирования системы впрыска топлива

Copyright © 2026 Все права защищены. Все торговые марки являются собственностью их владельцев.