поиск в избранное карта сайта
  Honda РЕМОНТ ОБСЛУЖИВАНИЕ ЭКСПЛУАТАЦИЯ АВТОМОБИЛЕЙ
Хонда Цивик 5Д. Honda Civic 5D (с 2006 года выпуска)

полные технические характеристики. диагностика. электросхемы
 
Главная
 
Honda
Civic 5D
1. Эксплуатация и техническое обслуживание автомобиля
2. Двигатель
2.1. Процедуры проверки
2.2. Механическая часть двигателя
2.3. Ремонт двигателя
2.3.1. Снятие цепи привода (L13A)
2.3.2. Установка цепи привода (L13A)
2.3.3. Снятие и установка шкива коленчатого вала (L13A)
2.3.4. Установка сальника картера цепи привода ГРМ (L13A)
2.3.5. Снятие цепи привода (R18A)
2.3.6. Установка цепи привода (R18A)
2.3.7. Снятие и установка шкива коленчатого вала (R18A)
2.3.8. Снятие и установка автоматического натяжителя привода ГРМ (R18A)
2.3.9. Снятие цепи привода (N22A)
2.3.10. Установка цепи привода ГРМ (N22A)
2.3.11. Снятие и установка шкива коленчатого вала (N22A)
2.3.12. Снятие и установка автоматического натяжителя привода ГРМ (N22A)
2.3.13. Установка сальника картера цепи привода (N22A)
2.3.14. Установка крышки головки блока цилиндров (L13A)
2.3.15. Снятие крышки головки блока цилиндров (R18A)
2.3.16. Снятие блока коромысел головки блока цилиндров (L13A)
2.3.17. Установка блока коромысел головки блока цилиндров (L13A)
2.3.18. Сборка/разборка вала и коромысла головки блока цилиндров (L13A)
2.3.19. Проверка рычага коромысла VTEC (R18A)
2.3.20. Установка блока коромысел головки блока цилиндров (R18A)
2.3.21. Снятие головки блока цилиндров (L13A)
2.3.22. Снятие клапана головки блока цилиндров, пружины, уплотнений клапанов (L13A)
2.3.23. Установка клапана головки блока цилиндров, пружины, уплотнений клапанов
2.3.24. Проверка клапана головки блока цилиндров (L13A)
2.3.25. Проверка зазора между стержнем клапана головки блока цилиндров и направляющей втулкой
2.3.26. Замена направляющей клапана головки блока цилиндров (L13A)
2.3.27. Снятие головки блока цилиндров (R18A)
2.3.28. Снятие клапана головки блока цилиндров, пружины, уплотнений клапанов (R18A)
2.3.29. Проверка клапана головки блока цилиндров (R18A)
2.3.30. Проверка зазора между стержнем клапана головки блока цилиндров и направляющей втулкой
2.3.31. Замена направляющей клапана головки блока цилиндров (R18A)
2.3.32. Установка клапана головки блока цилиндров, пружины, уплотнений клапанов (R18A)
2.3.33. Снятие головки блока цилиндров (N22A)
2.3.34. Снятие клапана головки блока цилиндров, пружины, уплотнений клапанов (N22A)
2.3.35. Проверка клапана головки блока цилиндров (N22A)
2.3.36. Проверка зазора между стержнем клапана головки блока цилиндров и направляющей втулкой (N22A)
2.3.37. Замена направляющей клапана головки блока цилиндров (N22A)
2.3.38. Установка клапана головки блока цилиндров, пружины, уплотнений клапанов (N22A)
2.4. Система охлаждения
2.5. Система смазки
2.6. Система впрыска, система выпуска отработавших газов
2.7. Система рециркуляции отрабоавших газов (EGR)
2.8. Система улавливания паров топлива (EVAP)
2.9. Приложение 1. Диагностика бензиновых двигателей
3. Трансмиссия
4. Ходовая часть
5. Рулевое управление
6. Тормозная система
7. Электрооборудование
8. Кузов
9. Схемы Электрооборудования
 


2.3.5. Снятие цепи привода (R18A)

1. Снимите передние колеса.
2. Снимите нижнюю крышку двигателя.
3. Снимите автоматический натяжитель приводного ремня.
4. Снимите крышку головки цилиндров.
Снятие цепи привода (R18A)
5. Установите поршень № 1 в положение верхней мертвой точки (TDC). Метка «UP» А на звездочке распределительного вала должна находиться сверху, и отметки верхней мертвой точки (TDC) В на звездочке должны совпадать с верхним краем головки блока цилиндров.
6. Снимите шланг системы положительной вентиляции картера (PCV).
7. Снимите шкив коленчатого вала.
8. Удерживайте двигатель с помощью домкрата и деревянного бруска, подложенного под масляный поддон.
9. Снимите болт А крепления трубки кондиционера, затем снимите верхнюю реактивную штангу В.
Снятие цепи привода (R18A)
10. Снимите кабель соединения с «массой» А, затем снимите боковой кронштейн крепления двигателя В.
11. Снимите масляный насос.
12. Измерьте длину тяги натяжиителя между корпусом натяжителя и нижней частью плоской поверхности тяги натяжителя. Если длина выходит за рамки рабочего диапазона, замените цепь привода ГРМ.
Снятие цепи привода (R18A)
Снятие цепи привода (R18A)
Снятие цепи привода (R18A)
Снятие цепи привода (R18A)
13. Установите на место, не затягивая, шкив коленчатого вала.
14. Поверните коленчатый вал против часовой стрелки, чтобы сжать автоматический натяжитель.
Снятие цепи привода (R18A)
15. Совместите отверстия на замке А и автоматическом натяжителе В, затем вставьте калибровочный штифт диаметром 1,0 мм С в отверстия. Поверните коленчатый вал по часовой стрелке, чтобы зажать калибровочный штифт.
Снятие цепи привода (R18A)
16. Снимите автоматический натяжитель.
17. Снимите шкив коленчатого вала.
Снятие цепи привода (R18A)
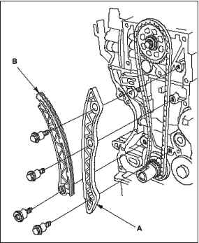
18. Снимите направляющий элемент цепи привода ГРМ А и рычаг натяжителя цепи привода ГРМ В.
Снятие цепи привода (R18A)
19. Снимите цепь привода ГРМ.

« предыдущая страница
2.3.4. Установка сальника картера цепи привода ГРМ (L13A)
^
к оглавлению
следующая страница »
2.3.6. Установка цепи привода (R18A)

Copyright © 2026 Все права защищены. Все торговые марки являются собственностью их владельцев.