поиск в избранное карта сайта
  Honda РЕМОНТ ОБСЛУЖИВАНИЕ ЭКСПЛУАТАЦИЯ АВТОМОБИЛЕЙ
Хонда Цивик 5Д. Honda Civic 5D (с 2006 года выпуска)

полные технические характеристики. диагностика. электросхемы
 
Главная
 
Honda
Civic 5D
1. Эксплуатация и техническое обслуживание автомобиля
2. Двигатель
2.1. Процедуры проверки
2.2. Механическая часть двигателя
2.3. Ремонт двигателя
2.3.1. Снятие цепи привода (L13A)
2.3.2. Установка цепи привода (L13A)
2.3.3. Снятие и установка шкива коленчатого вала (L13A)
2.3.4. Установка сальника картера цепи привода ГРМ (L13A)
2.3.5. Снятие цепи привода (R18A)
2.3.6. Установка цепи привода (R18A)
2.3.7. Снятие и установка шкива коленчатого вала (R18A)
2.3.8. Снятие и установка автоматического натяжителя привода ГРМ (R18A)
2.3.9. Снятие цепи привода (N22A)
2.3.10. Установка цепи привода ГРМ (N22A)
2.3.11. Снятие и установка шкива коленчатого вала (N22A)
2.3.12. Снятие и установка автоматического натяжителя привода ГРМ (N22A)
2.3.13. Установка сальника картера цепи привода (N22A)
2.3.14. Установка крышки головки блока цилиндров (L13A)
2.3.15. Снятие крышки головки блока цилиндров (R18A)
2.3.16. Снятие блока коромысел головки блока цилиндров (L13A)
2.3.17. Установка блока коромысел головки блока цилиндров (L13A)
2.3.18. Сборка/разборка вала и коромысла головки блока цилиндров (L13A)
2.3.19. Проверка рычага коромысла VTEC (R18A)
2.3.20. Установка блока коромысел головки блока цилиндров (R18A)
2.3.21. Снятие головки блока цилиндров (L13A)
2.3.22. Снятие клапана головки блока цилиндров, пружины, уплотнений клапанов (L13A)
2.3.23. Установка клапана головки блока цилиндров, пружины, уплотнений клапанов
2.3.24. Проверка клапана головки блока цилиндров (L13A)
2.3.25. Проверка зазора между стержнем клапана головки блока цилиндров и направляющей втулкой
2.3.26. Замена направляющей клапана головки блока цилиндров (L13A)
2.3.27. Снятие головки блока цилиндров (R18A)
2.3.28. Снятие клапана головки блока цилиндров, пружины, уплотнений клапанов (R18A)
2.3.29. Проверка клапана головки блока цилиндров (R18A)
2.3.30. Проверка зазора между стержнем клапана головки блока цилиндров и направляющей втулкой
2.3.31. Замена направляющей клапана головки блока цилиндров (R18A)
2.3.32. Установка клапана головки блока цилиндров, пружины, уплотнений клапанов (R18A)
2.3.33. Снятие головки блока цилиндров (N22A)
2.3.34. Снятие клапана головки блока цилиндров, пружины, уплотнений клапанов (N22A)
2.3.35. Проверка клапана головки блока цилиндров (N22A)
2.3.36. Проверка зазора между стержнем клапана головки блока цилиндров и направляющей втулкой (N22A)
2.3.37. Замена направляющей клапана головки блока цилиндров (N22A)
2.3.38. Установка клапана головки блока цилиндров, пружины, уплотнений клапанов (N22A)
2.4. Система охлаждения
2.5. Система смазки
2.6. Система впрыска, система выпуска отработавших газов
2.7. Система рециркуляции отрабоавших газов (EGR)
2.8. Система улавливания паров топлива (EVAP)
2.9. Приложение 1. Диагностика бензиновых двигателей
3. Трансмиссия
4. Ходовая часть
5. Рулевое управление
6. Тормозная система
7. Электрооборудование
8. Кузов
9. Схемы Электрооборудования
 


2.3.9. Снятие цепи привода (N22A)

ПРИМЕЧАНИЕ
Держите цепь привода ГРМ подальше от магнитных полей.

1. Снимите панель под щитком.
2. Снимите крышку головки цилиндров.
3. Установите поршень Nо. 1 в положение верхней мертвой точки (ВМТ). Отметка «UP» А на звездочке цепи привода ГРМ должна быть сверху. Совместите метку ВМТ В на распределительном валу впускных клапанов и на распределительном валу выпускных клапанов.
4. Снимите шкив коленчатого вала.
Снятие цепи привода (N22A)
Снятие цепи привода (N22A)
5. Снимите верхнюю часть трубки бачка омывателя ветрового стекла А, сливную трубку В и крепежный болт трубки кондиционера С, затем снимите с кронштейна расширительный бачок D.
6. Удерживайте двигатель с помощью домкрата и деревянного бруска, подложенного под масляный поддон.
7. Снимите усилитель штанги А и верхнюю реактивную штангу В.
Снятие цепи привода (N22A)
8. Снимите крепежный болт тормозного шланга А и крепежные болты усилителя боковой опоры двигателя В.
Снятие цепи привода (N22A)
Снятие цепи привода (N22A)
Снятие цепи привода (N22A)
Снятие цепи привода (N22A)
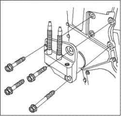
9. Снимите кабель соединения с «массой» С, затем снимите верхний кронштейн боковой опоры двигателя D.
10. Снимите кронштейн крепления двигателя.
11. Снимите картер цепи привода ГРМ.
12. Установите на место, не затягивая, шкив коленчатого вала.
13. Поверните коленчатый вал против часовой стрелки, чтобы сжать автоматический натяжитель.
14. Совместите отверстия на замке А и автоматическом натяжителе В, затем вставьте калибровочный штифт диаметром 2,5 мм (P/N 13451-RBD-003) С в отверстия. Поверните коленчатый вал по часовой стрелке, чтобы зажать калибровочный штифт.
15. Снимите автоматический натяжитель.
16. Снимите рычаг натяжителя.
Снятие цепи привода (N22A)
Снятие цепи привода (N22A)
17. Снимите цепь привода ГРМ.

« предыдущая страница
2.3.8. Снятие и установка автоматического натяжителя привода ГРМ (R18A)
^
к оглавлению
следующая страница »
2.3.10. Установка цепи привода ГРМ (N22A)

Copyright © 2026 Все права защищены. Все торговые марки являются собственностью их владельцев.