|
поиск
в избранное
карта сайта
|
| |
 |
РЕМОНТ ОБСЛУЖИВАНИЕ ЭКСПЛУАТАЦИЯ АВТОМОБИЛЕЙ Хонда Цивик, Акура Интегра. Honda Civic / Acura Integra (с 1994 года выпуска)
полные технические характеристики. диагностика. электросхемы
|
|
|
|
|
|
 |
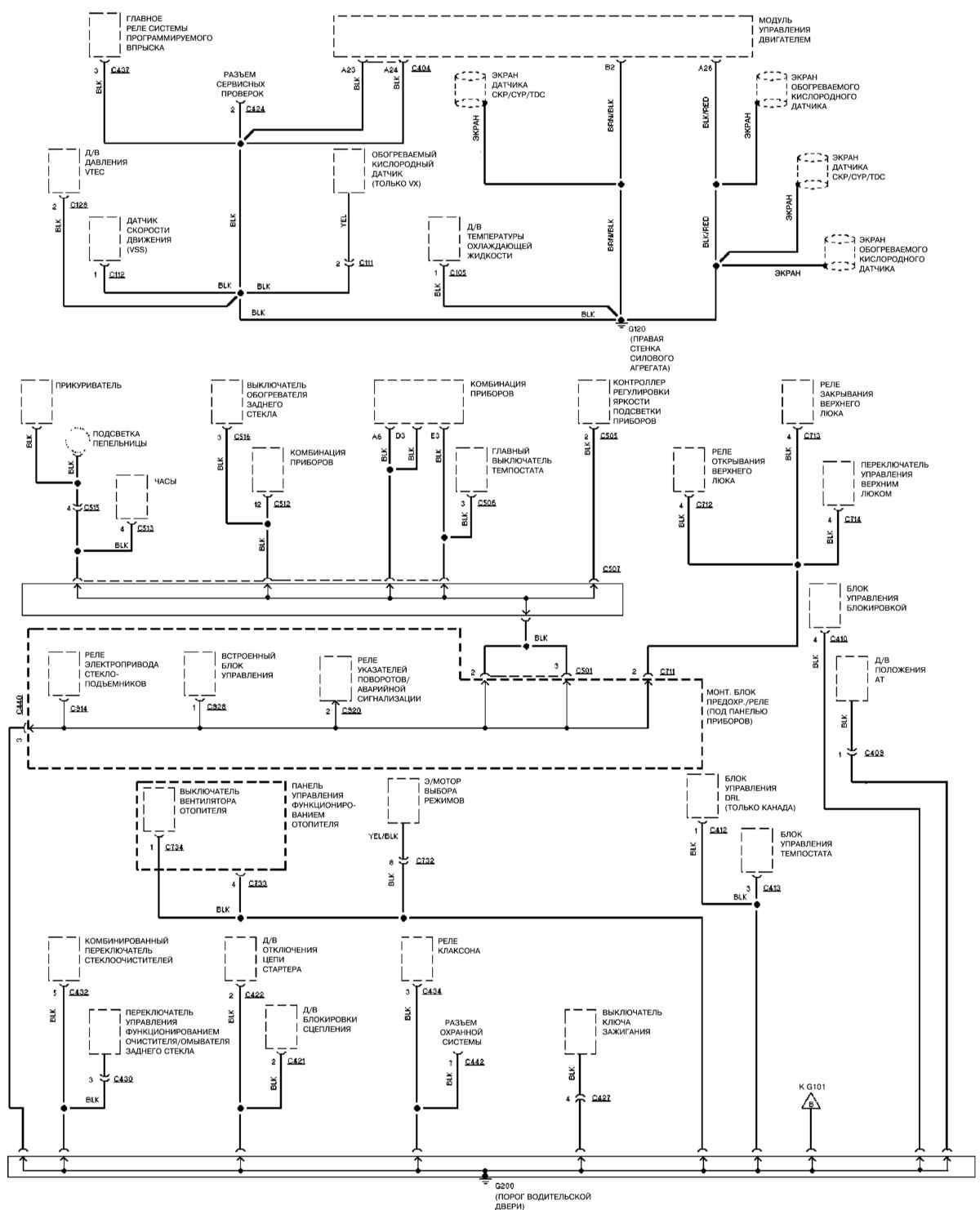
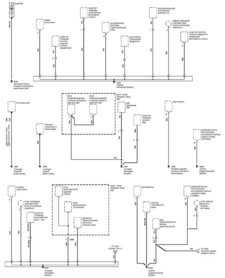
14.27.2. Соединения массы
1994, 1995 (1)
1994 (2)
1995 (2)
1994, 1995 (3)
1994, 1995 (4)
1996 – 1998 (1)
1996 – 1998 (2)
1996 – 1998 (3)
|
|
|
Copyright © 2026 Все права защищены. Все торговые марки являются собственностью их владельцев. |