|
поиск
в избранное
карта сайта
|
| |
 |
РЕМОНТ ОБСЛУЖИВАНИЕ ЭКСПЛУАТАЦИЯ АВТОМОБИЛЕЙ Хонда Цивик, Акура Интегра. Honda Civic / Acura Integra (с 1994 года выпуска)
полные технические характеристики. диагностика. электросхемы
|
|
|
|
|
|
 |
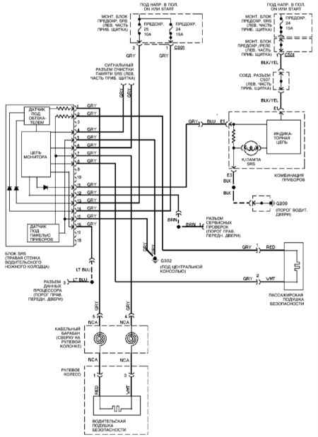
14.27.21. Системы дополнительной безопасности (SRS)
1994
1995
1996 – 1998
|
|
|
Copyright © 2026 Все права защищены. Все торговые марки являются собственностью их владельцев. |