поиск в избранное карта сайта
  KIA РЕМОНТ ОБСЛУЖИВАНИЕ ЭКСПЛУАТАЦИЯ АВТОМОБИЛЕЙ
Киа Рио. KIA Rio (с 2000 года выпуска)

полные технические характеристики. диагностика. электросхемы
 
Главная
 
KIA
Rio
1. Инструкция по эксплуатации
2. Двигатели А3Е, А5D
3. Система смазки
4. Система охлаждения
5. Топливная система
6. Система зажигания
7. Сцепление
8. Коробка передач
9. Оси и приводные валы
10. Подвеска
11. Колеса и шины
12. Рулевое управление
13. Тормозная система
14. Кузов
15. Система кондиционирования воздуха
16. Электрическое оборудование
16.1. Технические данные
16.2. Электрические цепи
16.3. Генератор
16.4. Аккумуляторная батарея
16.5. Стартер
16.6. Проверка при проворачивании коленчатого вала не прогретого двигателя
16.7. Проверка электрической цепи тягового реле
16.8. Проверка тягового реле
16.9. Проверка щеток и щеткодержателя
16.10. Проверка катушек статора
16.11. Проверка ротора
16.12. Снятие и установка стартера
16.13. Ремонт стартера
16.14. Многофункциональный переключатель
16.15. Звуковой сигнал
16.16. Блок предохранителей и реле, установленный в салоне автомобиля
16.17. Проверка реле активатора замка двери
16.18. Проверка переключателя регулировки положения наружного зеркала заднего вида
16.19. Проверка активатора положения наружного зеркала заднего вида
16.20. Проверка двигателя стеклоподъемника
16.21. Проверка обогревателя заднего стекла
16.22. Ремонт токопроводящей полоски обогревателя
16.23. Двигатель стеклоочистителя ветрового стекла
16.24. Стеклоомыватели
16.25. Регулировка света фар
16.26. Регулировка света противотуманных фар
16.27. Подушки безопасности (SRS)
16.28. Предупредительные ярлыки
16.29. Подушка безопасности водителя и спиральный провод
16.30. Проверка подушки безопасности
16.31. Проверка спирального провода (пружины)
16.32. Подушка безопасности переднего пассажира
16.33. Электрические схемы
16.33.1. Система запуска и зарядки
16.33.2. Блок управления двигателем
16.33.3. Система охлаждения
16.33.4. Комбинация приборов и контрольные лампы
16.33.5. Стеклоочистители и стеклоомыватели
16.33.6. Переднее освещение (с подушкой безопасности)
16.33.7. Заднее освещение
16.33.8. Фары (DRL)
16.33.9. Передние противотуманные фары
16.33.10. Задние противотуманные фонари, корректор света фар (HLLD)
16.33.11. Звуковой сигнал и блок аварийной световой сигнализации
16.33.12. Лампы заднего хода и стоп-сигнала
16.33.13. Система кондиционирования воздуха
16.33.14. Система индикации включенной передачи (ECAT)
16.33.15. Блок электронного управления ETWIS
16.33.16. Приемник, реле сигнализации и звуковой сигнал
16.33.17. Лампы подсветки
16.33.18. Радиоприемник
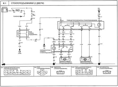
16.33.19. Стеклоподъемники (2 двери)
16.33.20. Стеклоподъемники (4 двери)
16.33.21. Центральный замок
16.33.22. Наружное зеркало заднего вида с электрическим приводом
16.33.23. Внутреннее освещение, люк
16.33.24. Антиблокировочная система тормозов (ABS)
16.33.25. Обогреватель сиденья
16.33.26. Подушки безопасности (без боковых подушек)
16.33.27. Подушки безопасности (с боковыми подушками)
16.33.28. Обогреватель заднего стекла и освещение багажного отделения
16.33.29. Штепсельная розетка, прикуриватель и иммобилайзер
16.33.30. Diagnosis connector, OBD-II check connector
 


16.33.19. Стеклоподъемники (2 двери)


« предыдущая страница
16.33.18. Радиоприемник
^
к оглавлению
следующая страница »
16.33.20. Стеклоподъемники (4 двери)

Copyright © 2026 Все права защищены. Все торговые марки являются собственностью их владельцев.