поиск в избранное карта сайта
  KIA РЕМОНТ ОБСЛУЖИВАНИЕ ЭКСПЛУАТАЦИЯ АВТОМОБИЛЕЙ
Киа Спортейдж. KIA Sportage (с 1999 года выпуска)

полные технические характеристики. диагностика. электросхемы
 
Главная
 
KIA
Sportage
1. Введение
2. Органы управления и приемы эксплуатации
3. Текущий уход и обслуживание
4. Двигатель
5. Системы охлаждения, отопления, вентиляции и кондиционирования воздуха
6. Системы питания, управления двигателем / снижения токсичности отработавших газов и выпуска отработавших газов
7. Системы электрооборудования двигателя
8. Пятиступенчатая ручная коробка переключения передач
9. Автоматическая трансмиссия
10. Трансмиссионная линия
11. Тормозная система
12. Подвеска и рулевое управление
13. Кузов
14. Бортовое электрооборудование
15. Контрольные кузовные размеры
16. Схемы электрических соединений
16.1. Распределение питания
16.2. Распределение заземления
16.3. Система управления двигателем
16.4. Система запуска
16.5. Система заряда
16.6. Бортовой компьютер
16.7. Линии данных компьютера
16.8. Комбинация приборов
16.9. Автоматическая трансмиссия (АТ)
16.10. Блокировка переключения АТ
16.11. Система антиблокировки тормозов (ABS)
16.12. Темпостат
16.13. Вентилятор конденсатора К/В
16.14. Система отопления
16.15. Система кондиционирования воздуха (К/В)
16.16. Наружное освещение (Универсал)
16.17. Наружное освещение (Кабриолет)
16.18. Фары
16.19. Огни заднего хода
16.20. Подсветка приборов
16.21. Клаксон
16.22. Освещение салона при открывании дверей
16.23. Очистители / омыватели ветрового стекла
16.24. Очиститель / омыватель заднего стекла
16.25. Электропривод дверных зеркал
16.26. Обогрев заднего стекла
16.27. Система дополнительной безопасности (SRS)
16.28. Система предупреждения
16.29. Электропривод стеклоподъемников (Универсал)
16.30. Электропривод стеклоподъемников (Кабриолет)
16.31. Радио
16.32. Единый замок
16.33. Противоугонная система
 


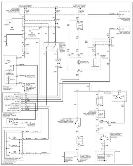
16.12. Темпостат


« предыдущая страница
16.11. Система антиблокировки тормозов (ABS)
^
к оглавлению
следующая страница »
16.13. Вентилятор конденсатора К/В

Copyright © 2026 Все права защищены. Все торговые марки являются собственностью их владельцев.