поиск в избранное карта сайта
  Lexus РЕМОНТ ОБСЛУЖИВАНИЕ ЭКСПЛУАТАЦИЯ АВТОМОБИЛЕЙ
Лексус РИкс300. Lexus RX300 (с 1998 по 2003 год выпуска)

полные технические характеристики. диагностика. электросхемы
 
Главная
 
Lexus
RX300
1. Введение
2. Органы управления и приёмы эксплуатации
3. Настройки и текущее обслуживание автомобиля
4. Двигатель
5. Системы охлаждения двигателя, отопления, вентиляции и кондиционирования воздуха
6. Системы питания и выпуска отработавших газов
7. Системы электрооборудования двигателя
8. Автоматическая трансмиссия и межосевой дифференциал
9. Трансмиссионная линия
10. Тормозная система
11. Подвеска и рулевое управление
12. Кузов
13. Бортовое электрооборудование
14. Принципиальные схемы электрических соединений
14.1. Система управления двигателем
14.2. Автоматическая трансмиссия
14.3. Блокировка переключения режимов АТ
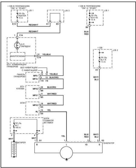
14.4. Система заряда
14.5. Система запуска
14.6. Распределение мощности
14.7. Распределение массы
14.8. Система ABS
14.9. Темпостат
14.10. Вентиляторы системы охлаждения двигателя
14.11. Системы отопления и К/В
14.12. Обогрев стёкол и зеркал
14.13. Очиститель и омыватель ветрового стекла
14.14. Очиститель и омыватель стекла двери задка
14.15. Клаксон
14.16. Противоугонная система
14.17. Натяжители ремней безопасности
14.18. Электропривод крышки верхнего люка
14.19. Система SRS
14.20. Система безопасности
14.21. Память положения сиденья
14.22. Подогрев сидений
14.23. Электропривод сидений
14.24. Стеклоподъёмники
14.25. Электропривод замков дверей
14.26. Электропривод наружных зеркал
14.27. Внутреннее зеркало с автоматическим затенением
14.28. Фары
14.29. Регулировка наклона фар
14.30. Фонари заднего хода
14.31. Электропривод антенны
14.32. Наружное освещение
14.33. Внутреннее освещение
14.34. Подсветка приборов
14.35. Комбинация приборов
14.36. ECU кузова
14.37. Линии диагностики
14.38. Система навигации
14.39. Аудиосистема (с системой навигации)
14.40. Аудиосистема (без системы навигации)
 


14.4. Система заряда


« предыдущая страница
14.3. Блокировка переключения режимов АТ
^
к оглавлению
следующая страница »
14.5. Система запуска

Copyright © 2026 Все права защищены. Все торговые марки являются собственностью их владельцев.