поиск в избранное карта сайта
  Opel РЕМОНТ ОБСЛУЖИВАНИЕ ЭКСПЛУАТАЦИЯ АВТОМОБИЛЕЙ
Опель Корса Ц. Opel Corsa C (с 2000 по 2005 год выпуска)

полные технические характеристики. диагностика. электросхемы
 
Главная
 
Opel
Corsa C
1. Эксплуатация и техническое обслуживание автомобиля
2. Двигатель
3. Трансмиссия
4. Ходовая часть
5. Рулевой механизм
6. Тормозная система
7. Бортовое электрооборудование
8. Кузов
9. Схемы электрооборудования
9.1. Перечень компонентов и их обозначений
9.2. Схема № 1: двигатель Z10XEP, Motronic 7.6.1 (часть 1)
9.3. Схема № 2: двигатель Z10XEP, Motronic 7.6.1 (часть 2)
9.4. Схема № 3: двигатель Z12XEP, Motronic 7.6.1 (часть 1)
9.5. Схема № 4: двигатель Z12XEP, Motronic 7.6.1 (часть 2)
9.6. Схема № 5: двигатель Z14XEP, Motronic 7.6.1 (часть 1)
9.7. Схема № 6: двигатель Z14XEP, Motronic 7.6.1 (часть 2)
9.8. Схема № 7: топливный насос, Motronic 7.6.1
9.9. Схема № 8: двигатель Z14XE, Multec S (F) (часть 1)
9.10. Схема № 9: двигатель Z14XE, Multec S (F) (часть 2)
9.11. Схема № 10: топливный насос, Multec S (F)
9.12. Схема № 11: двигатель Z18XE, Simtec 71 (часть 1)
9.13. Схема № 12: двигатель Z18XE, Simtec 71 (часть 2)
9.14. Схема № 13: топливный насос, Simtec 71
9.15. Схема № 14: cистема охлаждение двигателя (Z10XEP без кондиционера и ECO)
9.16. Схема № 15: система охлаждения двигателя (Z10XEP / Z12XEP / Z14XEP с кондиционером)
9.17. Схема № 16: система охлаждения двигателя (Z14 XE / Z18XE с кондиционером)
9.18. Схема № 17: система запуска и зарядки
9.19. Схема № 18: распределение напряжения
9.20. Схема № 19: модуль управления кузовным оборудования – электропитание (диагностический разъем)
9.21. Схема № 20: механическая коробка передач с автоматическим сцеплением (Easytronic)
9.22. Схема № 21: рулевое управление с электроусилителем, система противоугонной сигнализации
9.23. Схема № 22: антиблокировочная тормозная система и регулирование тягового усилия (ABS 8)
9.24. Схема № 23: cтеклоподъемники и наружное зеркало заднего вида
9.25. Схема № 24: центральное управление дверными замками (хэтчбэк)
9.26. Схема № 25: выключатель стоп-сигнала, задняя светотехника (хэтчбэк), переключатель сцепления
9.27. Схема № 26: кондиционер
9.28. Схема № 27: фары головного света (кроме ксеноновых фар)
9.29. Схема № 28: фыры головного света (ксеноновые фары)
 


9.29. Схема № 28: фыры головного света (ксеноновые фары)

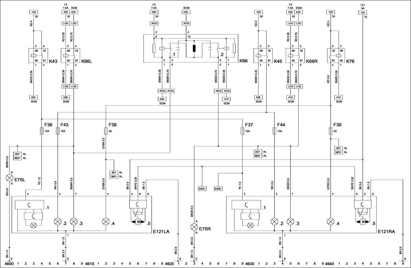
Схема № 28
Компоненты
E75L – указатель поворота – боковой, левый.
F36 – предохранитель.
E75R – указатель поворота – боковой, правый.
F37 – предохранитель.
E121LA – фара – левая.
F38 – предохранитель.
E121LA. 1 – ближний свет – слева.
F39 – предохранитель.
E121LA. 2 – дальний свет – слева.
F43 – предохранитель.
E121LA. 3 – указатель поворота – передний, левый.
F44 – предохранитель.
E121LA. 4 – габаритный огонь – левый.
K43 – реле – ближний свет.
E121LA. 5 – регулирование положения фар – слева.
K45 – реле – дальний свет.
E121RA – фара – правая.
K66 – реле – лампа указателя поворота.
E121RA. 1 – ближний свет – правый.
K66.1 – реле – указатель поворота, левый.
E121RA. 2 – дальний свет – справа.
K66.2 – реле – указатель поворота, правый.
E121RA. 3 – указатель поворота – передний, правый.
K66L – реле – указатель поворота, левый.
E121RA. 4 – габаритный огонь – правый.
K66R – реле – указатель поворота, правый.
E121RA. 5 – устройство регулирования положения фар – справа.
K76 – реле – стояночные огни.
Точки соединения с массой
8 – шасси.
9 – моторный отсек – справа.
Сокращения
5A – 5 ампер.
F3 – предохранитель F3.
7.5A – 7.5 ампер.
F21 – предохранитель F21.
15 – 12 вольт при включенном зажигании.
LHD – левостороннее управление.
30 – 12 вольт.
RHD – правостороннее управление.
BCM – модуль управления кузовным оборудованием.
RL – задние фонари.

« предыдущая страница
9.28. Схема № 27: фары головного света (кроме ксеноновых фар)
^
к оглавлению
 

Copyright © 2026 Все права защищены. Все торговые марки являются собственностью их владельцев.