поиск в избранное карта сайта
  Subaru РЕМОНТ ОБСЛУЖИВАНИЕ ЭКСПЛУАТАЦИЯ АВТОМОБИЛЕЙ
Субару Форестер. Subaru Forester (с 1997 года выпуска)

полные технические характеристики. диагностика. электросхемы
 
Главная
 
Subaru
Forester
1. Введение
2. Инструкция по эксплуатации
3. Текущее обслуживание
4. Двигатель
5. Системы охлаждения, отопления
6. Системы питания и выпуска
7. Электрооборудование двигателя
8. Системы управления двигателем
9. Коробка переключения передач
9.1. 5-ступенчатая ручная коробка переключения передач (РКПП)
9.1.1. Общая информация
9.1.2. Снятие и установка коробки переключения передач
9.1.3. Подготовка к выполнению ремонтных работ по восстановлению РКПП
9.1.4. Разборка и сборка раздаточной коробки, обслуживание компонентов
9.1.5. Капитальный ремонт РКПП полноприводных моделей
9.1.6. Обслуживание привода переключения передач
9.1.7. Обслуживание рычага переключения раздаточной коробки
9.2. 4-ступенчатая автоматическая трансмиссия (АТ)
10. Сцепление, трансмиссионная линия
11. Тормозная система
12. Подвеска и рулевое управление
13. Кузов
14. Бортовое электрооборудование
 


9.1.4. Разборка и сборка раздаточной коробки, обслуживание компонентов

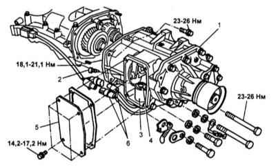
Снятие, обслуживание и установка раздаточной коробки и удлинения РКПП (модели с постоянным приводом на все колеса)

Снятие

Конструкция раздаточной коробки и удлинения РКПП (модели с постоянным полным приводом)

1  —   Крышка картера раздаточной коробки
2  —   Уплотнительная прокладка
3  —   Сальник
4  —   Уплотнительная прокладка
5  —   Датчик-выключатель выбора нейтральной передачи
6  —   Датчик-выключатель огней заднего хода
7  —   Картер раздаточной коробки
8  —   Уплотнительная прокладка
9  —   Смазочный узел

Детали предохранительного механизма включения задней передачи (10 ÷ 22)

10  —   Шарик
11  —   Пружина
12  —   Уплотнительная прокладка
13  —   Заглушка
14  —   Внутреннее стопорное кольцо
15  —   Упорная пластина (подбирается при регулировке)
16  —   Возвратная пружина кулачка
17  —   Возвратная пружина валика
18  —   Кулачок

19  —   Вали кулачка (подбирается при регулировке)
20  —   Уплотнительное кольцо
21  —   Регулировочная прокладка (подбирается при регулировке)
22  —   Гильза
23  —   Регулировочная прокладка (подбирается при регулировке)
24  —   Шариковый подшипник
25  —   Ведомая шестерня промежуточной передачи привода задних колес
26  —   Шариковый подшипник
27  —   Сальник
28  —   Кронштейн механизма переключения передач
29  —   Крышка удлинения РКПП
30  —   Уплотнительная прокладка
31  —   Смазочный узел
32  —   Стопорное кольцо с внутренним диаметром 30 мм (подбирается при регулировке)
33  —   Уплотнительная прокладка
34  —   Шариковый подшипник
35  —   Стопорное кольцо с наружным диаметром 72 мм (подбирается при регулировке)
36  —   Ведущая шестерня промежуточной передачи
37  —   Картер удлинения


 ПОРЯДОК ВЫПОЛНЕНИЯ

1. Отсоедините всю подведенную к РКПП электропроводку.
2. Снимите крышку картера раздаточной коробки.
3. Выверните винт крепления рычага переключения к штоку переключения передач.
4. Снимите раздаточную коробку с удлинением.

Разборка раздаточной коробки

Извлечение внутренних компонентов раздаточной коробки

1  —   Картер раздаточной коробки
2  —   Межосевой дифференциал и вал ведомой шестерни промежуточной передачи привода задних колес
3  —   Регулировочная шайба
4  —   Регулировочная шайба
5  —   Сборка удлинения РКПП

 


 ПОРЯДОК ВЫПОЛНЕНИЯ

1. Отделите сборку удлинения РКПП от картера коробки.
2. Извлеките ведомый вал в сборе с шестерней промежуточной передачи привода задних колес и межосевым дифференциалом.
3. Снимите регулировочную шайбу ведомого вала промежуточной передачи привода задних колес.
4. Снимите регулировочную шайбу межосевого дифференциала.

Детали установки рычага переключения и компонентов предохранительного механизма включения задней передачи

1  —   Раздаточная коробка
2  —   Винт крепления рычага переключения к штоку
3  —   Гильза предохранительного механизма
4  —   Валик кулачка
5  —   Крышка картера раздаточной коробки

 


Схема расположения на картере раздаточной коробки датчиков-выключателей, предохранительного механизма включения задней передачи и поводка рычага переключения

1  —   Датчик-выключатель выбора нейтральной передачи
2  —   Поводок рычага
3  —   Заглушка
4  —   Предохранительный механизм
5  —   Датчик-выключатель огней заднего хода
6  —   Смазочный узел

 


 ПОРЯДОК ВЫПОЛНЕНИЯ

1. Высвободите рычаг переключения и снимите его поводок.

Перед снятием рычага отсоедините датчик-выключатель включения нейтральной передачи.

2. Выверните заглушку и извлеките пружину и шарик предохранительного механизма включения задней передачи.

Конструкция предохранительного меха включения задней передачи

1  —   Уплотнительное кольцо
2  —   Гильза
3  —   Валик кулачка (подбирается при регулировке)
4  —   Возвратная пружина валика
5  —   Кулачок
6  —   Пружина кулачка
7  —   Упорная пластина (подбирается при регулировке)
8  —   Стопорное кольцо

 


 ПОРЯДОК ВЫПОЛНЕНИЯ

1. Снимите предохранительный механизм. Поддев отверткой, извлеките установленное с торцевой стороны гильзы стопорное кольцо. Разберите предохранительный механизм.

Деформированное или ослабленное стопорное кольцо подлежит замене!

2. Выверните датчик-выключатель огней заднего хода.
3. Снимите смазочный узел.

Разборка удлинения РКПП

 ПОРЯДОК ВЫПОЛНЕНИЯ

1. Снимите крышку удлинителя и кронштейн механизма переключения передач.
2. Снимите смазочный узел.
3. Снимите стопорное кольцо.
4. Высвободите вал с ведущей шестерней промежуточной передачи из внутренней обоймы шарикового подшипника.
5. Снимите стопорное кольцо из корпуса удлинителя , затем извлеките подшипник.
6. Извлеките из корпуса удлинения сальник.

Подшипник следует извлекать из картера удлинения только в том случае, если он нуждается в замене.

Снятые подшипник и сальник подлежат замене в обязательном порядке!


Сборка удлинения РКПП

 ПОРЯДОК ВЫПОЛНЕНИЯ

1. Установите шариковый подшипник в картер удлинения и подберите стопорное кольцо таким образом, чтобы зазор между ним и наружной обоймой подшипника составлял 0 ÷ 0.15 мм. Выпускаются стопорные кольца толщиной 1.78, 1.90 и 2.02 мм (Ø 72 мм).
2. Запрессуйте вал ведущей шестерни промежуточной передачи в подшипник.
3. Посадите на вал стопорное кольцо. Измерьте величину зазора между кольцом и внутренней обоймой подшипника. Номинальное значение составляет 0 ÷ 0.15 мм. Выпускаются стопорные кольца толщиной 1.53, 1.65 и 1.77 мм 30 мм).
4. Установите смазочный узел, - проследите за правильностью расположения узла в корпусе удлинения.
5. Установите крышку удлинения и кронштейн механизма переключения передач.
6. Посадите в корпус удлинения новый сальник.

Сборка раздаточной коробки

Схема расположения компонентов предохранительного механизма при сборке

1  —   Кулачок
2  —   Пружина кулачка
3  —   Стопорное кольцо
4  —   Упорная пластина

 


 ПОРЯДОК ВЫПОЛНЕНИЯ

1. Сборка производится в порядке обратном порядку демонтажа компонентов. Особое внимание следует уделить перечисленным ниже моментам.
2. При сборке предохранительного механизма включения передачи заднего хода проследите, чтобы отогнутый конец пружины попал в ответную прорезь в кулачке. Установите валик кулачка, кулачок, возвратную пружину и пружину кулачка в гильзу предохранительного механизма. Закрепите отогнутый конец пружины кулачка за упорную пластину. Разверните кулачок таким образом, чтобы его вырез показался в прорези пластины и, удерживая кулачок в этом положении, заправьте упорную пластину в гильзу, затем зафиксируйте компоненты при помощи стопорного кольца. Посадите в наружную канавку на поверхности гильзы новое уплотнительное кольцо (34.5х1.5).
3. Удостоверьтесь в правильности сборки предохранительного механизма. Проверьте, чтобы вырез валика кулачка оставался совмещен с прорезью в гильзе. Вручную проверьте плавность хода кулачка при его поворачивании, - если при отпускании кулачок не возвращается в исходное положение, замените его пружину. Сдвиньте сборку кулачка с валиком в сторону упорной пластины, затем отпустите, - если при отпускании кулачок не возвращается в исходное положение, замените его пружину. Если не возвращается валик, проверьте состояние внутренней поверхности гильзы, - при отсутствии дефектов замените возвратную пружину. Подберите подходящие по размерам валик кулачка и упорную пластину.
4. Устанавливайте рычаг переключения передач в раздаточную коробку с передней стороны, заправляя поводок рычага в прорезь предохранительного механизма включения передачи заднего хода. Вставив ось рычага в отверстие поводка, продолжайте задвигать ее до тех пор, пока конец оси не покажется из задней стенки раздаточной коробки.
5. Смажьте трансмиссионным маслом компоненты механизма переключения передач.
6. Удостоверьтесь в правильности установки и исправности состояния всех сальников.


Соединение раздаточной коробки с удлинением РКПП


Сборка удлинения с раздаточной коробкой

1 —   Межосевой дифференциал и вал ведущей шестерни промежуточной передачи
2  —   Регулировочная шайба (подбирается при регулировке)
3  —   Регулировочная шайба (подбирается при регулировке)
4  —   Картер раздаточной коробки
5  —   удлинение раздаточной коробки

 


Измерение величины выступания дифференциала над плоскостью картера раздаточной коробки

1  —   Межосевой дифференциал
2  —   Картер

 


Измерение глубины посадки ведущей шестерни промежуточной передачи в корпусе удлинения

1  —   Вал ведущей шестерни промежуточной передачи
2  —   Удлинение

 


 ПОРЯДОК ВЫПОЛНЕНИЯ

1. Установите межосевой дифференциал и ведущую шестерню промежуточной передачи с валом в картер раздаточной коробки/
2. Измерьте величину А выступания дифференциала над плоскостью картера.
3. Измерьте глубину В посадки вала ведущей шестерни промежуточной шестерни в удлинении раздаточной коробки.
4. Вычислите величину зазора С по формуле: С = В - А 0.24 (мм), где 0.24 мм - толщина прокладки.

Исходя из результата произведенного вычисления, подберите требуемую регулировочную шайбу:

  Зазор С, мм

Регулировочная шайба межосевого дифференциала

№ детали

Толщина, мм

1.60 ÷ 1.74 38965АА090 1.25
1.90 ÷ 2.04 38965АА090 1.40
1.90 ÷ 2.04 38965АА100 1.55
2.05 ÷ 2.19 38965АА110 1.70
2.20 ÷ 2.40 38965АА120 1.85

Величина зазора между регулировочной шайбой дифференциала и упорным подшипником составляет 0.35 ÷ 0.55 мм.

Установка регулировочной шайбы на межосевой дифференциал

1  —   Регулировочная шайба
2  —   Корпус дифференциала

 


Высота посадки подшипника вала ведомой шестерни промежуточной передачи над сопрягаемой поверхностью картера раздаточной коробки

1  —   Вал ведомой шестерни
2  —   Подшипник
3  —   Картер раздаточной коробки

 


Подбор регулировочной шайбы подшипника ведомого вала промежуточной передачи привода задних колес

1  —   Удлинение раздаточной коробки

 


 ПОРЯДОК ВЫПОЛНЕНИЯ

1. Установите шайбу на межосевой дифференциал.
2. Теперь подберите регулировочную шайбу подшипника ведомого вала промежуточной передачи привода задних колес: измерьте высоту W посадки подшипника вала промежуточной шестерни над сопрягаемой поверхностью картера раздаточной коробки.
3. Измерьте величину Х.
4. Подсчитайте величину зазора Y по формуле: Y = Х - W 0.24 (мм), где 0.24 мм - толщина прокладки.

Исходя из результата произведенного вычисления подберите регулировочную шайбу:

  Зазор Y, мм

Регулировочная шайба межосевого дифференциала

№ детали

Толщина, мм

1.60 ÷ 1.74 803052021 0.50
1.75÷ 1.89 803052022 0.75
1.90 ÷ 2.04 803052023 1.00

Величина зазора между регулировочной шайбой и подшипником составляет 0.05 ÷ 0.30 мм.

 ПОРЯДОК ВЫПОЛНЕНИЯ

1. Установите шайбу на вал.
2. Установите сборку удлинения на картер раздаточной коробки.

Установка и регулировка

 ПОРЯДОК ВЫПОЛНЕНИЯ

1. Установите сборку раздаточной коробки с удлинением на коробку передач.
2. Наденьте поводок рычага переключения на рычаг и закрепите его фиксирующим винтом.

Проследите, чтобы поводок попал в прорезь предохранительного механизма включения задней передачи!

3. Включите 3-ю передачу. Рычаг переключения должен достаточно свободно перемещаться в сторону включения 1/2 передач, однако, благодаря усилию, развиваемому возвратной пружиной, оказывать заметное сопротивление при попытке включения задней передачи (до упора в ограничитель).
4. Отрегулируйте усилие сопротивления рычага включению задней передачи таким образом, чтобы лишь ненамного превосходило сопротивление при включении 1/2 передач. Регулировка производится путем подборки регулировочной прокладки, устанавливаемой между картером раздаточной коробки и гильзой предохранительного механизма, - выверните болты крепления предохранительного механизма.

Постарайтесь при подборе прокладки не повредить уплотнительное кольцо! Выпускаются прокладки двух типоразмеров: № 32190АА000, толщиной 0.15 мм и № 32190АА010, толщиной 0.30 мм.

При удалении прокладки нейтральное положение переключателя приближается к точке включения заднего хода, при добавлении - к точке включения 1/2 передач.

Если добиться требуемого результата путем подбора прокладки не удается, замените валик кулачка в предохранительном механизме. На торце валика имеется идентификационная маркировка, посредством которой легко определить его размерные характеристики:


Валик кулачка

№ детали
32188АА020
Метка
А
Примечание
Нейтральное положение переключателя приближается точке включения 1-й передачи
№ детали
32188АА002
Метка
В/отсутствует
№ детали
32188АА030
Метка
С
Примечание
Нейтральное положение переключателя приближается к точке включения задней передачи

 ПОРЯДОК ВЫПОЛНЕНИЯ

1. Удостоверьтесь в исправности включения 5-й и задней передач.
2. Проверьте, возвращается ли рычаг в нейтральное положение при выключении передачи заднего хода, - если нет, подберите соответствующую по размерам упорную пластину предохранительного механизма (обратитесь к таблице):


Упорная пластина

№ деталои

Маркировка

Угол

Примечания

32189AA020
0
34°
Переключатель смещается ближе к положению включения 5-й передачи
32189AA020
1
34°
Переключатель смещается ближе к положению включения 5-й передачи
32189AA020
2
34°
Стандарт
32189AA030
3
37°
Переключатель смещается ближе к положению включения задней передачи
32189AA040
4
40°
Переключатель смещается ближе к положению включения задней передачи

Снятие, обслуживание и установка раздаточной коробки и удлинения РКПП (модели с отключаемым приводом на все колеса)

Снятие

Конструкция раздаточной коробки и удлинения РКПП (модели с отключаемым приводом задних колес)

1  —   Крышка картера раздаточной коробки
2  —   Уплотнительная прокладка
3  —   Пружинный штифт
4  —   Вилка включения муфты привода задних колес
5  —   Смазочный узел
6  —   Шарик
7  —   Пружина
8  —   Валик включения муфты привода задних колес
9  —   Наружный исполнительный рычаг включения привода
10  —   Палец
11  —   Пружинный штифт
12  —   Фиксатор
13  —   Сальник
14  —   Уплотнительная прокладка
15  —   Картер раздаточной коробки
16  —   Датчик-выключатель огней заднего хода
17  —   Датчик-выключатель выбора нейтральной передачи
18  —   Сальник
19  —   Обойма игольчатого подшипника
20  —   Шток вилки включения привода задних колес

21  —   Сальник
22  —   Вал удлинения
23  —   Уплотнительная прокладка
24  —   Удлинение
25  —   Уплотнительная прокладка
26  —   Датчик-выключатель полного привода
27  —   Сальник
28  —   Пыльник
29  —   Гайка
30  —   Стопорная шайба
31  —   Шариковый подшипник
32  —   Упорная шайба
33  —   Втулка
34  —   Ведомая шестерня промежуточной передачи
35  —   Ступица муфты
36  —   Муфта включения заднего привода
37  —   Дистанционная шайба
38  —   Стопорное кольцо
39  —   Подшипник


Детали подсоединения привода включения

1  —   Валик включения муфты привода задних колес
2  —   Пружинный штифт (5.2 х 8)
3  —   Наконечник троса
4  —   Палец
5  —   Фиксатор
6  —   Наружный исполнительный рычаг

 


 ПОРЯДОК ВЫПОЛНЕНИЯ

1. Конструкция сборки раздаточной коробки и удлинения РКПП представлена на сопроводительной иллюстрации.
2. Отсоедините всю подведенную к РКПП электропроводку.
3. Выпрессуйте пружинный штифт (2), соединяющий наружный исполнительный рычаг (9) с валиком муфты привода задних колес и снимите рычаг.
4. Снимите фиксатор (5) и извлеките палец (4). Отсоедините от рычага приводной трос.
5. Выверните три болта М8 крепления привода включения и два болта М8 крепления троса. Снимите сборку привода с тросом.


Детали установки вилки включения привода задних колес

1  —   Шарик
2  —   Пружина
3  —   Вилка
4  —   Шток вилки

 


Детали крепления поводка рычага переключения

1  —   Ось переключателя
2  —   Винт-фиксатор
3  —   Поводок рычага

 


 ПОРЯДОК ВЫПОЛНЕНИЯ

1. При помощи бородка подходящего размере выбейте из вилки включения привода задних колес (3) пружинный штифт, разверните шток вилки (4) на 180° и вытяните его из вилки. Снимите вилку.
2. Извлеките шарик и пружину из картера раздаточной коробки.

При извлечении вилки из картера раздаточной коробки выдвиньте на 2 ÷ 3 мм предохранительный механизм включения передачи заднего хода, предварительно ослабив болты его крепления. Постарайтесь не потерять шарик.

3. Выверните семь крепежных болтов и снимите сборку удлинения с деталями промежуточной передачи привода задних колес.
4. Извлеките валик включения муфты привода задних колес из правой стенки картера раздаточной коробки.
5. Выверните из картера раздаточной коробки заглушку и извлеките пружину и шарик диаметром 7.1438 мм.
6. Выверните крепежных болта и выдвиньте сборку предохранительного механизма включения задней передачи из картера раздаточной коробки настолько, чтобы механизм начал свободно проворачиваться.
7. Выверните винт крепления поводка рычага переключения.
8. Выверните восемь крепежных болтов и снимите картер раздаточной коробки с коробки передач, предварительно обстучав его молотком с мягким бойком.


Разборка раздаточной коробки

 ПОРЯДОК ВЫПОЛНЕНИЯ

1. Извлеките из картера рычаг переключения передач с поводком.
2. Снимите смазочный узел.
3. Выверните датчики-выключатели огней заднего хода и выбора нейтральной передачи.

Датчик-выключатель выбора нейтральной передачи может устанавливаться не на всех моделях.

4. Выверните два крепежных болта и снимите предохранительный механизм включения задней передачи. Произведите разборку механизма (см. выше).

Разборка удлинения коробки и промежуточной передачи привода задних колес

Конструкция удлинения и промежуточной передачи привода задних колес

1  —   Датчик-выключатель активации привода задних колес
2  —   Стопорное кольцо
3  —   Вал удлинения
4  —   Крепежная гайка с шайбой
5  —   Шариковый подшипник (20х52х15)
6  —   Ведомая шестерня промежуточной передачи

7  —   Ступица синхронизатора
8  —   Втулка ведомой шестерни
9  —   Дистанционная шайба
10  —   Шариковый подшипник (28х68х18)
11  —   Сальник


 ПОРЯДОК ВЫПОЛНЕНИЯ

1. Выверните датчик-выключатель (1) активации привода задних колес.
2. С помощью подходящего съемника извлеките стопорное кольцо (2).
3. Постучав молотком с мягким бойком по заднему торцу вала удлинения высвободите его из картера.
4. Включите муфту привода задних колес и при помощи специального ключа отдайте гайку (4), предварительно выправив ее зачеканенный край.
5. С помощью съемника снимите шариковый подшипник (5) (20х52х15).
6. Снимите упорную шайбу, ведомую шестерню промежуточной передачи и муфту.
7. С помощью специального инструмента снимите с вала втулку (8) ведомой шестерни промежуточной передачи, ступицу синхронизатора (7), дистанционную шайбу (9) и подшипник (10) (28х68х18)..
8. Извлеките сальник (11).

Снятый сальник подлежит замене в обязательном порядке.


Сборка удлинения и промежуточной передачи привода задних колес

Сборка производится в порядке обратном порядку демонтажа компонентов.

Сборка раздаточной коробки

 ПОРЯДОК ВЫПОЛНЕНИЯ

1. Установите обойму игольчатого подшипника в гнездо картера раздаточной коробки.

Постарайтесь не повредить стопор внутри картера!

2. Вверните датчики-выключатели огней заднего хода и активации привода задних колес и затяните их с требуемым усилием (18 Нм).

Устанавливаемые под датчики алюминиевые уплотнительные шайбы подлежат замене в обязательном порядке!

3. Посадите в отверстие в торце картера новый сальник.
4. Установите смазочный узел.
5. Произведите сборку предохранительного механизма включения задней передачи.
6. Установите сборку предохранительного механизма в картер раздаточной коробки и закрепите его двумя оснащенными шайбами болтами, затянув их с требуемым усилием (10 Нм).
7. Вставьте рычаг переключения в коробку с передней стороны, - проследите, чтобы поводок попал в прорезь предохранительного механизма включения передачи заднего хода. Заправьте ось рычага в отверстие поводка и протолкните ее внутрь до появления конца из задней стенки картера раздаточной коробки.
8. Смажьте соприкасающиеся детали трансмиссионным маслом.
9. До упора запрессуйте сальник (15х25х2) в правый выступ картера раздаточной коробки.
10. Второй сальник (13х22х6) посадите в отверстие штока вилки переключения привода задних колес в задней части картера.
11. Заправьте валик включения муфты привода задних колес изнутри в отверстие в правой стенке картера раздаточной коробки.
12. Удостоверьтесь в правильности установки и исправности состояния всех предусмотренных сальников.

Установка

 ПОРЯДОК ВЫПОЛНЕНИЯ

1. Установите уплотнительную прокладку на заднюю сопрягаемую поверхность картера раздаточной коробки. Прижмите к раздаточной коробке сборку удлинения, вверните восемь крепежных болтов и равномерно, в диагональном порядке затяните их с требуемым усилием (25 Нм).
2. Проверьте правильность соединения поводка рычага переключения с механизмом включения заднего хода. Закрепите поводок на оси рычага фиксирующим винтом. Затяните винт с требуемым усилием (10 Нм).
3. Проверьте правильность регулировки нейтрального положения (см. выше).
4. Подберите упорную пластину предохранительного механизма (см. выше).
5. Установите шарик (Ø 7.1438) и пружину, затем, заменив алюминиевую шайбу, вверните заглушку и затяните ее с требуемым усилием (10 Нм).
6. Установите прокладку и удлинение на раздаточную коробку, вверните и затяните с требуемым усилием (34 ÷ 40 Нм) крепежные болты.

При установке сборки удлинения ведущую и ведомую шестерни промежуточной передачи необходимо ввести в зацепление друг с другом.

7. Установите вилку муфты включения привода задних колес. Проследите, чтобы вилка попала в ответную канавку муфты и добейтесь совмещения выреза вилки с валиком переключения.

Нейлоновые наконечники вилки перед установкой последней следует слегка смазать трансмиссионным маслом.


Установка пружины и шарика фиксатора

1  —   Шарик
2  —   Пружина
3  —   Шток вилки

 


 ПОРЯДОК ВЫПОЛНЕНИЯ

1. Посадите пружину (2) и шарик (1) (Ø 6.35 мм) фиксатора в картер.
2. Заправьте шток (3) вилки в отверстие в середине верхней части сборки удлинении.

Шток устанавливайте скошенной стороной вперед.

3. Проденьте шток сквозь отверстие в вилке, одновременно удерживая шарик фиксатора в своем гнезде.
4. Добейтесь совмещения отверстий под установку штифта в вилке и штоке. Скрепите детали штифтом (5х25).

Проследите, чтобы оба конца пружинного штифта слегка выступали из отверстий в вилке. Чтобы не повредить сальник, смажьте поверхность штока трансмиссионным маслом.

5. Добейтесь совмещения шарика фиксатора с прорезью на поверхности штока, - постарайтесь не выронить шарик.
6. Установите Сборку привода включения муфты в сборе с приводным тросом. Наконечник троса соединяется с рычагом при помощи пальца и фиксатора. Крепление привода на левой стороне картера коробки передач осуществляется посредством болтов М8. еще двумя оснащенными шайбами болтами М8 закрепите пластину троса. Требуемое усилие затягивания болтов составляет 16 Нм.
7. Наденьте рычаг на валик включения муфты привода задних колес и закрепите его с помощью пружинного штифта.
7. Подсоедините шланг к трубке на приводе, затем при помощи ручного вакуумного насоса создайте в приводе разрежение, за счет которого трос должен максимально втянуться в оболочку.
8. Продолжая поддерживать разрежение, проверните стяжную муфту, до отказа укоротив трос. Затем отпустите муфту, развернув ее обратно на 180°, и затяните с требуемым усилием (5 Нм) две стопорные гайки.
9. Включите привод задних колес и удостоверьтесь в плавности срабатывания муфты.
10. Установите крышку картера раздаточной коробки. Вверните и затяните с требуемым усилием (15 ÷ 18 Нм) крепежные болты.
11. Восстановите исходное подсоединение электропроводки.


« предыдущая страница
9.1.3. Подготовка к выполнению ремонтных работ по восстановлению РКПП
^
к оглавлению
следующая страница »
9.1.5. Капитальный ремонт РКПП полноприводных моделей

Copyright © 2026 Все права защищены. Все торговые марки являются собственностью их владельцев.